GM Service Manual Online
For 1990-2009 cars only
Makes
🢒
Chevrolet
🢒
2001
🢒
Malibu
🢒 Courtesy Lights
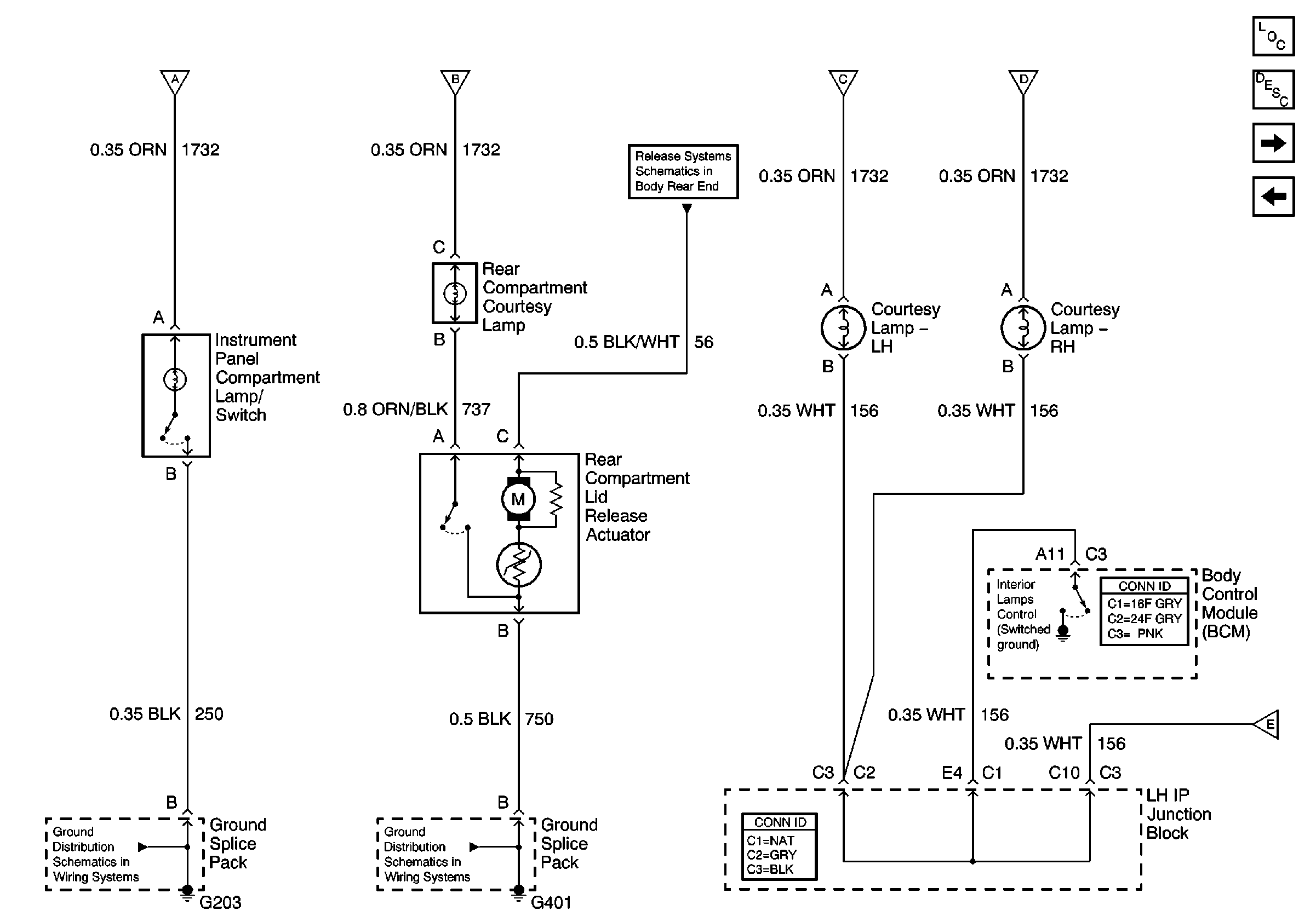
Courtesy Lights
Courtesy Lights
Master Electrical Component List
Interior Lighting Systems Description and Operation
Door Ajar Switches
Powers and Grounds
Powers and Grounds
G401
G203
Rear Compartment Lid Release
Powers and Grounds
Powers and Grounds
Powers and Grounds
Powers and Grounds