GM Service Manual Online
For 1990-2009 cars only
Makes
🢒
Chevrolet
🢒
2001
🢒
Malibu
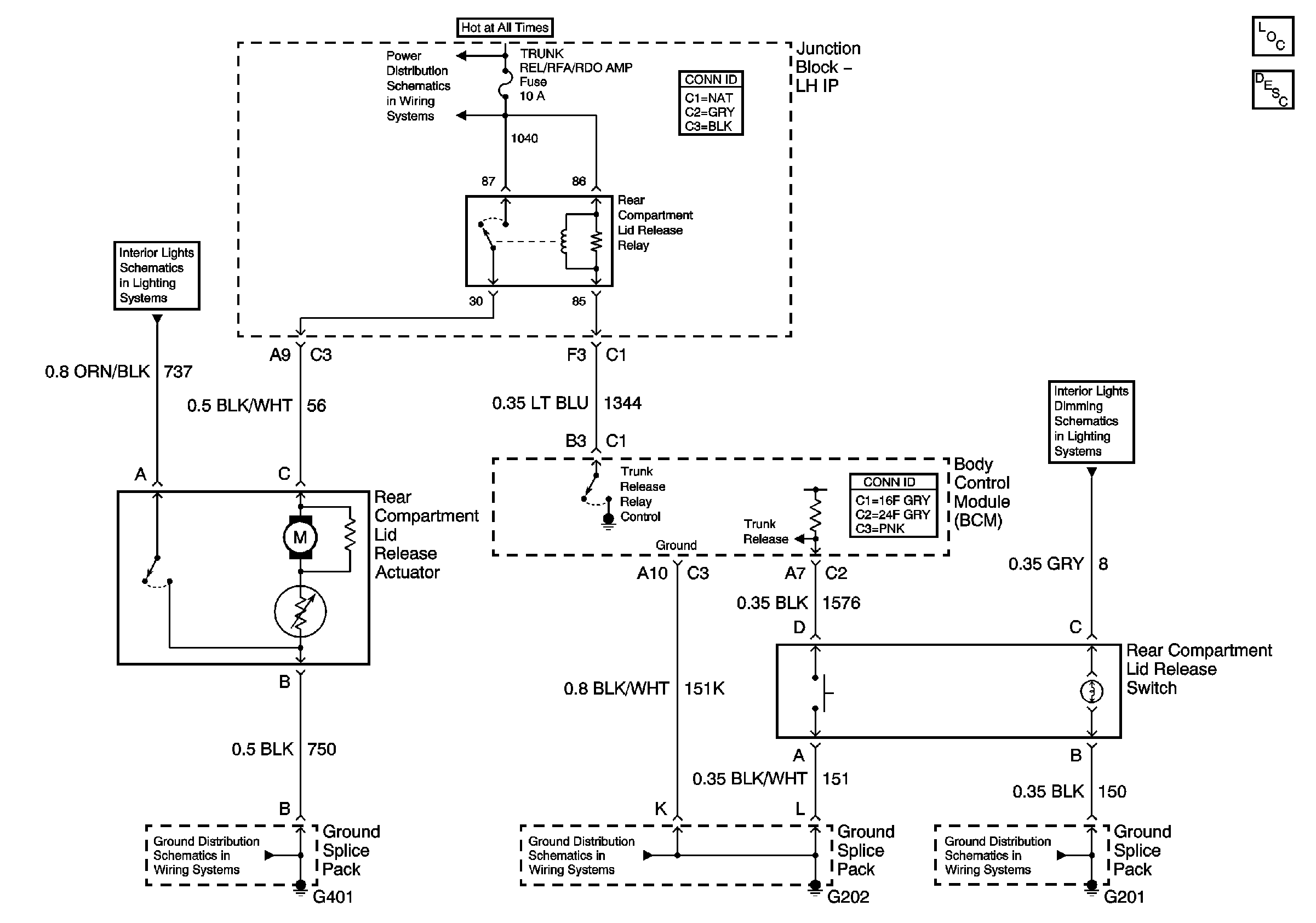
🢒 Rear Compartment Lid Release
Rear Compartment Lid Release
Rear Compartment Lid Release
Master Electrical Component List
Luggage Compartment Description and Operation
Panel Dimming
Courtesy Lights
Underhood Junction Block BATT 1, POWER SEAT Circuit Breaker, PWR MIRROR, DR LOCK, TRUNK RELEASE/RFA Fuses, DOOR LOCK Relays (with RFA), REAR COMPARTMENT LID RELEASE Relay
G401
G202
G201