GM Service Manual Online
For 1990-2009 cars only
Figure 1:

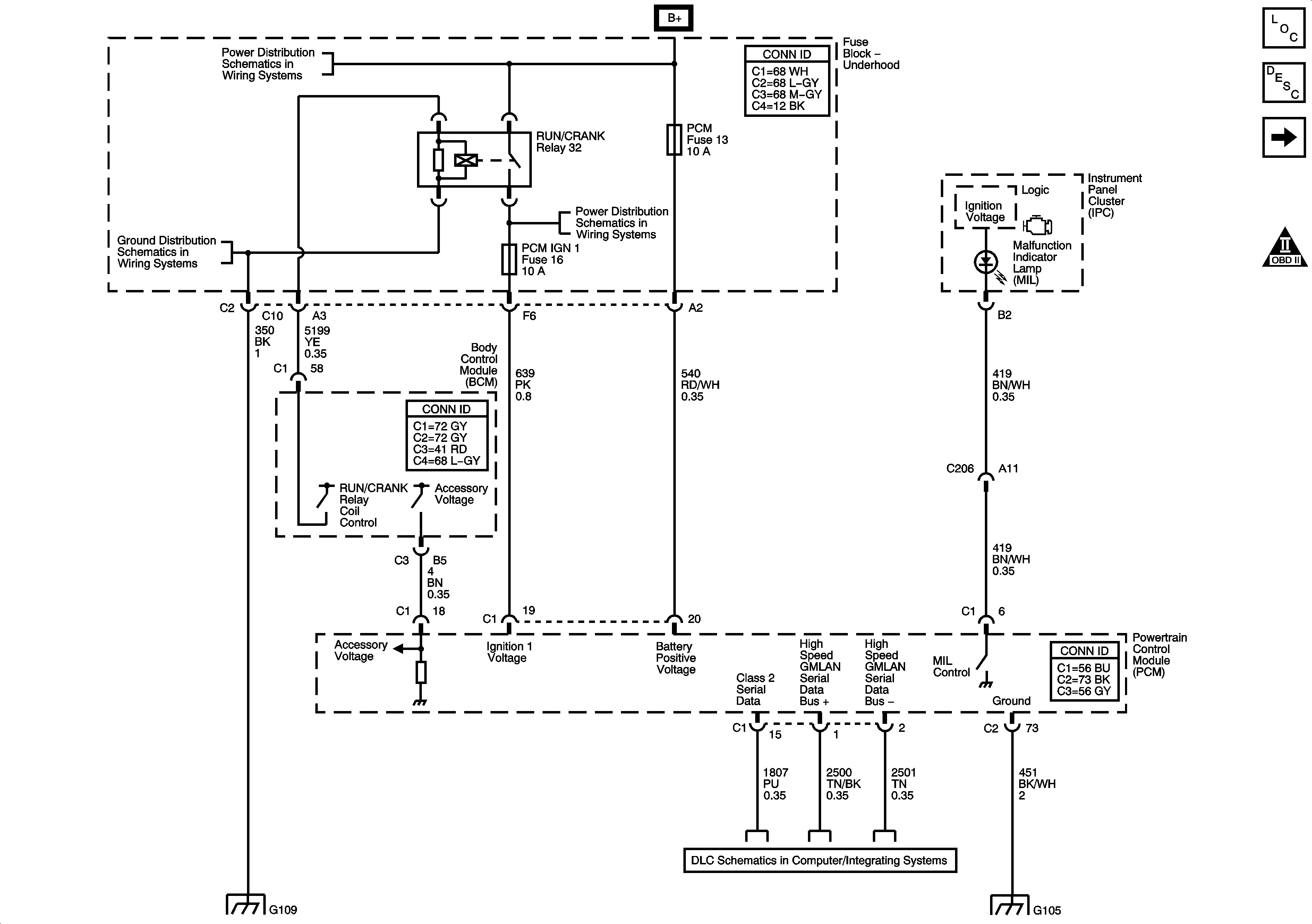
PCM Power, Ground, MIL, and Serial Data


Object Number: 1217753  Size: FS
Master Electrical Component List
Powertrain Control Module Description
5-Volt and Low Reference Bussing
Engine Controls Schematic Icons
Fuse Block Underhood Bussing
Fuse Block Underhood Bussing
G109
Fuse Block - Underhood - ABS, IGN, INJ, PCM IGN, TRANS Fuses and RUN/CRANK Relay
G109
Power, Ground and High Speed Serial Data
G103, G104, and G105
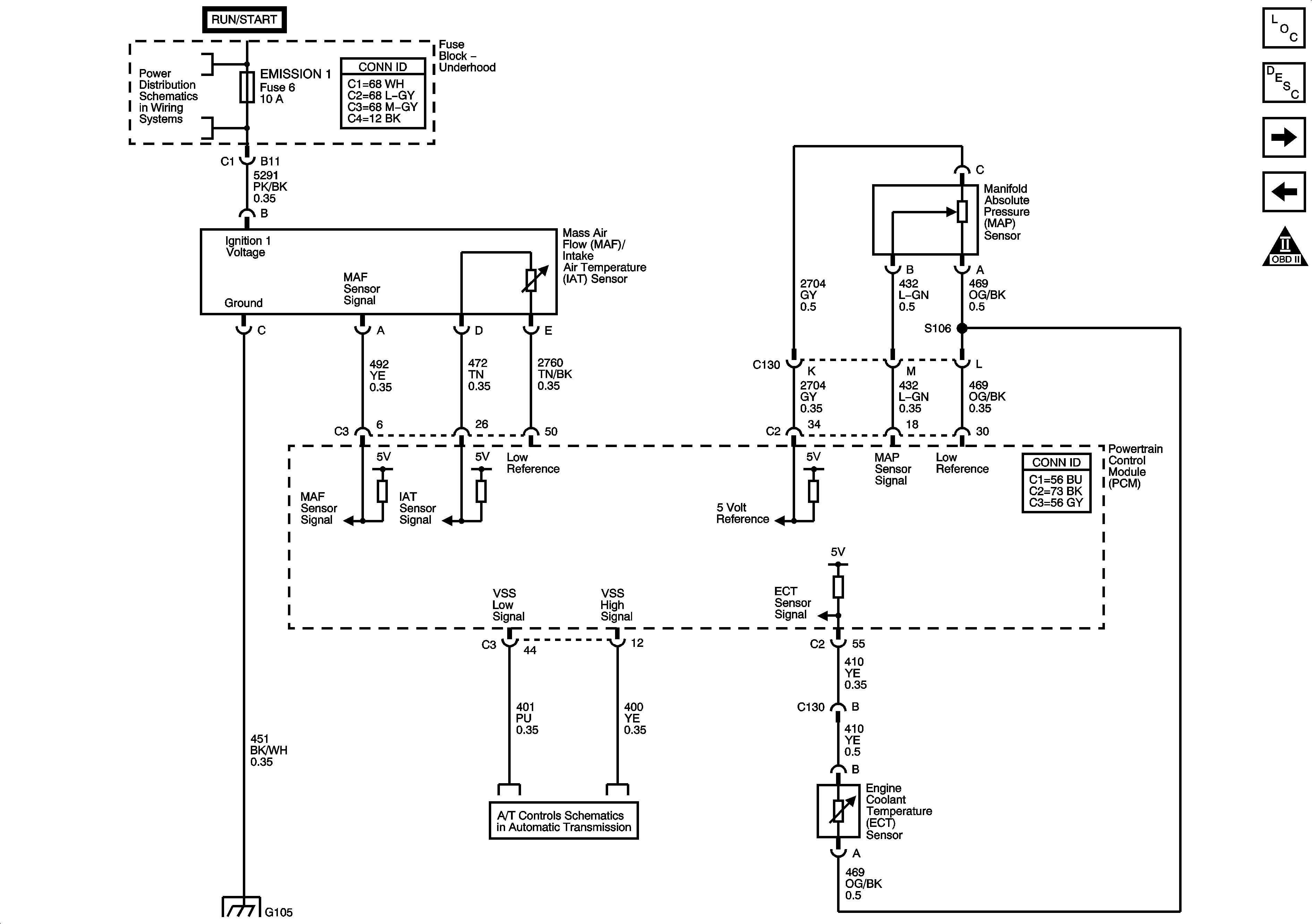
Figure 2:

5-Volt and Low Reference Bussing


Object Number: 1217758  Size: FS
Master Electrical Component List
Powertrain Control Module Description
ECT, MAP, MAF/IAT and USS Sensors
PCM, Power, Ground, MIL and Serial Data
Engine Controls Schematic Icons
Figure 3:

ECT, MAP, MAF/IAT, and VSS Sensors


Object Number: 1217760  Size: FS
Master Electrical Component List
Powertrain Control Module Description
Heated Oxygen Sensors
5-Volt and Low Reference Bussing
Engine Controls Schematic Icons
Fuse Block Underhood Bussing
Fuse Block - Underhood - EMISSION 1, ETC Fuses, and A/C Clutch, P0WERTRAIN Relays
Transmission Solenoids and VSS
G103, G104, and G105
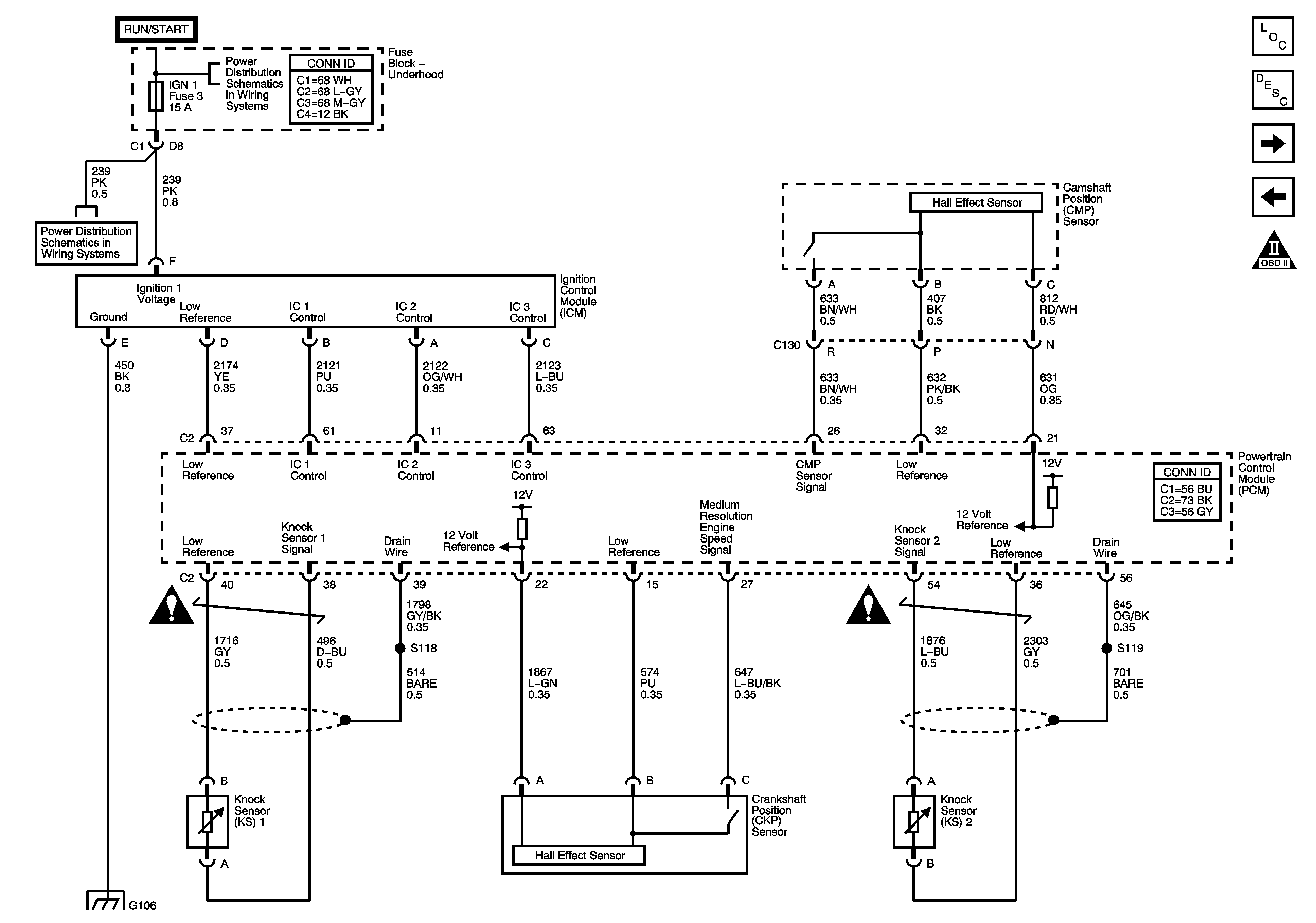
Figure 4:

Heated Oxygen Sensors


Object Number: 1217762  Size: FS
Master Electrical Component List
Powertrain Control Module Description
Electronic Throttle Controls
ECT, MAP, MAF/IAT and USS Sensors
Engine Controls Schematic Icons
Fuse Block Underhood Bussing
Fuse Block - Underhood - EMISSION 1, ETC Fuses, and A/C Clutch, P0WERTRAIN Relays
Figure 5:

Electronic Throttle Controls


Object Number: 1217766  Size: FS
Master Electrical Component List
Throttle Actuator Control (TAC) System Description
Ignition Control Module
Heated Oxygen Sensors
Engine Controls Schematic Icons
Fuse Block Underhood Bussing
Fuse Block Underhood Bussing
Fuse Block - Underhood - EMISSION 1, ETC Fuses, and A/C Clutch, P0WERTRAIN Relays
Brake Lamp Diagnostic Resistor, CHMSL, Grounds and Park/Turn Signal Lamps
G103, G104, and G105
Figure 6:

Ignition Control Module


Object Number: 1217768  Size: FS
Master Electrical Component List
Electronic Ignition (EI) System Description
Fuel Pump Controls
Electronic Throttle Controls
Engine Controls Schematic Icons
Fuse Block Underhood Bussing
Fuse Block - Underhood - ABS, IGN, INJ, PCM IGN, TRANS Fuses and RUN/CRANK Relay
Fuse Block - Underhood - ABS, IGN, INJ, PCM IGN, TRANS Fuses and RUN/CRANK Relay
Engine Controls Schematic Icons
Engine Controls Schematic Icons
G106
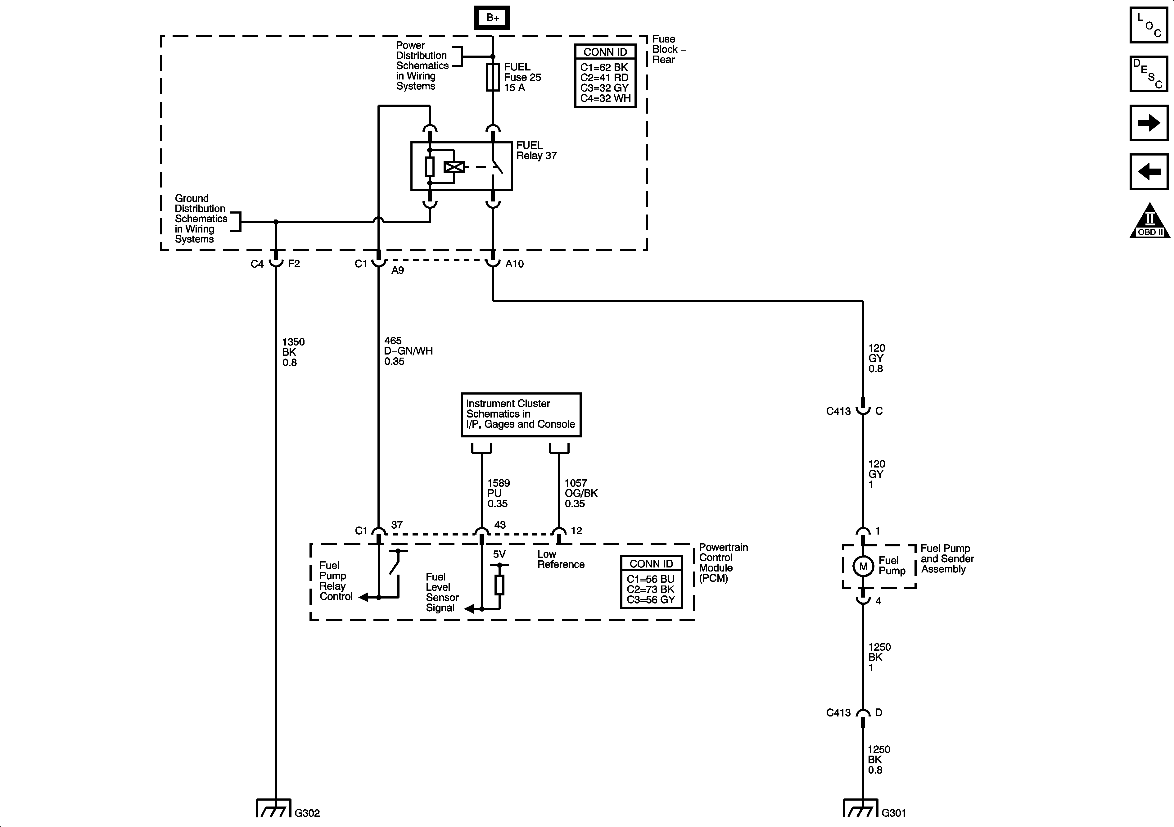
Figure 7:

Fuel Pump Controls


Object Number: 1217771  Size: FS
Master Electrical Component List
Fuel System Description
Fuel Injectors, FTP Sensor, and EVAP Solenoids
Ignition Control Module
Engine Controls Schematic Icons
DRV ST, EMISSION 2, FUEL, PARK LPS, RBEC 2, RUN RLY, TRUNK Fuses, and FUEL, PARK LPS, TRUNK Relays, BCM - HVAC BLOWER, HVAC HEAD ECC Fuses
DRV ST, EMISSION 2, FUEL, PARK LPS, RBEC 2, RUN RLY, TRUNK Fuses, and FUEL, PARK LPS, TRUNK Relays, BCM - HVAC BLOWER, HVAC HEAD ECC Fuses
G302
Indicators
G302
G301
Figure 8:

Fuel Injectors, FTP Sensor, and EVAP Solenoids


Object Number: 1217774  Size: FS
Master Electrical Component List
Evaporative Emission Control System Description
Controlled/Monitored Subsystem References
Fuel Pump Controls
Engine Controls Schematic Icons
Fuse Block Underhood Bussing
Fuse Block Underhood Bussing
DRV ST, EMISSION 2, FUEL, PARK LPS, RBEC 2, RUN RLY, TRUNK Fuses, and FUEL, PARK LPS, TRUNK Relays, BCM - HVAC BLOWER, HVAC HEAD ECC Fuses
Fuse Block - Underhood - ABS, IGN, INJ, PCM IGN, TRANS Fuses and RUN/CRANK Relay
Fuse Block - Underhood - EMISSION 1, ETC Fuses, and A/C Clutch, P0WERTRAIN Relays
DRV ST, EMISSION 2, FUEL, PARK LPS, RBEC 2, RUN RLY, TRUNK Fuses, and FUEL, PARK LPS, TRUNK Relays, BCM - HVAC BLOWER, HVAC HEAD ECC Fuses
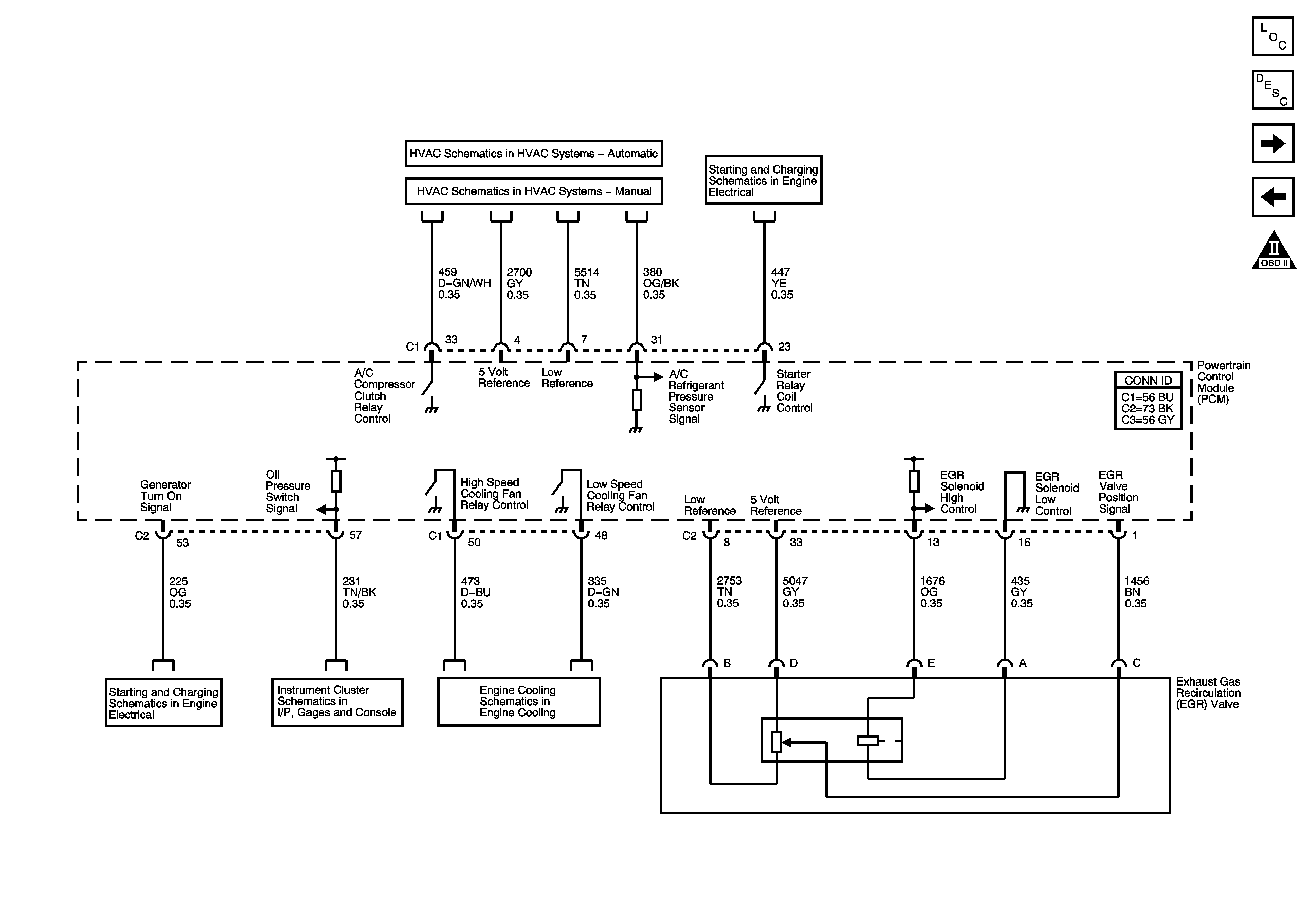
Figure 9:

Controlled/Monitored Subsystem References


Object Number: 1217775  Size: FS
Master Electrical Component List
Powertrain Control Module Description
Automatic Transmission Control References
Fuel Injectors, FTP Sensor, and EVAP Solenoids
Engine Controls Schematic Icons
Power, Ground, A/C Compressor Clutch, and Blower Motor Controls
Power, Ground, A/C Compressor, Clutch, and Blower Motor Controls
Starting
Charging
Indicators
Engine Cooling Fans
Figure 10:

Automatic Transmission Controls References


Object Number: 1217777  Size: FS
Master Electrical Component List
Powertrain Control Module Description
Controlled/Monitored Subsystem References
Engine Controls Schematic Icons
Transmission Solenoids and VSS
Transmission Switches, TFT and A/T ISS Sensor
Tap Up/Tap Down Switch
Transmission Switches, TFT and A/T ISS Sensor
Park/Neutral Position Switch