GM Service Manual Online
For 1990-2009 cars only
Makes
🢒
Chevrolet
🢒
2005
🢒
Malibu
🢒
Engine
🢒
Engine Electrical
🢒 Starting and Charging Schematics
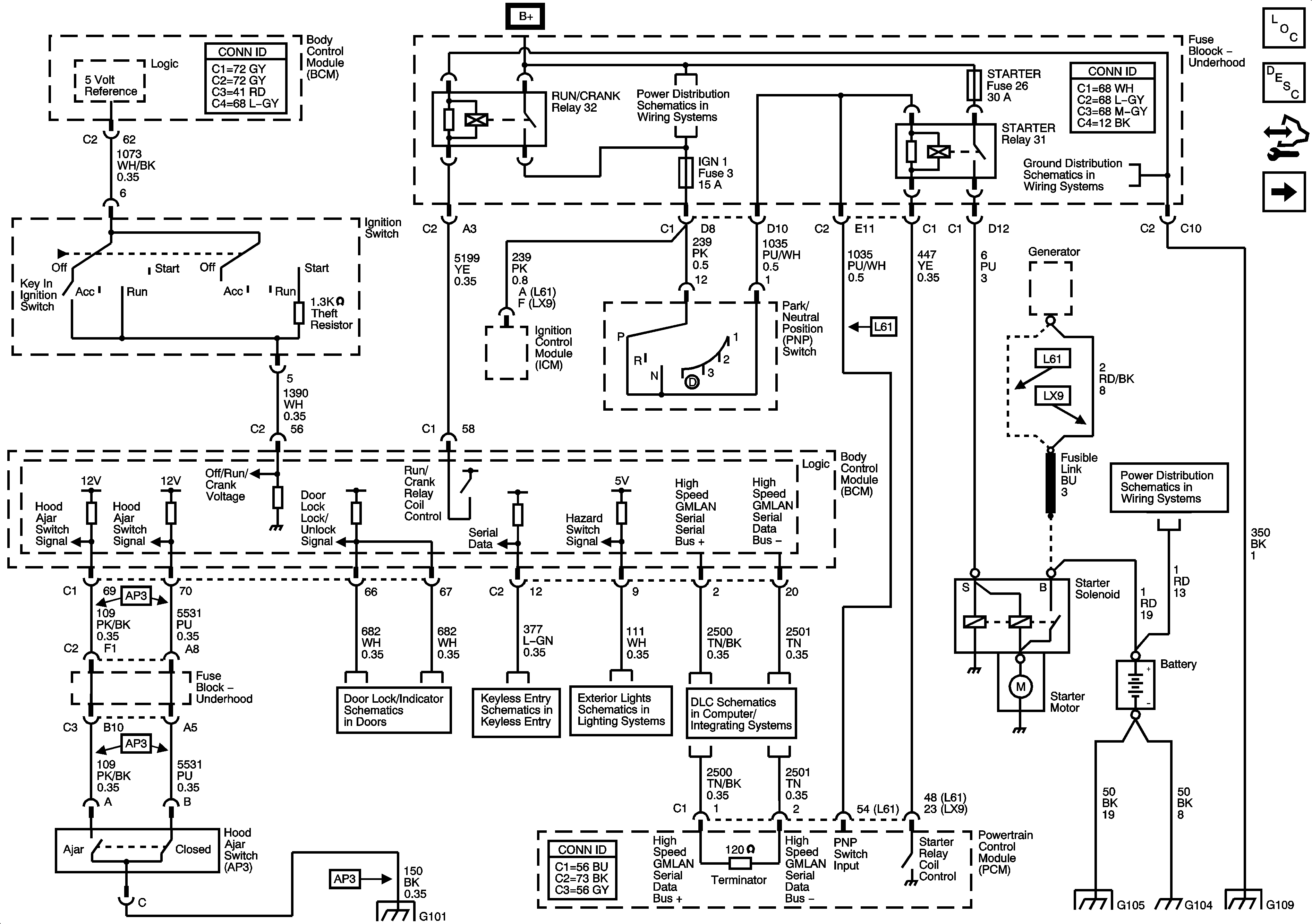
Figure
1:
Starting
Master Electrical Component List
Starting System Description and Operation
Control Module References
Charging
Underhood Junction Block - IBCM Batt1, BCM - Radio/RFA, Ignigion Sensor, HVAC BATT, Cluster/Theft, Air Bag Batt Fuses
Run/Crank ICBM, Transmission, Injectors, ABS, PCM IGN, IGN Fuses
Door Lock Switches
Keyless Entry
Ambient Light Sensor, Brake Pedal Position Sensor, Hazard Switch and Turn Signal/Multifunction Switch
Power, Ground, Class 2 and High Speed Serial Data
G101 and G102
G103, G104 and G105
G103, G104 and G105
G109
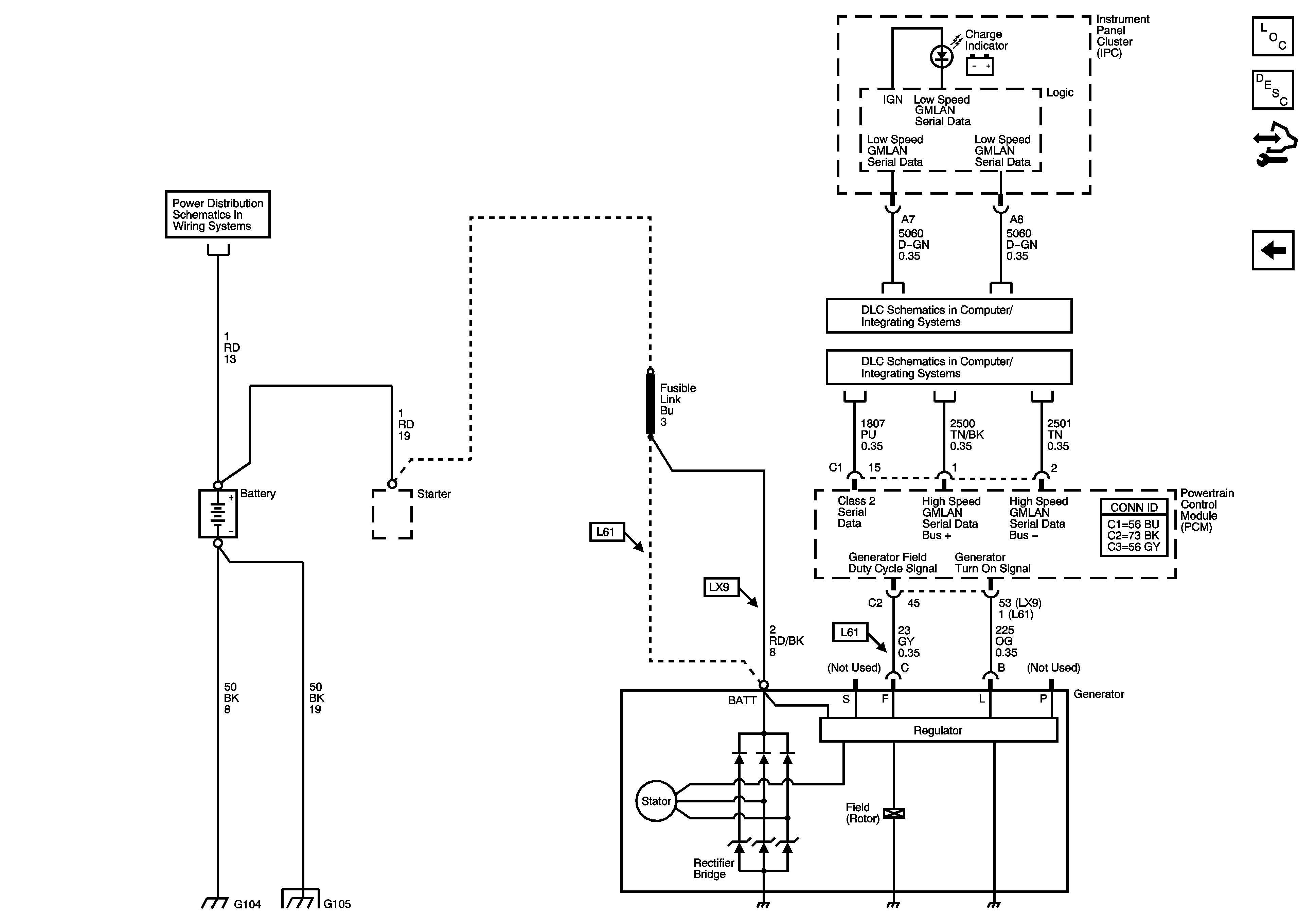
Figure
2:
Charging
Master Electrical Component List
Charging System Description and Operation
Control Module References
Starting
B+ Bussing
Low Speed Serial Data
Power, Ground, Class 2 and High Speed Serial Data
G103, G104 and G105
G103, G104 and G105