GM Service Manual Online
For 1990-2009 cars only
Makes
🢒
Chevrolet
🢒
2005
🢒
Malibu
🢒 Engine Data Sensors - Heated Oxygen Sensors
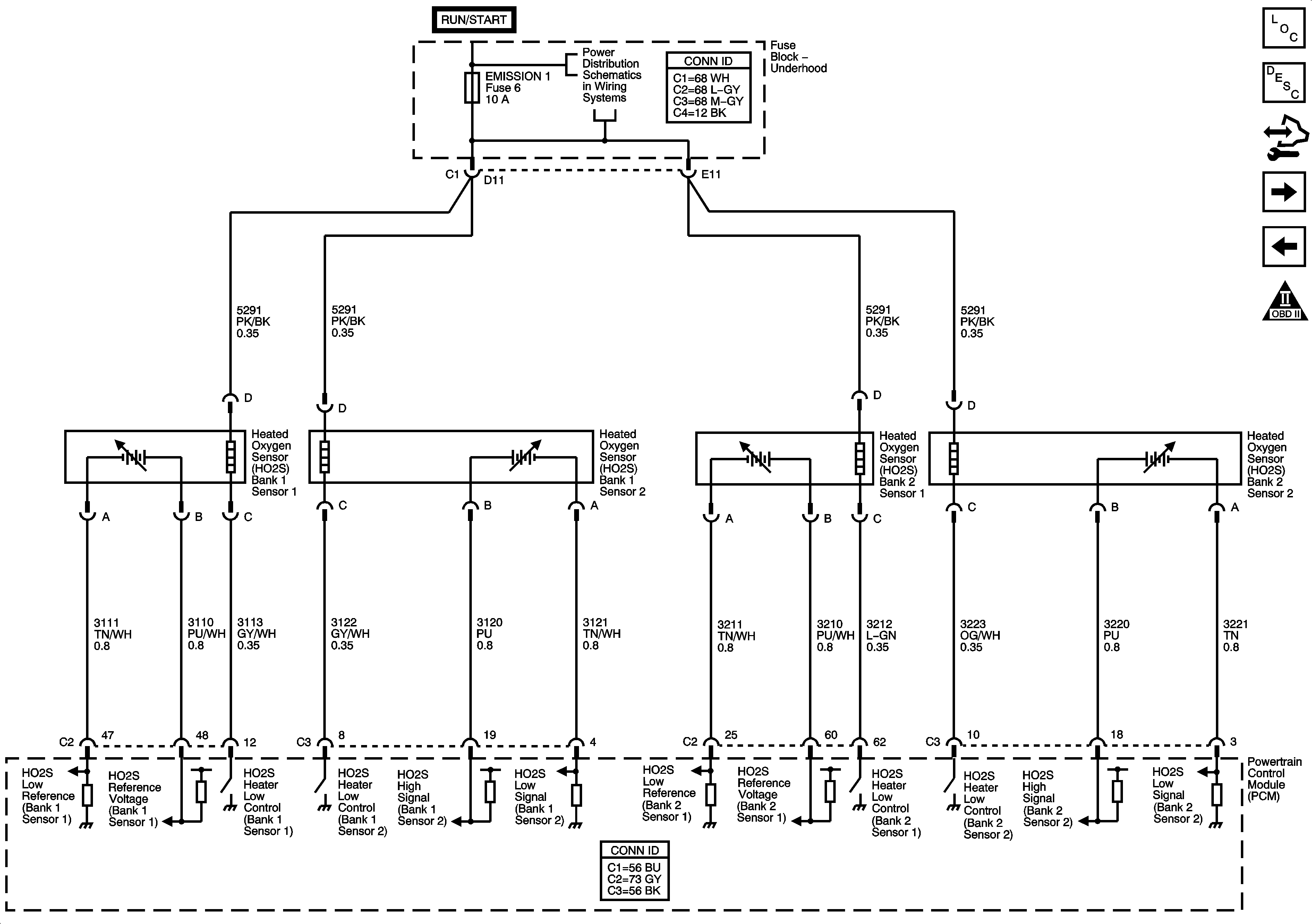
Engine Data Sensors - Heated Oxygen Sensors
Engine Data Sensors - Heated Oxygen Sensors
Master Electrical Component List
Powertrain Control Module Description
Control Module References
Engine Data Sensors - Electronic Throttle Controls
Engine Data Sensors - Pressure and Temperature
OBD II Symbol Description Notice
Air, A/C Clutch, ECT IGN, ERLS #1 Fuses