GM Service Manual Online
For 1990-2009 cars only
Makes
🢒
Chevrolet
🢒
2005
🢒
Malibu
🢒 Engine Data Sensors - Electronic Throttle Controls
Engine Data Sensors - Electronic Throttle Controls
Engine Data Sensors - Electronic Throttle Controls
Master Electrical Component List
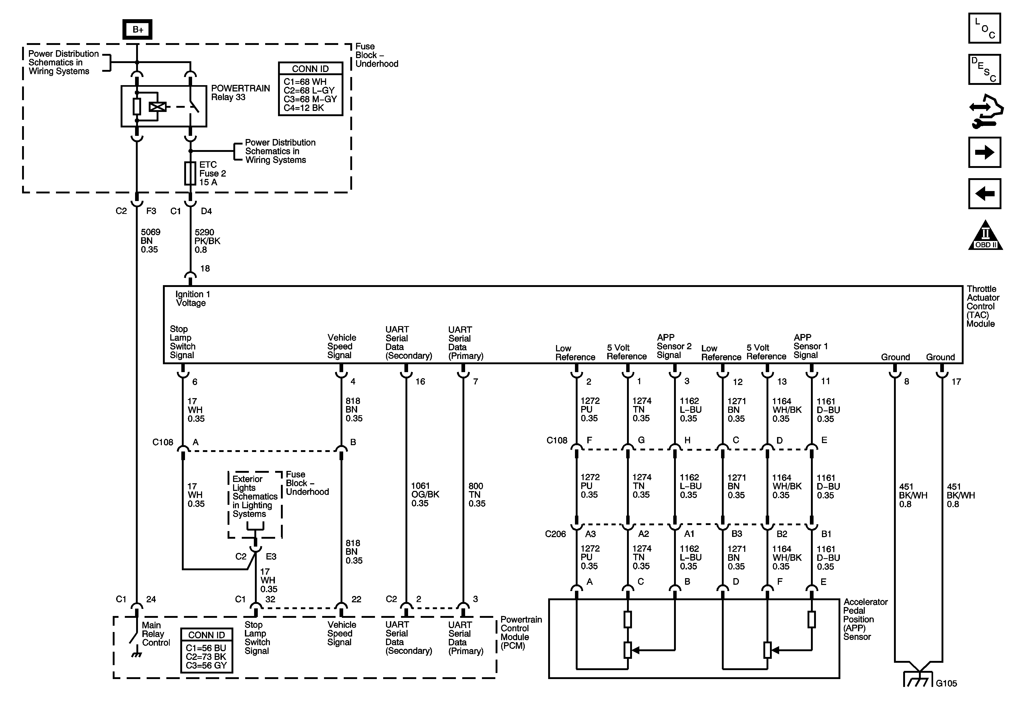
Throttle Actuator Control (TAC) System Description
Control Module References
Ignition Controls - Ignition System
Engine Data Sensors - Heated Oxygen Sensors
OBD II Symbol Description Notice
B+ Bussing
B+ Bussing
Turn Signals and Stop Lamps
G103, G104 and G105