GM Service Manual Online
For 1990-2009 cars only
Makes
🢒
Chevrolet
🢒
2005
🢒
Malibu
🢒 Fuel Controls - Fuel Injectors and EVAP
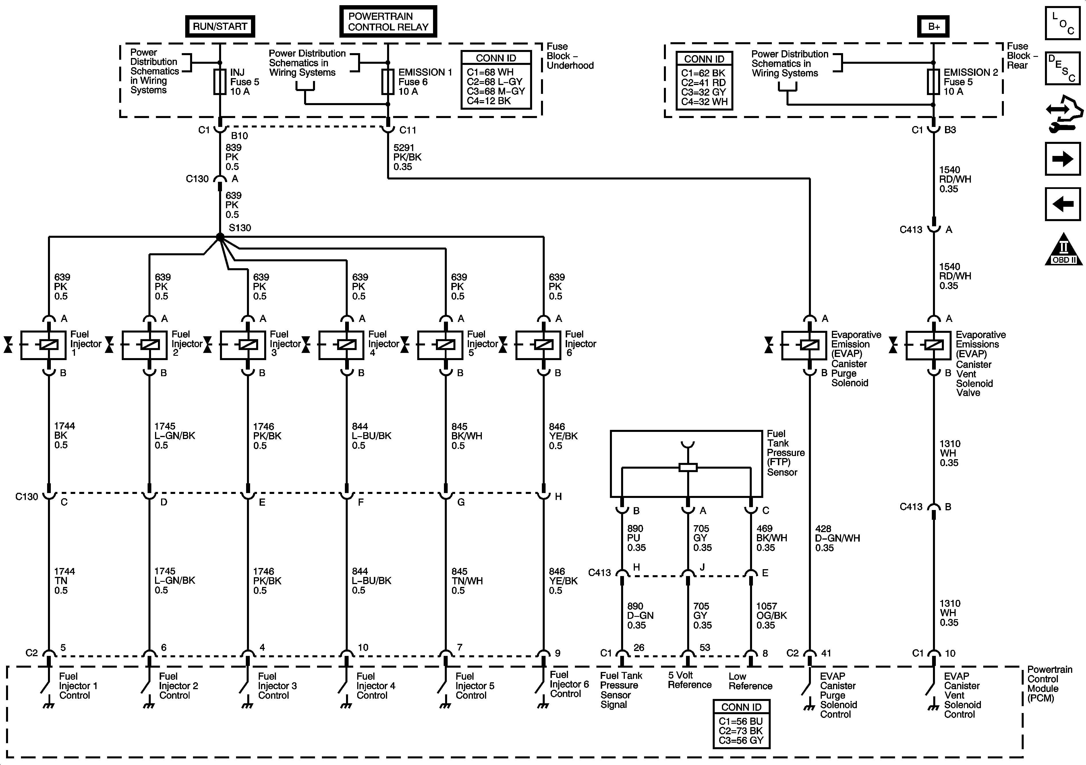
Fuel Controls - Fuel Injectors and EVAP
Fuel Controls - Fuel Injectors and EVAP
Master Electrical Component List
Fuel System Description
Control Module References
Controlled/Monitored Subsystem References
Fuel Controls - Fuel Pump Controls
OBD II Symbol Description Notice
Run/Crank ICBM, Transmission, Injectors, ABS, PCM IGN, IGN Fuses
Air, A/C Clutch, ECT IGN, ERLS #1 Fuses
Underhood Fuse Block - Run Relay, RBEC Battery 2 Fuses, Rear Fuse BLock - Driver Power Seat, Fuel Pump, Park Lamps, Trunk Release, ERLS Fuses