GM Service Manual Online
For 1990-2009 cars only
Makes
🢒
Chevrolet
🢒
2005
🢒
Malibu
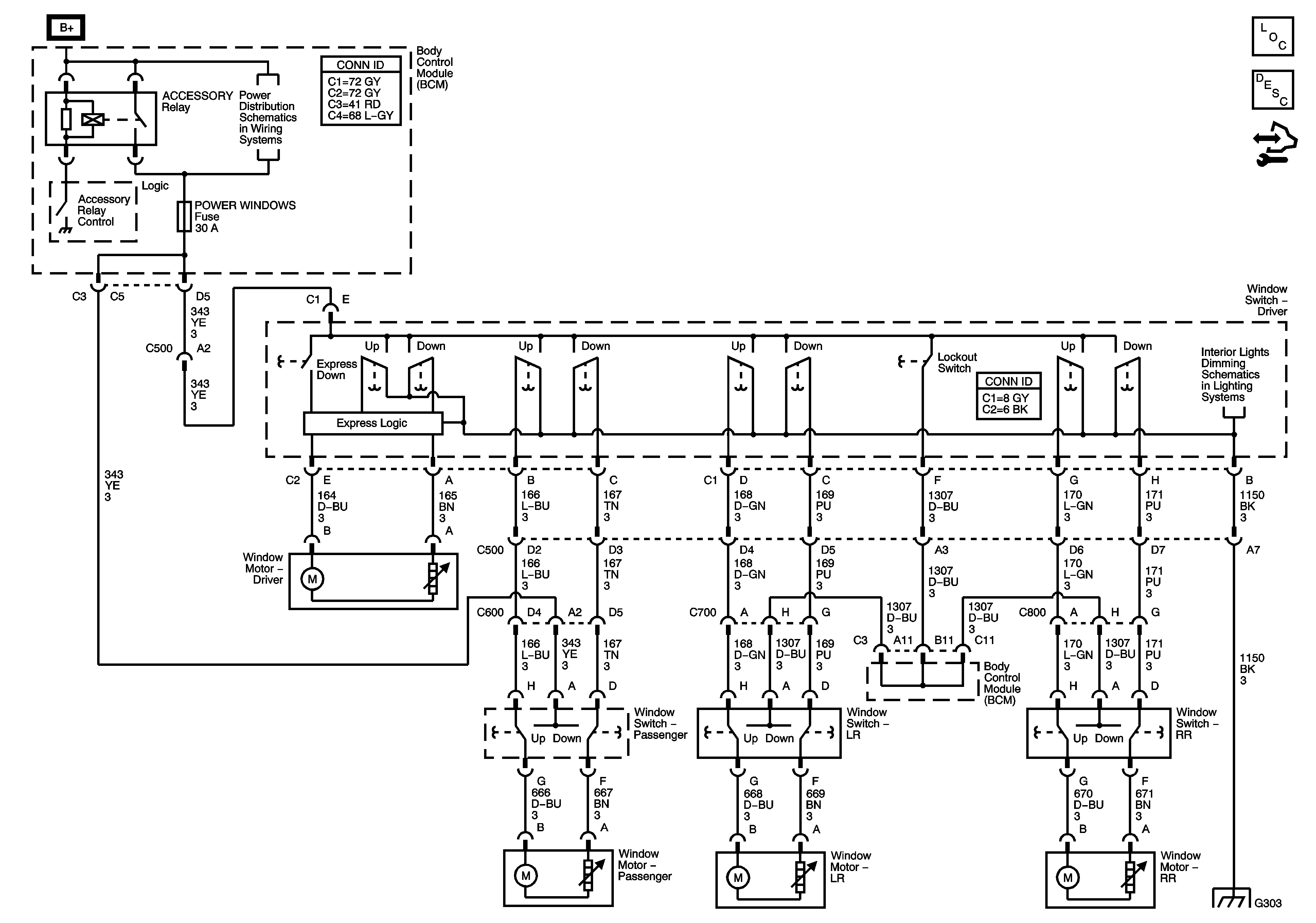
🢒 Power Window Schematics
Power Window Schematics
Master Electrical Component List
Power Windows Description and Operation
Control Module References
Switches
Underhood Junction Block - ICBM Batt2, BCM - PWR Windows, Wiper Sw, Sunroof/HTD Seat Fuses
G303