GM Service Manual Online
For 1990-2009 cars only
Makes
🢒
Chevrolet
🢒
2006
🢒
Malibu
🢒
Vehicle Control Systems
🢒
Vehicle DTC Information
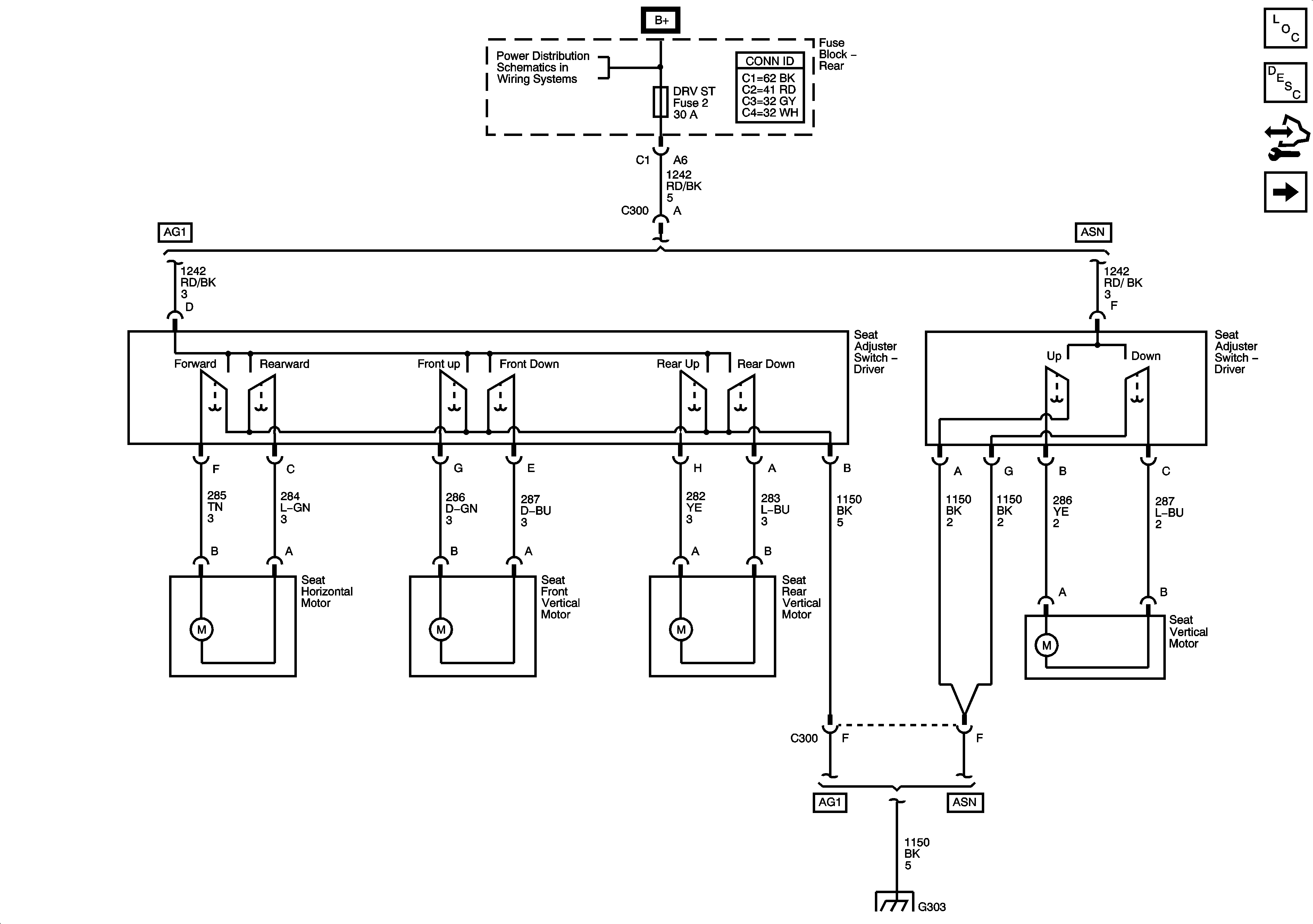
🢒 Driver Seat Schematics
Figure
1:
Power Driver Seat
Master Electrical Component List
Power Seats System Description and Operation
Control Module References
Heated Driver Seat
Underhood Fuse Block, RBEC 2, RUN RLY, Body Control Module (BCM) HVAC BLOWER HIGH Relay, RUN Relay, HVAC BLOWER, HVAC CTRL (IGN), Rear Fuse Block, FUEL/PMP Relay, PARK LP Relay, TRUNK Relay, DRV ST
G303
Figure
2:
Heated Driver Seat
Master Electrical Component List
Heated Seats Description and Operation
Control Module References
Power Driver Seat
Underhood Fuse Block - RBEC 1 Fuse, Rear Fuse Block, AUX PWR #2, BCK/UP LAMPS, CIG/AUX, HTD MIR, HTD SEAT, RKE/XM/DVD/UGD, RR DEFOG and S/ROOF Fuses
Underhood Fuse Block, ICBM 2, Body Control Module (BCM), ACCESSORY Relay, DOOR LOCK, INTERIOR LIGHTS, POWER WINDOWS, REAR WIPER, ROOF/HEAT SEAT and WIPER SW Fuses
Underhood Fuse Block - RBEC 1 Fuse, Rear Fuse Block, AUX PWR #2, BCK/UP LAMPS, CIG/AUX, HTD MIR, HTD SEAT, RKE/XM/DVD/UGD, RR DEFOG and S/ROOF Fuses
Underhood Fuse Block, ICBM 2, Body Control Module (BCM), ACCESSORY Relay, DOOR LOCK, INTERIOR LIGHTS, POWER WINDOWS, REAR WIPER, ROOF/HEAT SEAT and WIPER SW Fuses
G303
G303