GM Service Manual Online
For 1990-2009 cars only
Makes
🢒
Chevrolet
🢒
2006
🢒
Malibu
🢒
Vehicle Control Systems
🢒
Computer/Integrating Systems
🢒 Retained Accessory Power (RAP) Schematics
Master Electrical Component List
Retained Accessory Power (RAP) Description and Operation
Control Module References
Door Ajar Indicators
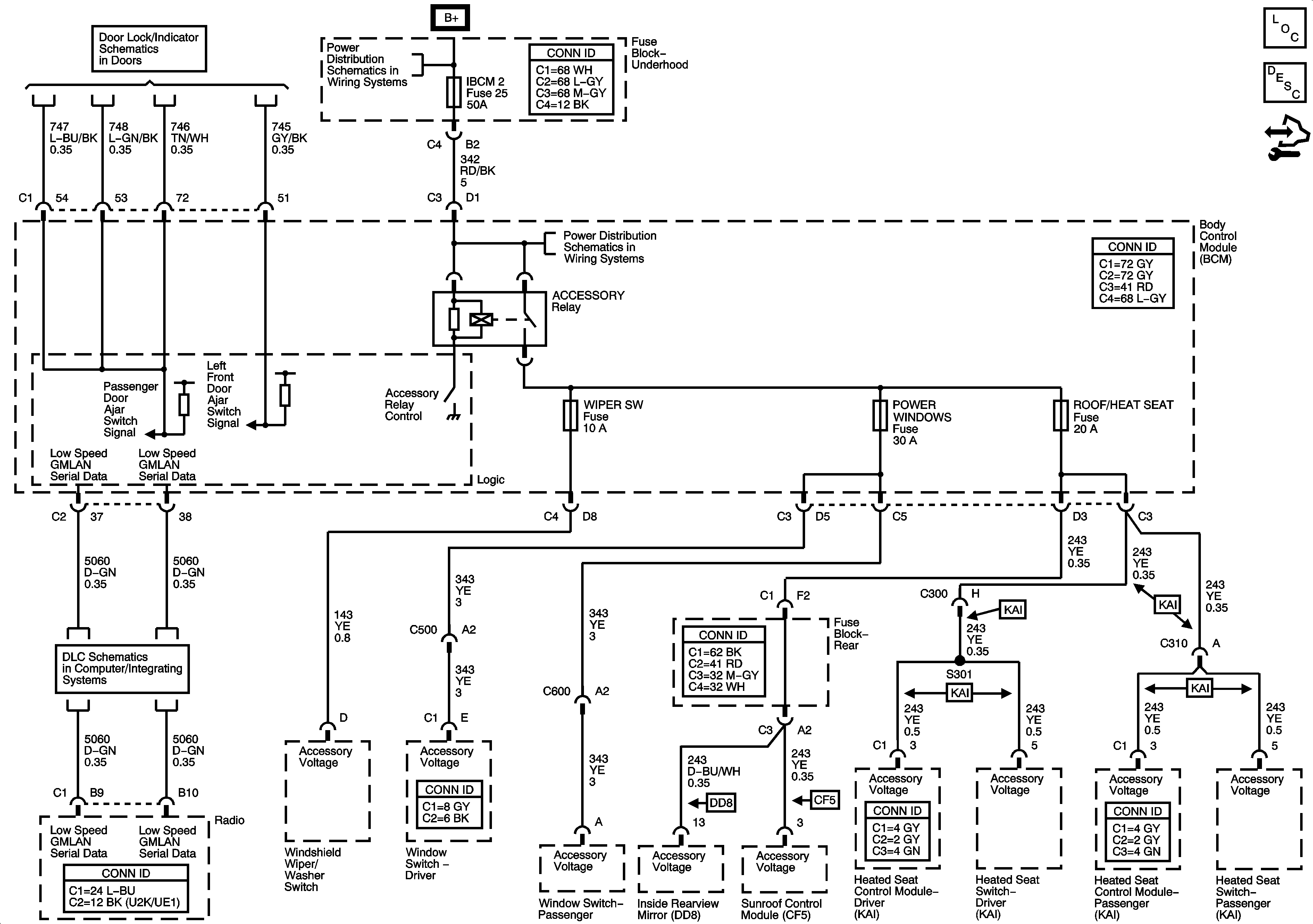
Underhood Fuse Block, ICBM 2, Body Control Module (BCM), ACCESSORY Relay, DOOR LOCK, INTERIOR LIGHTS, POWER WINDOWS, REAR WIPER, ROOF/HEAT SEAT and WIPER SW Fuses
Underhood Fuse Block, ICBM 2, Body Control Module (BCM), ACCESSORY Relay, DOOR LOCK, INTERIOR LIGHTS, POWER WINDOWS, REAR WIPER, ROOF/HEAT SEAT and WIPER SW Fuses
Low Speed Serial Data