GM Service Manual Online
For 1990-2009 cars only
Makes
🢒
Chevrolet
🢒
2006
🢒
Malibu
🢒
Steering
🢒
Steering Wheel and Column
🢒 Steering Wheel Schematics
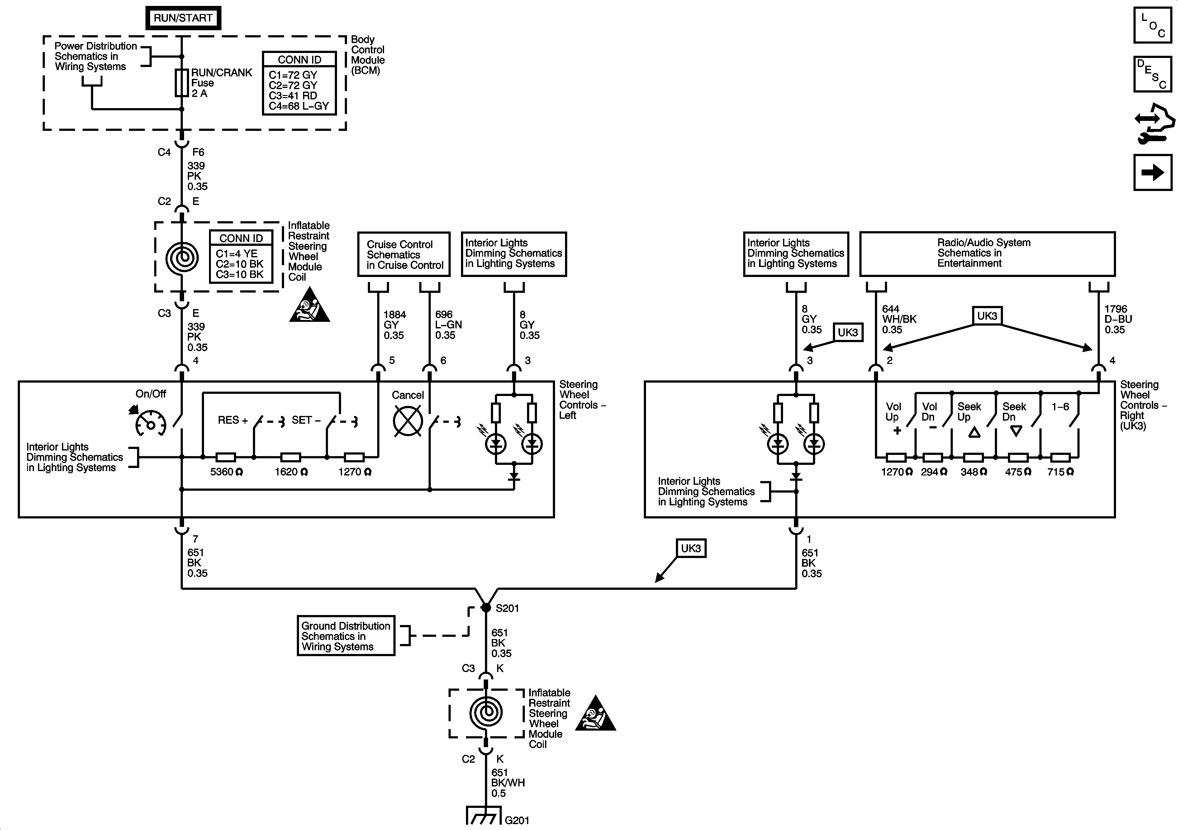
Figure
1:
3-Spoke
Master Electrical Component List
Steering Wheel Controls Description and Operation
Control Module References
4-Spoke
B+ Bussing
Steering Wheel and Column Schematic Icons
Steering Wheel Controls - 3 Spoke
Switches
Switches
Switches
Switches
G201
Steering Wheel and Column Schematic Icons
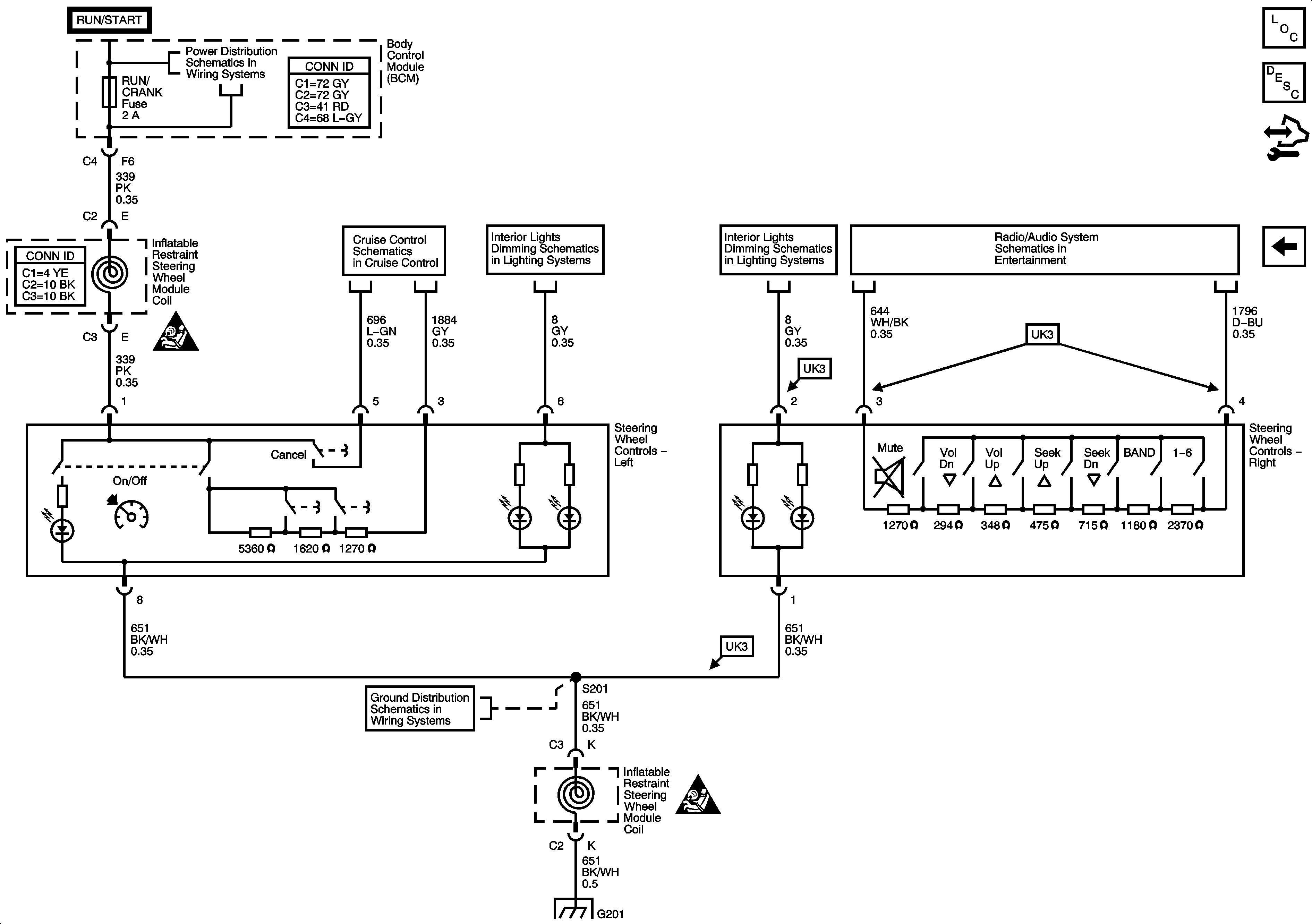
Figure
2:
4-Spoke
Master Electrical Component List
Steering Wheel Controls Description and Operation
Control Module References
3-Spoke
B+ Bussing
Steering Wheel and Column Schematic Icons
Steering Wheel Controls - 3 Spoke
Switches
Switches
G201
Steering Wheel and Column Schematic Icons
G201