GM Service Manual Online
For 1990-2009 cars only
Makes
🢒
Chevrolet
🢒
2006
🢒
Malibu
🢒 Charging System
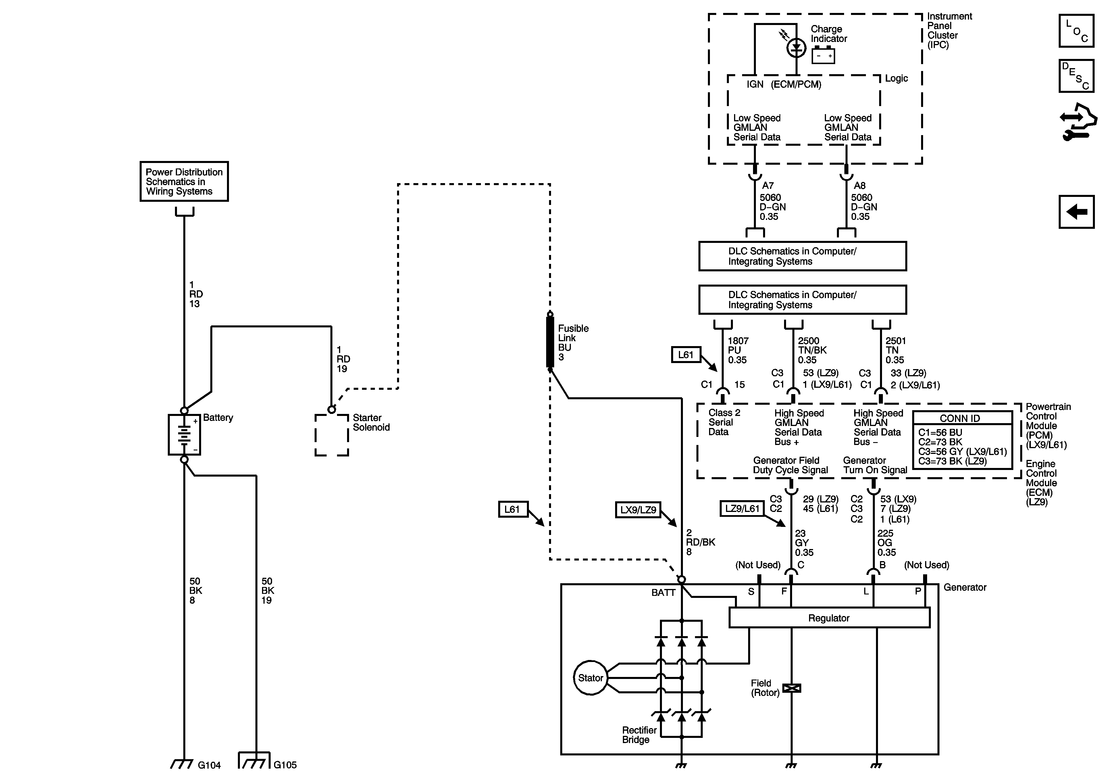
Charging System
Charging System
Master Electrical Component List
Starting System Description and Operation
Control Module References
Starting System (LZ9)
B+ Bussing
Low Speed Serial Data
Power, Ground, Class 2 and High Speed Serial Data
G103, G104, and G105
G103, G104, and G105