GM Service Manual Online
For 1990-2009 cars only
Makes
🢒
Chevrolet
🢒
2006
🢒
Malibu
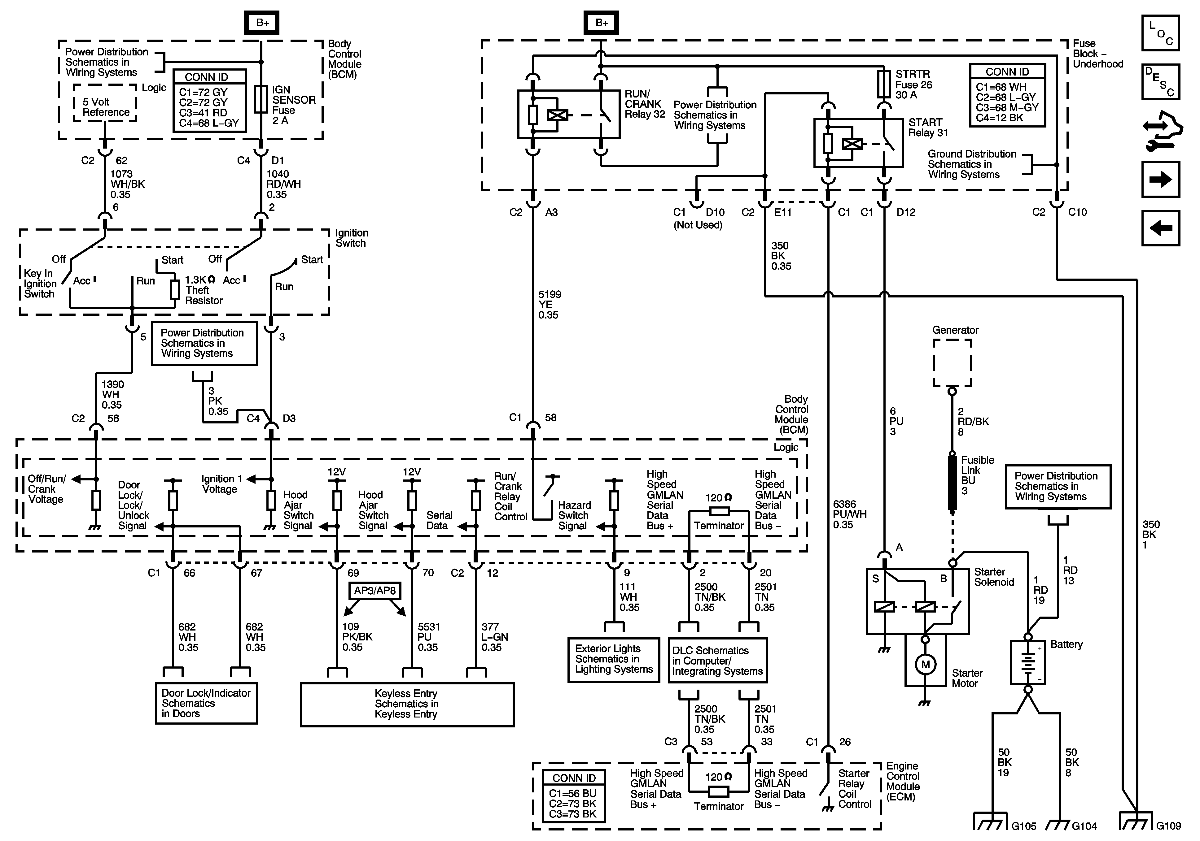
🢒 Starting System (LZ9)
Starting System (LZ9)
Starting System (LZ9)
Master Electrical Component List
Starting System Description and Operation
Control Module References
Charging System
Starting System (LX9/L61)
Underhood Fuse Block - IBCM 1, Body Control Module (BCM), AIR BAG (BATT), CLUSTER/THEFT, HVAC CTRL (BATT), IGN SENSOR, and RADIO Fuses
B+ Bussing
G109
B+ Bussing
Door Lock Switches
Keyless Entry Schematics
Ambient Light Sensor, Brake Pedal Position Sensor, Hazard Switch and Turn Signal/Multifunction Switch
Power, Ground, Class 2 and High Speed Serial Data
G103, G104, and G105
G103, G104, and G105
G109