GM Service Manual Online
For 1990-2009 cars only
Makes
🢒
Chevrolet
🢒
2006
🢒
Malibu
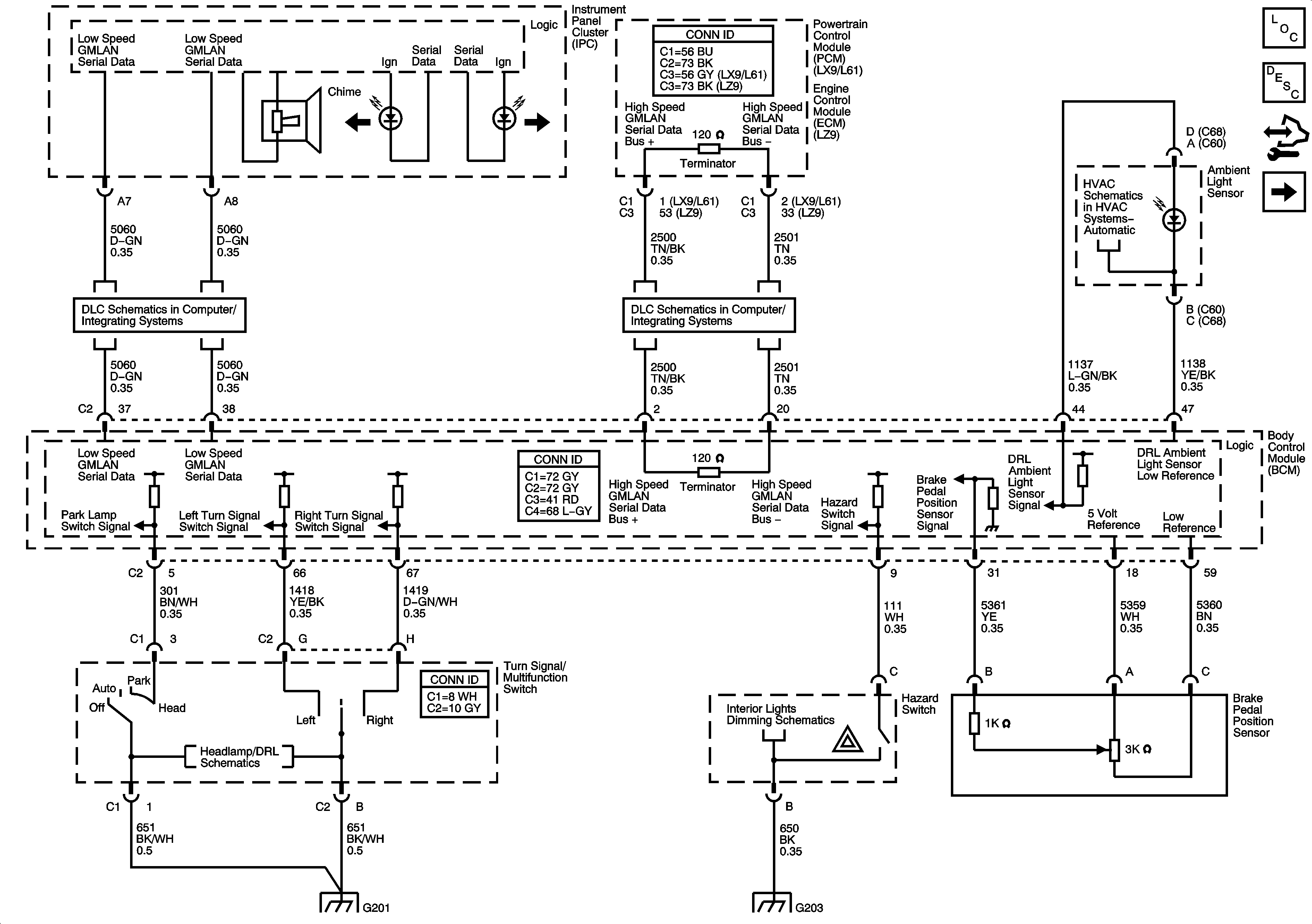
🢒 Ambient Light Sensor,Brake Pedal Position Sensor, Hazard Switch and Turn Signal/Multifunction Switch
Ambient Light Sensor,Brake Pedal Position Sensor, Hazard Switch and Turn Signal/Multifunction Switch
Ambient Light Sensor, Brake Pedal Position Sensor, Hazard Switch and Turn Signal/Multifunction Switch
Master Electrical Component List
Exterior Lighting Systems Description and Operation
Control Module References
Turn Signals and Stop Lamps
Low Speed Serial Data
Power, Ground, Class 2 and High Speed Serial Data
Mode and Air Temperature Controls
Headlights/Daytime Running Lights (DRL) Schematics
G201
G203