GM Service Manual Online
For 1990-2009 cars only
Makes
🢒
Chevrolet
🢒
2006
🢒
Malibu
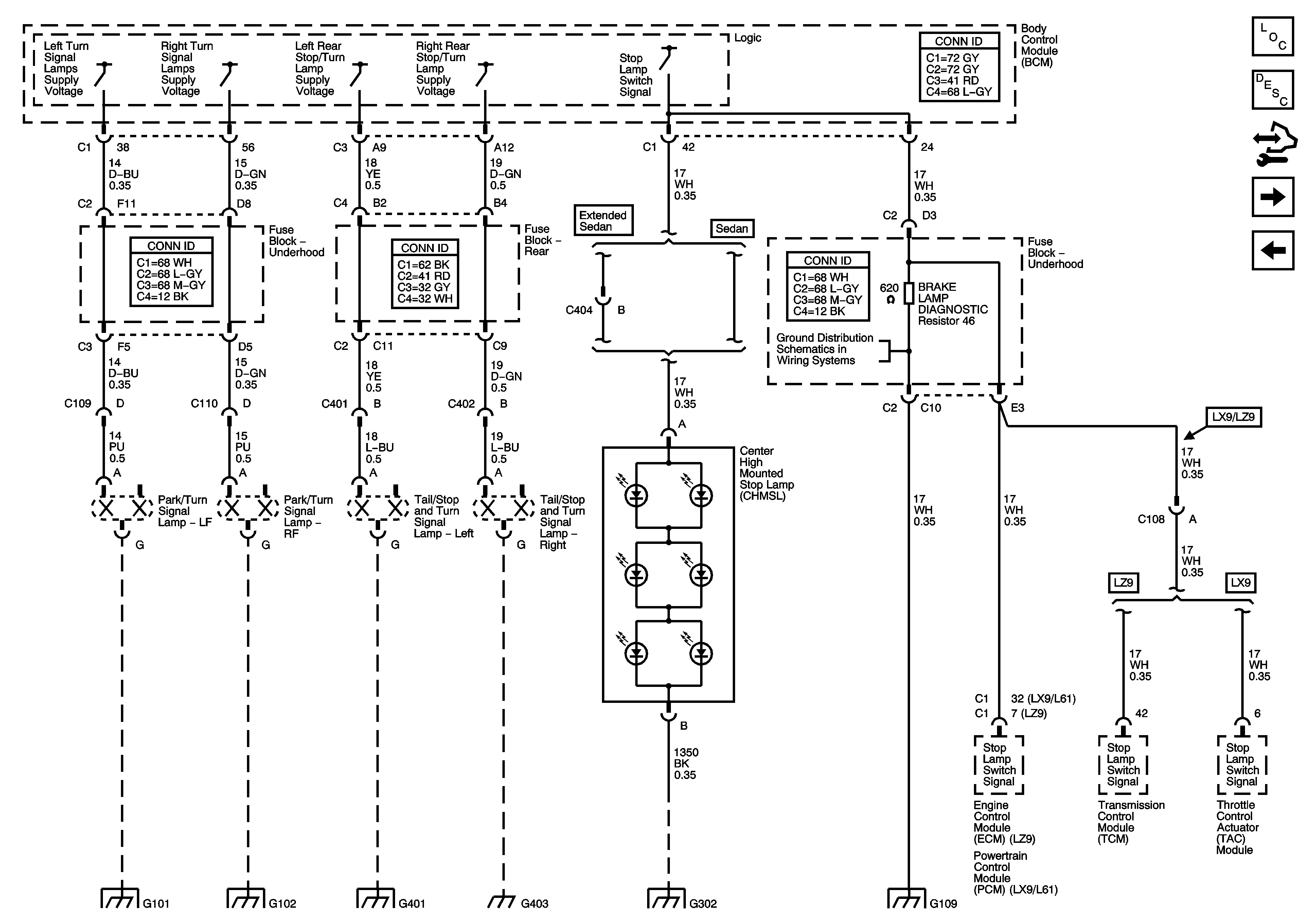
🢒 Turn Signals and Stop Lamps
Turn Signals and Stop Lamps
Turn Signals and Stop Lamps
Master Electrical Component List
Exterior Lighting Systems Description and Operation
Control Module References
Park Lamps
Ambient Light Sensor, Brake Pedal Position Sensor, Hazard Switch and Turn Signal/Multifunction Switch
Electronic Throttle Controls
G101 and G102
G401 and G403
G302
G101 and G102
G101 and G102
G401 and G403
G401 and G403
G302
G109