GM Service Manual Online
For 1990-2009 cars only
Makes
🢒
Chevrolet
🢒
2006
🢒
Malibu
🢒 Electronic Throttle Controls
Electronic Throttle Controls
Engine Data Sensors - Electronic Throttle Controls
Master Electrical Component List
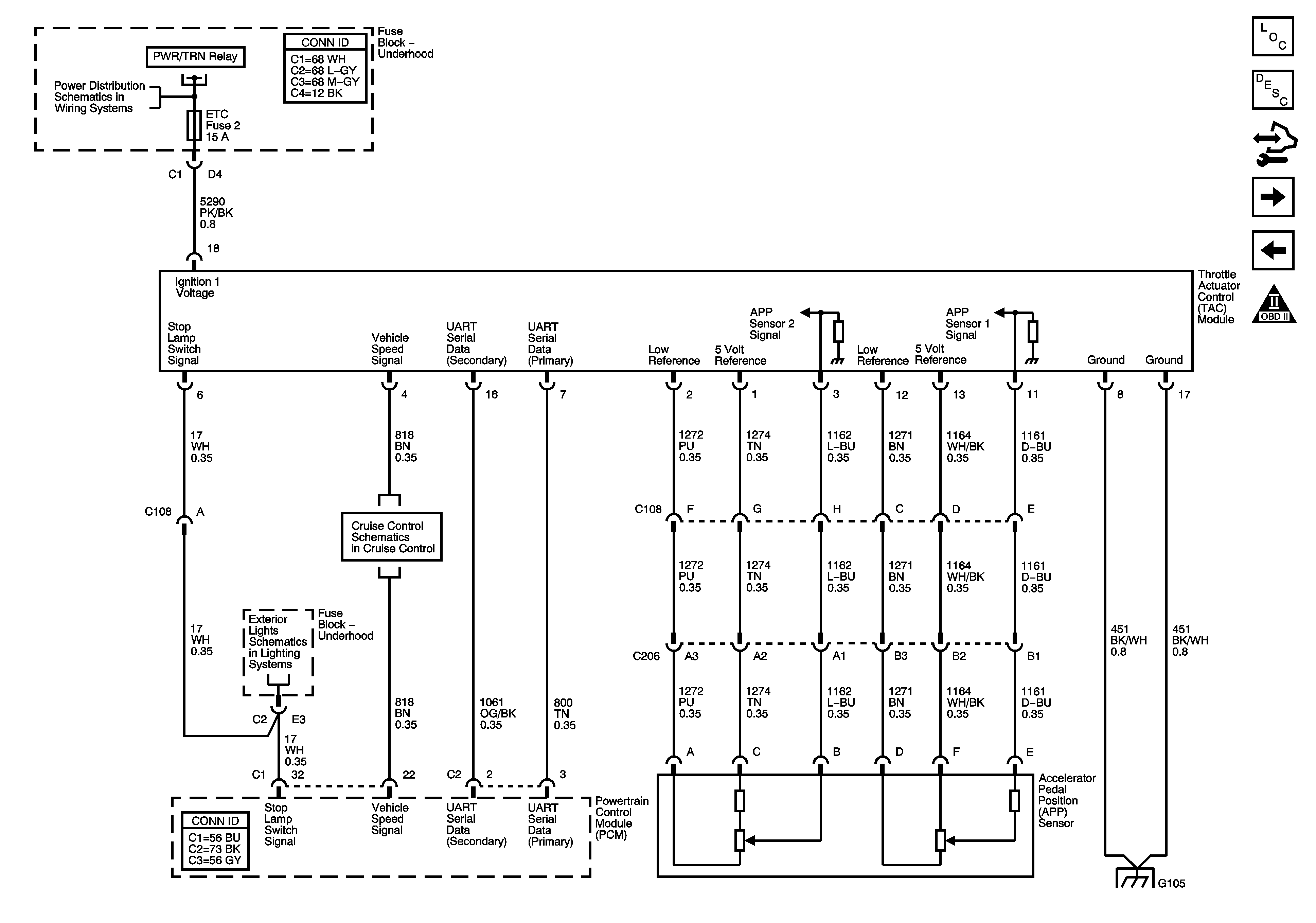
Throttle Actuator Control (TAC) System Description
Control Module References
Ignition System
Heated Oxygen Sensors
Engine Controls Schematic Icons
Underhood Fuse Block, A/C CLUTCH Relay, PWR/TRN Relay, A/C CLU, EMISSION 1, and ETC Fuses
Power, Ground, Serial Data and MIL
Brake Pedal Position Sensor and Stop Lamp Switch Signal
Turn Signals and Stop Lamps
G103, G104, and G105