GM Service Manual Online
For 1990-2009 cars only
Makes
🢒
Chevrolet
🢒
2006
🢒
Malibu
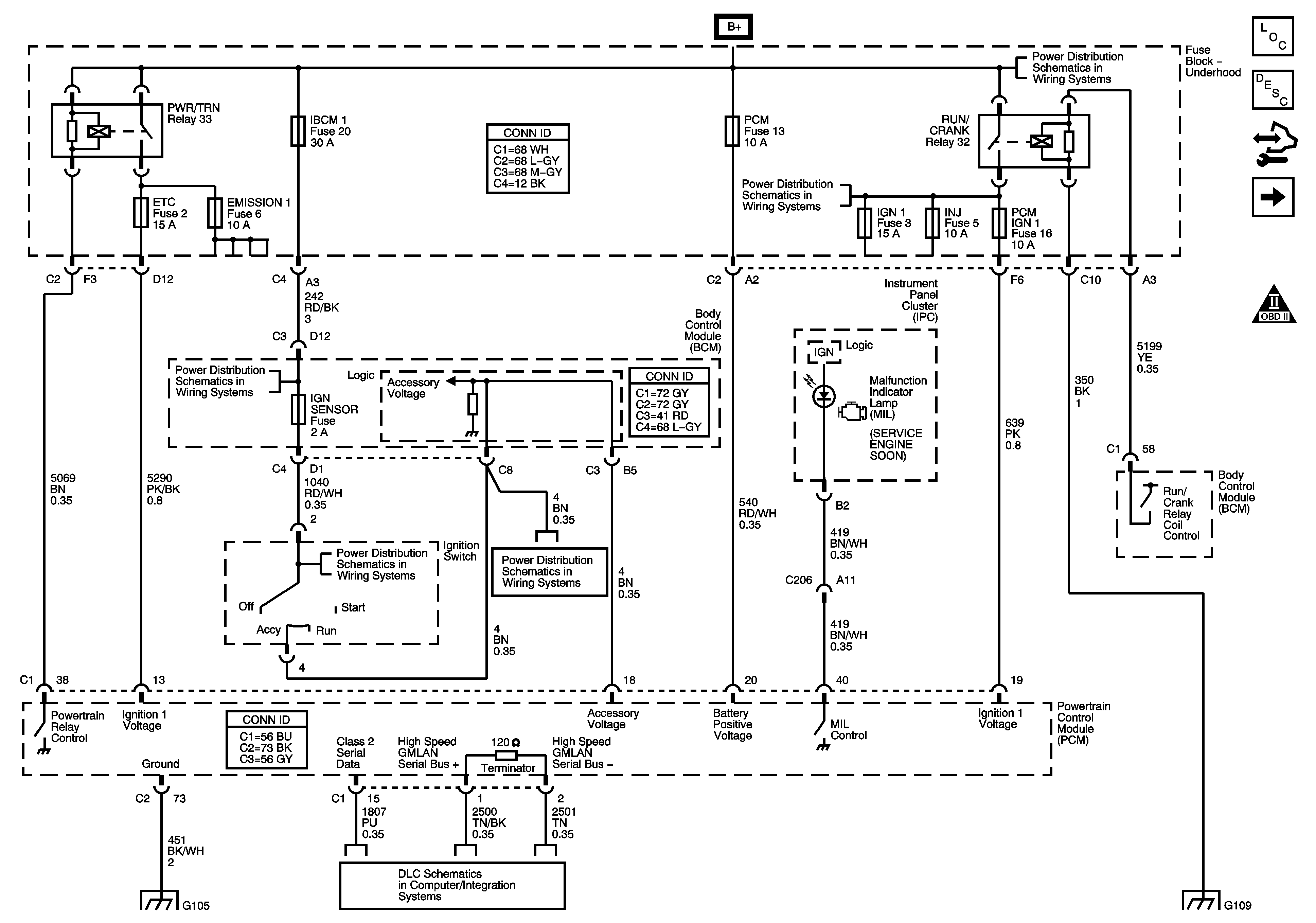
🢒 Power, Ground, Serial Data and MIL
Power, Ground, Serial Data and MIL
Power, Serial Data, and MIL
Master Electrical Component List
Powertrain Control Module Description
Control Module References
5-Volt and Low References
Engine Controls Schematic Icons
B+ Bussing
Underhood Fuse Block - IBCM 1, Body Control Module (BCM), AIR BAG (BATT), CLUSTER/THEFT, HVAC CTRL (BATT), IGN SENSOR, and RADIO Fuses
Underhood Fuse Block - IBCM 1, Body Control Module (BCM), AIR BAG (BATT), CLUSTER/THEFT, HVAC CTRL (BATT), IGN SENSOR, and RADIO Fuses
Underhood Fuse Block - IBCM 1, Body Control Module (BCM), AIR BAG (BATT), CLUSTER/THEFT, HVAC CTRL (BATT), IGN SENSOR, and RADIO Fuses
G103, G104, and G105
Power, Ground, Class 2 and High Speed Serial Data
G109