GM Service Manual Online
For 1990-2009 cars only
Makes
🢒
Chevrolet
🢒
2006
🢒
Malibu
🢒 Seats and Center Console
Seats and Center Console
Seats and Center Console
Master Electrical Component List
Interior Lighting Systems Description and Operation
Control Module References
Switches
Switches
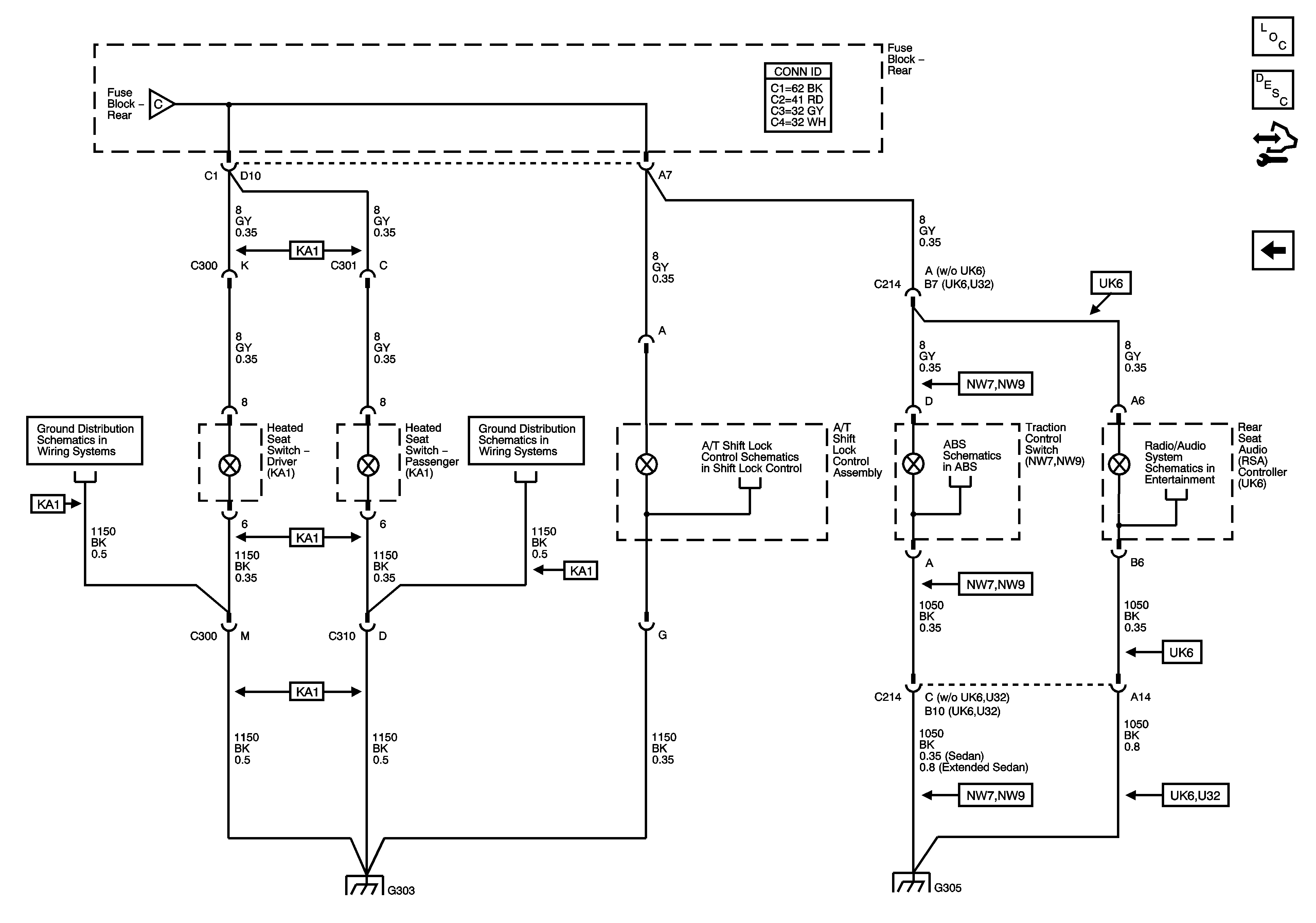
G303
G303
A/T Shift Lock Control Schematics
G304 and G305
Rear Seat Audio (RSA) Controller
G303
G304 and G305