GM Service Manual Online
For 1990-2009 cars only
Makes
🢒
Chevrolet
🢒
2006
🢒
Malibu
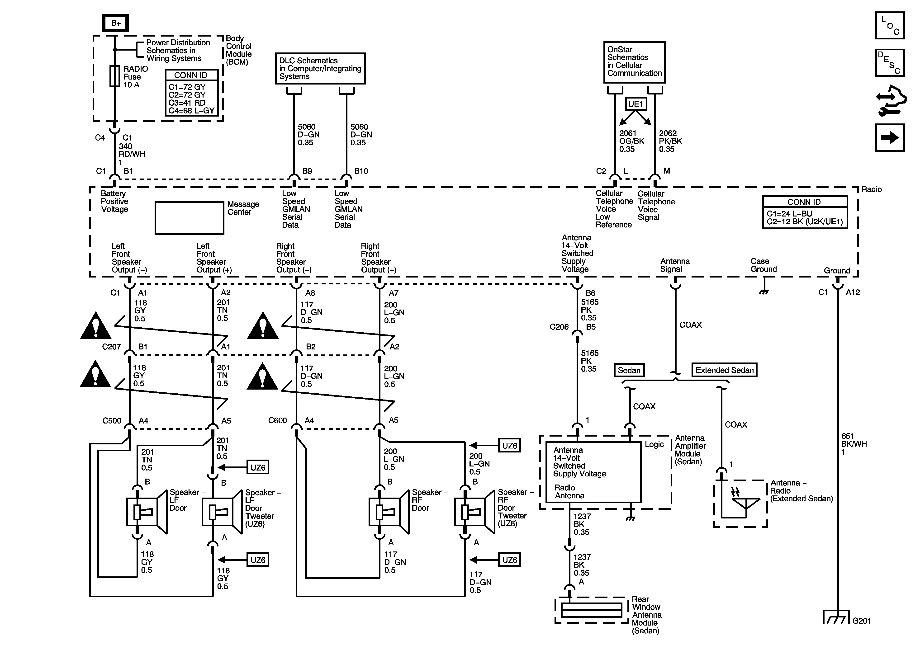
🢒 Radio Power, Ground, Front Speakers, Antenna and References
Radio Power, Ground, Front Speakers, Antenna and References
Radio Power, Ground, Front Speakers, Antenna and References
Master Electrical Component List
Radio/Audio System Description and Operation
Control Module References
Rear Speakers w/o UK6, U32, or U2K
Underhood Fuse Block - IBCM 1, Body Control Module (BCM), AIR BAG (BATT), CLUSTER/THEFT, HVAC CTRL (BATT), IGN SENSOR, and RADIO Fuses
Low Speed Serial Data
Steering Wheel Control Schematics
OnStar Schematics
Entertainment Schematic Icons
Entertainment Schematic Icons
Entertainment Schematic Icons
Entertainment Schematic Icons
Headlights/Daytime Running Lights (DRL) Schematics