GM Service Manual Online
For 1990-2009 cars only
Figure 1:

Power, Ground, Serial Data and MIL


Object Number: 1786549  Size: FS
Master Electrical Component List
Engine Control Module Description
Control Module References
5-Volt and Low References
Underhood Fuse Block IBCM 1, Body Control Module (BCM) AIRBAG (BATT), CLUSTER/THEFT, HVAC CTRL (BATT), IGN SENSOR and RADIO Fuses
Underhood Fuse Block IBCM 1, Body Control Module (BCM) AIRBAG (BATT), CLUSTER/THEFT, HVAC CTRL (BATT), IGN SENSOR and RADIO Fuses
Underhood Fuse Block IBCM 1, Body Control Module (BCM) AIRBAG (BATT), CLUSTER/THEFT, HVAC CTRL (BATT), IGN SENSOR and RADIO Fuses
G103, G104 and G105
Power, Ground and High Speed Serial Data
Underhood Fuse Block RUN/CRANK Relay, ABS, IGN 1, INJ, ECM IGN 1 and TRANS Fuses
Underhood Fuse Block RUN/CRANK Relay, ABS, IGN 1, INJ, ECM IGN 1 and TRANS Fuses
G109
Figure 2:

5-Volt and Low References


Object Number: 1786554  Size: FS
Master Electrical Component List
Engine Control Module Description
Control Module References
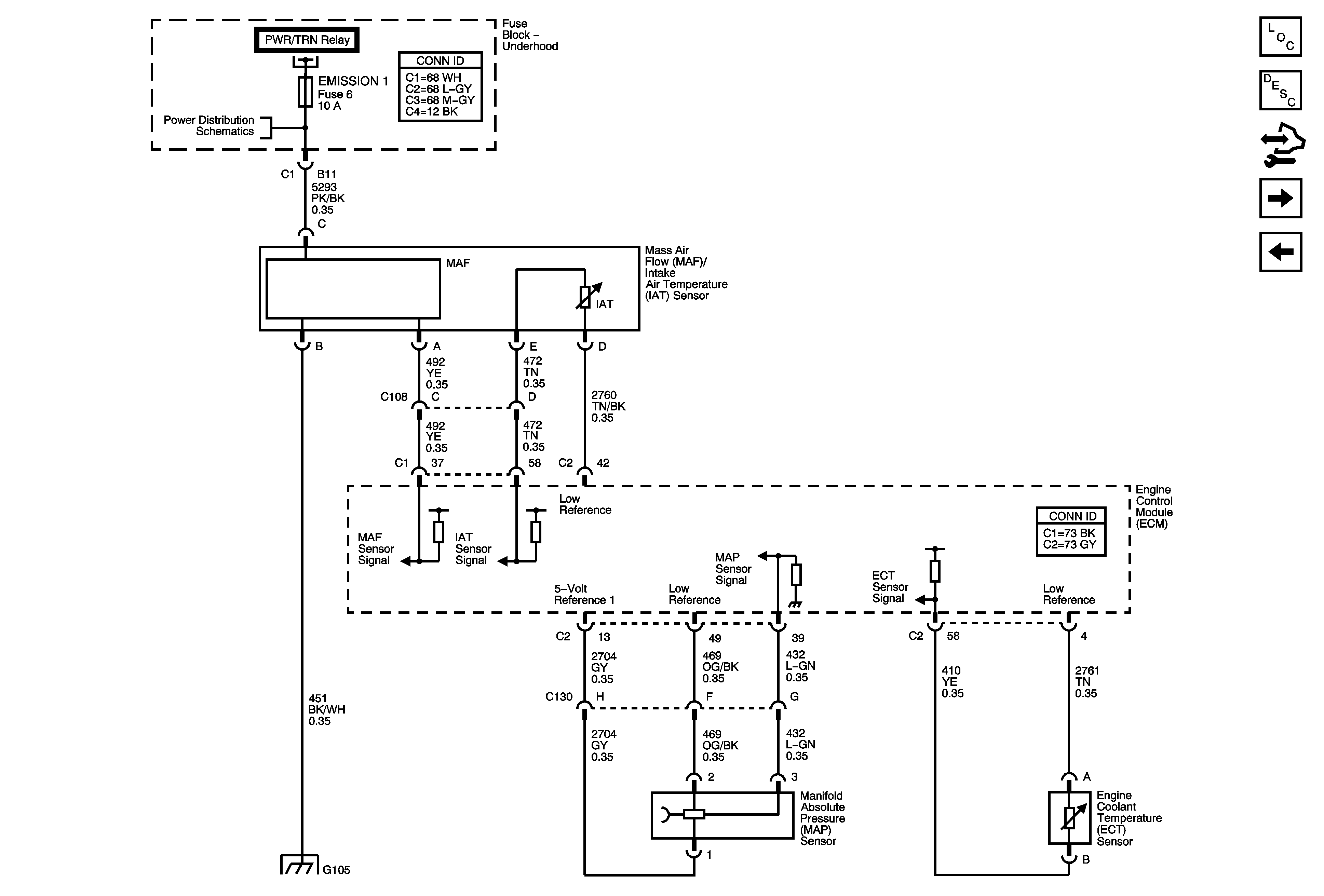
ECT and MAP Sensors
Power, Ground, Serial Data and MIL
Figure 3:

ECT and MAP Sensors


Object Number: 1786556  Size: FS
Master Electrical Component List
Engine Control Module Description
Control Module References
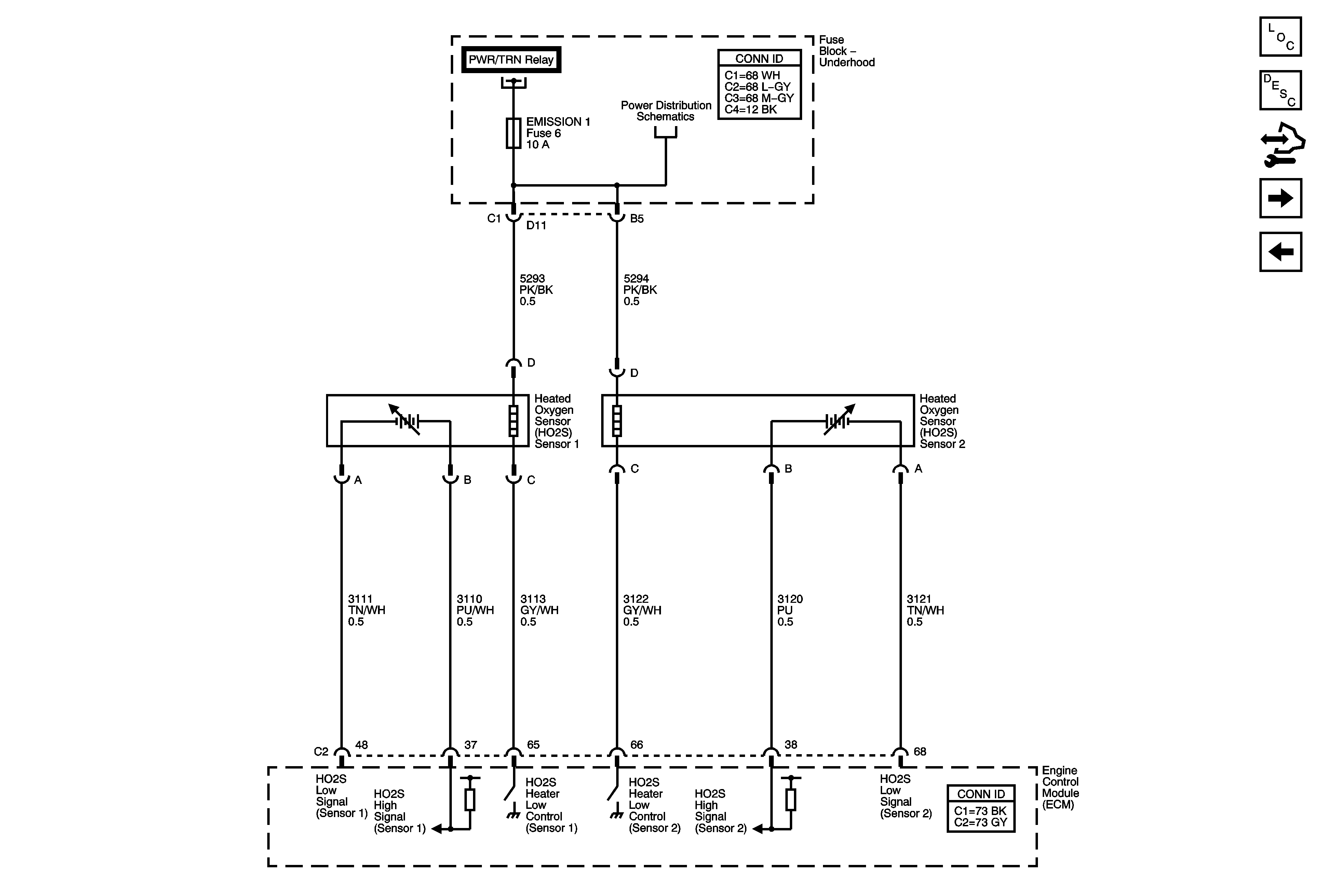
Heated Oxygen Sensors
5-Volt and Low References
Figure 4:

Heated Oxygen Sensors


Object Number: 1786560  Size: FS
Master Electrical Component List
Engine Control Module Description
Control Module References
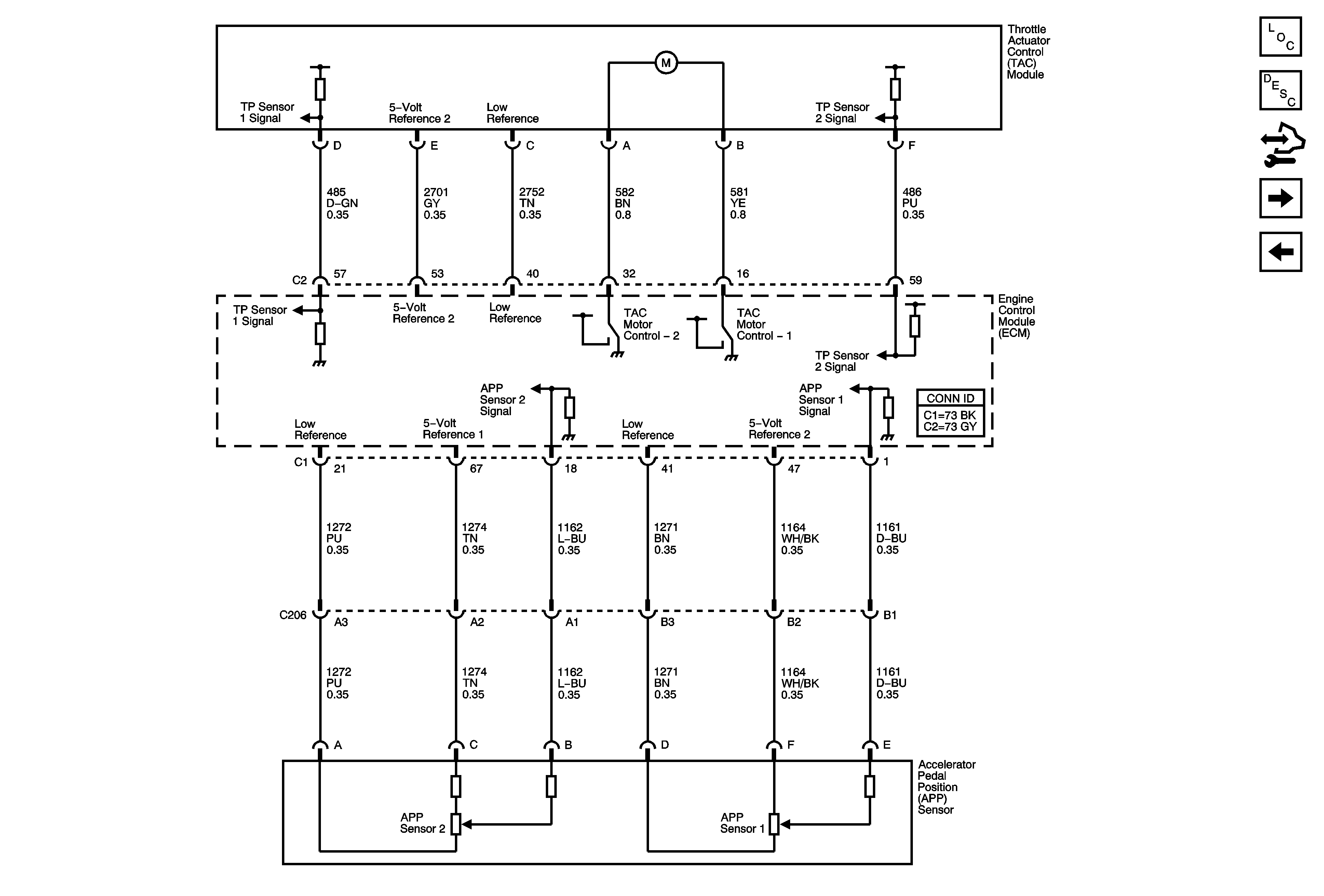
Electronic Throttle Controls
ECT and MAP Sensors
Underhood Fuse Block A/C CLUTCH and PWR/TRN Relays, A/C CLU, EMISSION 1, ETC and INJ Fuses
Figure 5:

Electronic Throttle Controls


Object Number: 1786564  Size: FS
Master Electrical Component List
Throttle Actuator Control (TAC) System Description
Control Module References
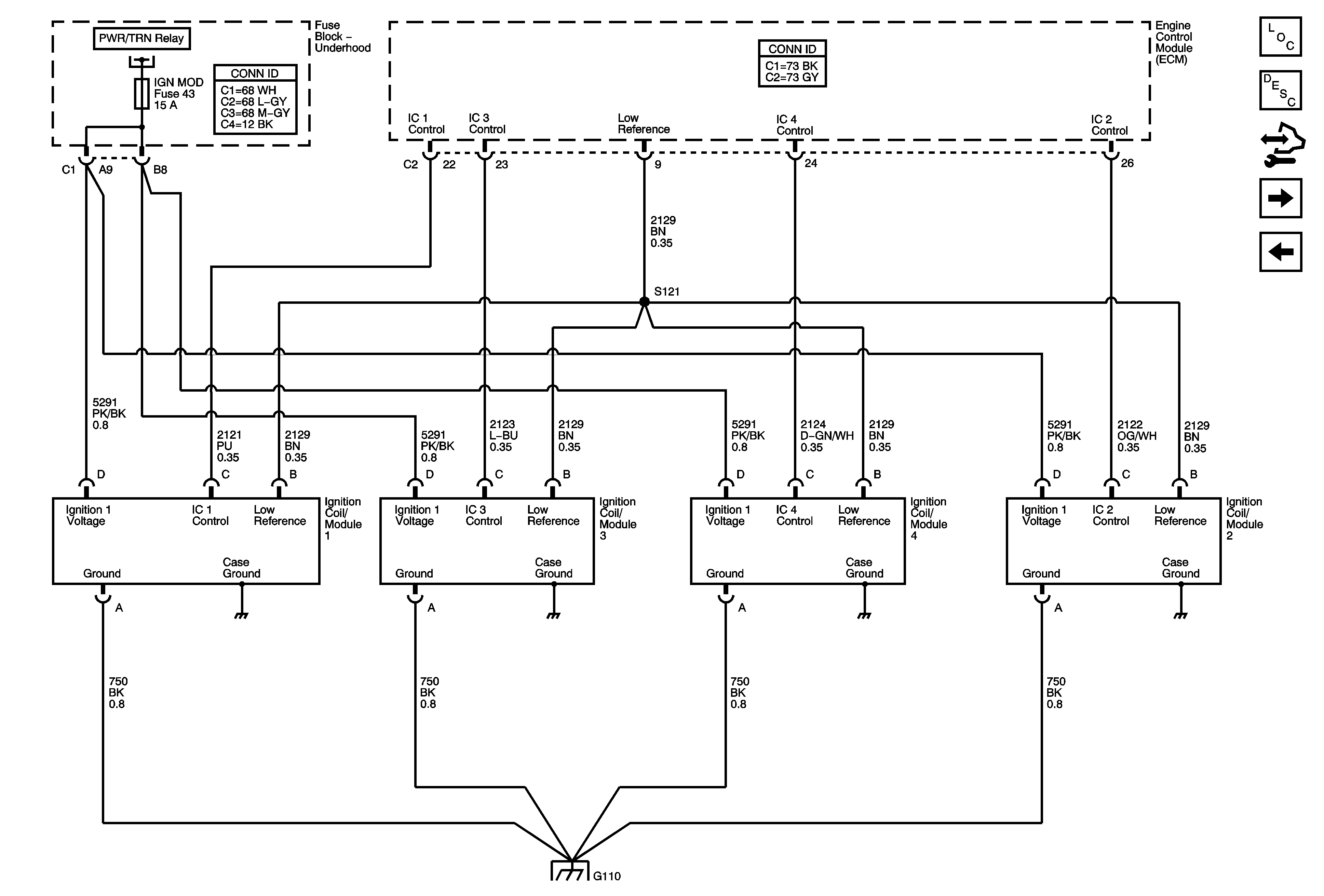
Ignition Coils/Modules
Heated Oxygen Sensors
Figure 6:

Ignition Coils/Modules


Object Number: 1786569  Size: FS
Master Electrical Component List
Electronic Ignition (EI) System Description
Control Module References
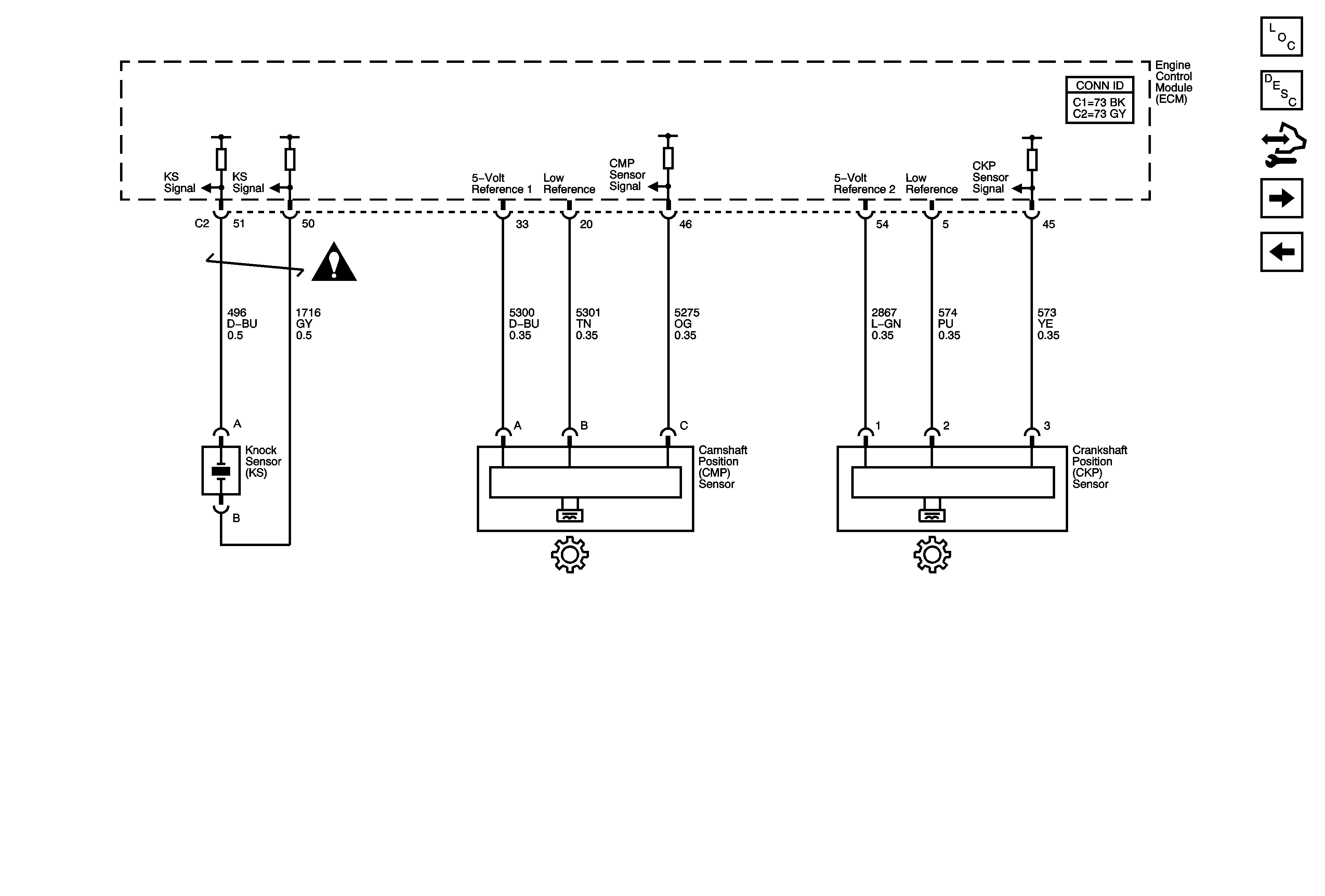
07 Z Car CMP, CKP and KS Sensors
Electronic Throttle Controls
Figure 7:

CMP, CKP and KS Sensors


Object Number: 1823050  Size: FS
Master Electrical Component List
Knock Sensor (KS) System Description
Control Module References
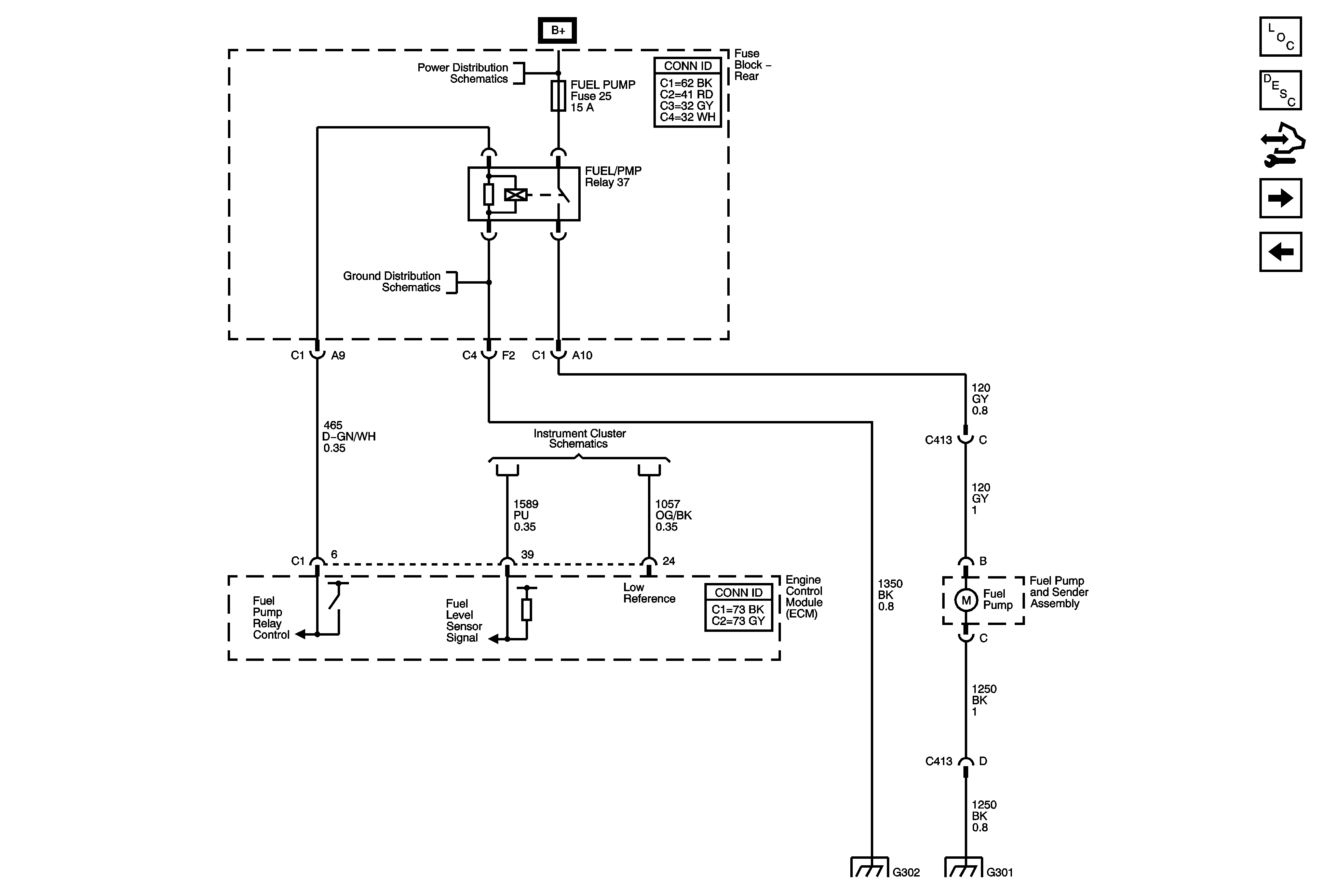
Fuel Pump Controls
Ignition Coils/Modules
Engine Controls Schematic Icons
Figure 8:

Fuel Pump Controls


Object Number: 1786574  Size: FS
Master Electrical Component List
Fuel System Description
Control Module References
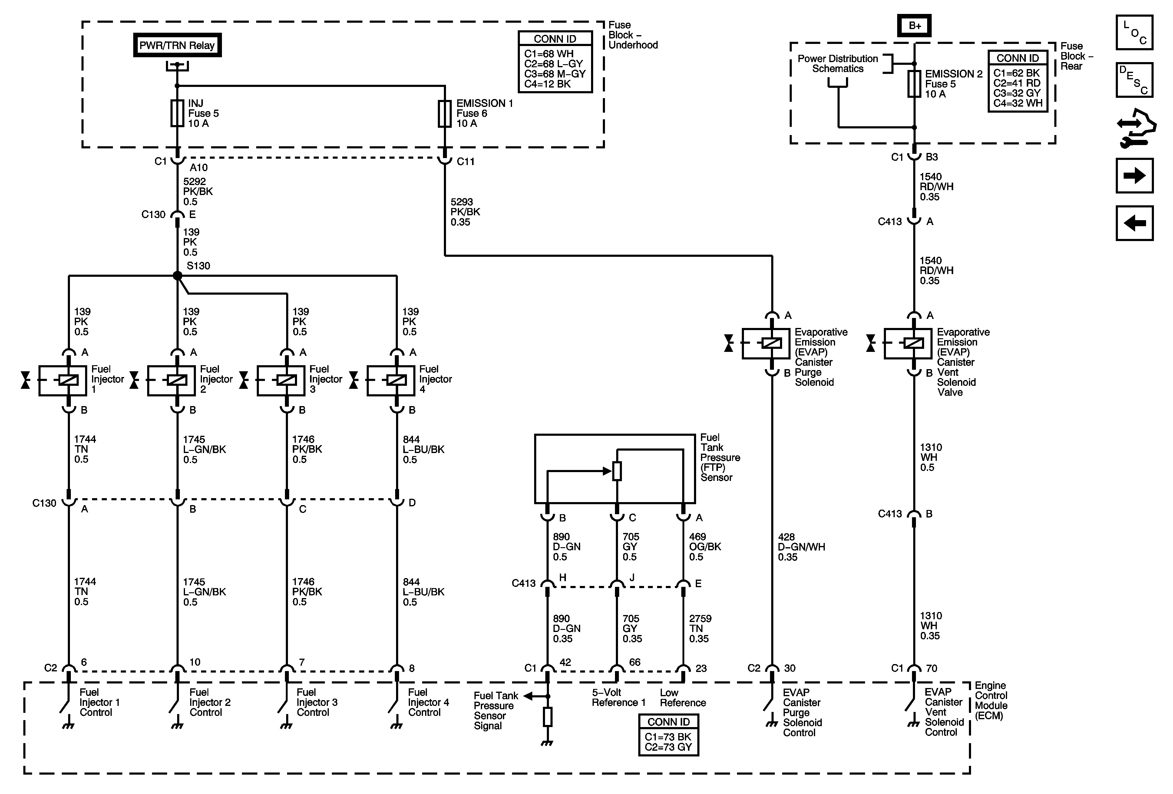
EVAP Controls, Fuel Injectors and FTP Sensor
07 Z Car CMP, CKP and KS Sensors
Underhood Fuse Block RBEC 2, RUN RLY, Body Control Module (BCM), HVAC BLOWER HIGH Relay, RUN Relay, HVAC BLOWER, HVAC CTRL (IGN) Rear Fuse Block FUEL/PMP Relay, PARK LP Relay, TRUNK Relay, DRV ST
G302
Indicators
G302
G301
Figure 9:

EVAP Controls, Fuel Injectors and FTP Sensor


Object Number: 1786578  Size: FS
Master Electrical Component List
Evaporative Emission Control System Description
Control Module References
Controlled/Monitored Subsystem References
Fuel Pump Controls
Underhood Fuse Block A/C CLUTCH and PWR/TRN Relays, A/C CLU, EMISSION 1, ETC and INJ Fuses
Underhood Fuse Block A/C CLUTCH and PWR/TRN Relays, A/C CLU, EMISSION 1, ETC and INJ Fuses
Figure 10:

Controlled/Monitored Subsystem References


Object Number: 1786581  Size: FS
Master Electrical Component List
Engine Control Module Description
Control Module References
EVAP Controls, Fuel Injectors and FTP Sensor
Compressor Controls
Compressor Controls
Turn Signals and Stop Lamps
Starting System
Charging System
Indicators
Cooling Fans