GM Service Manual Online
For 1990-2009 cars only
Makes
🢒
Chevrolet
🢒
2007
🢒
Malibu
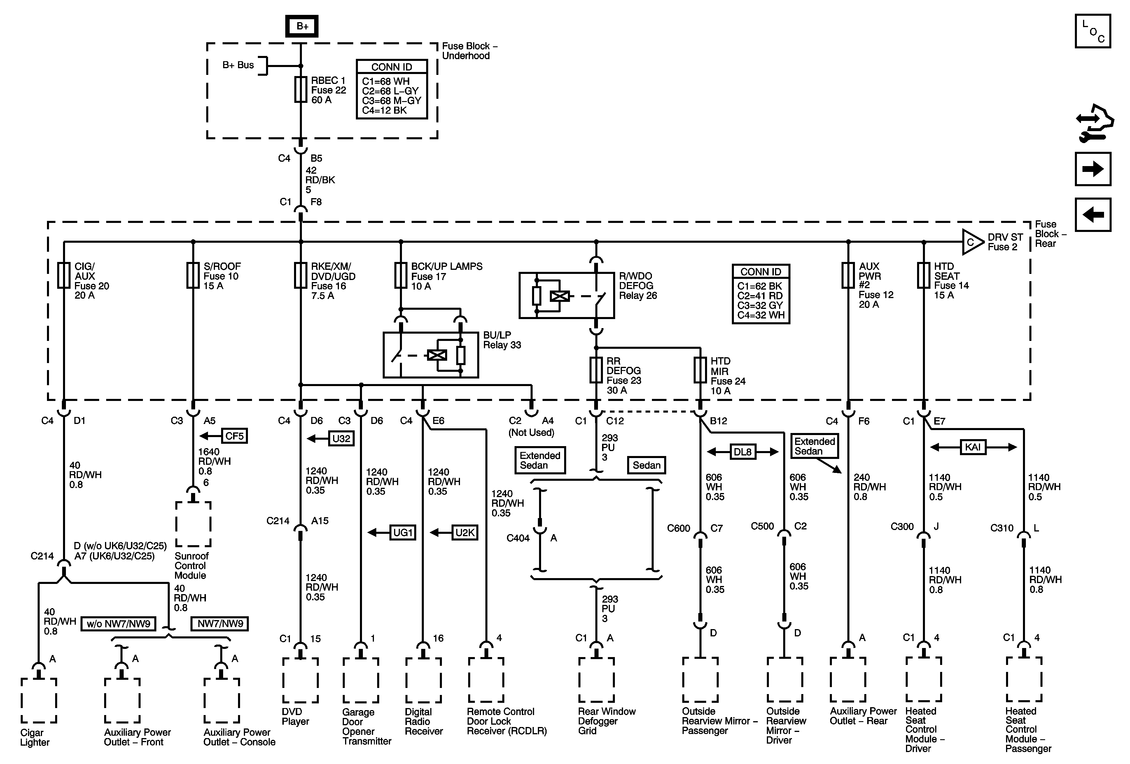
🢒 Underhood Fuse Block RBEC 1 and Rear Fuse Block AUX #2, BCK/UP LAMPS, CIG/AUX, HTD MIR, HTD SEAT, RKE/XM/DVD/UGD, RR DEFOG and S/ROOF Fuses
Underhood Fuse Block RBEC 1 and Rear Fuse Block AUX #2, BCK/UP LAMPS, CIG/AUX, HTD MIR, HTD SEAT, RKE/XM/DVD/UGD, RR DEFOG and S/ROOF Fuses
Underhood Fuse Block RBEC 1 and Rear Fuse Block AUX PWR #2, BCK/UP LAMPS, CIG/AUX, HTD MIR, HTD SEAT, RKE/XM/DVD/UGD RR DEFOG and S/ROOF Fuses
Master Electrical Component List
Control Module References
Underhood Fuse Block RBEC 2, RUN RLY, Body Control Module (BCM), HVAC BLOWER HIGH Relay, RUN Relay, HVAC BLOWER, HVAC CTRL (IGN) Rear Fuse Block FUEL/PMP Relay, PARK LP Relay, TRUNK Relay, DRV ST
Underhood Fuse Block IBCM 1, Body Control Module (BCM) AIRBAG (BATT), CLUSTER/THEFT, HVAC CTRL (BATT), IGN SENSOR and RADIO Fuses
B+ Bus
Underhood Fuse Block RBEC 2, RUN RLY, Body Control Module (BCM), HVAC BLOWER HIGH Relay, RUN Relay, HVAC BLOWER, HVAC CTRL (IGN) Rear Fuse Block FUEL/PMP Relay, PARK LP Relay, TRUNK Relay, DRV ST