GM Service Manual Online
For 1990-2009 cars only
Makes
🢒
Chevrolet
🢒
2007
🢒
Malibu
🢒 Extended Sedan
Extended Sedan
Extended Sedan
Master Electrical Component List
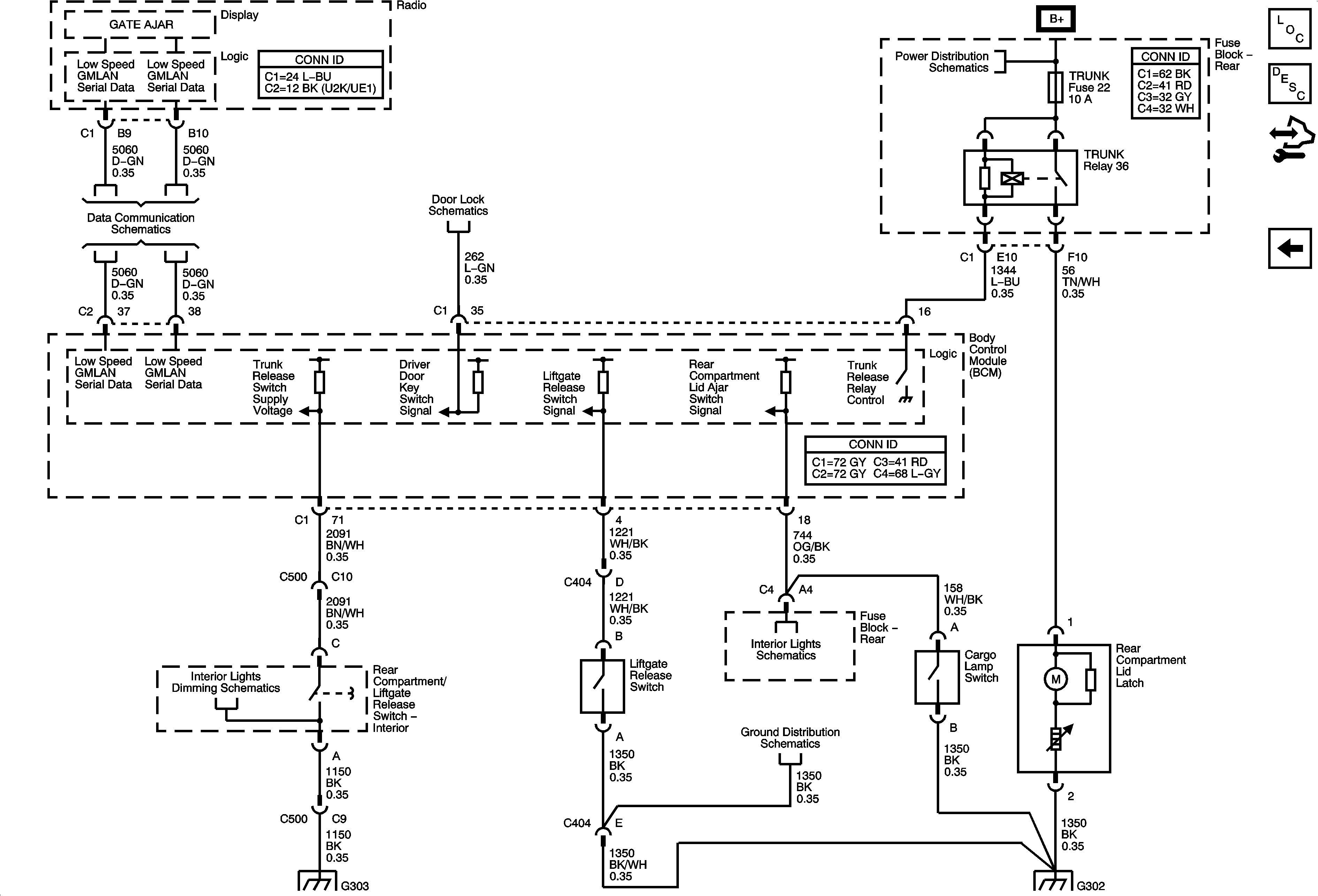
Luggage Compartment Description and Operation (Extended Sedan)
Control Module References
Sedan
Low Speed Serial Data
Door Lock Switches
Underhood Fuse Block RBEC 2, RUN RLY, Body Control Module (BCM), HVAC BLOWER HIGH Relay, RUN Relay, HVAC BLOWER, HVAC CTRL (IGN) Rear Fuse Block FUEL/PMP Relay, PARK LP Relay, TRUNK Relay, DRV ST
Switches
G303
Outputs
G302
G302