GM Service Manual Online
For 1990-2009 cars only
Makes
🢒
Chevrolet
🢒
2007
🢒
Malibu
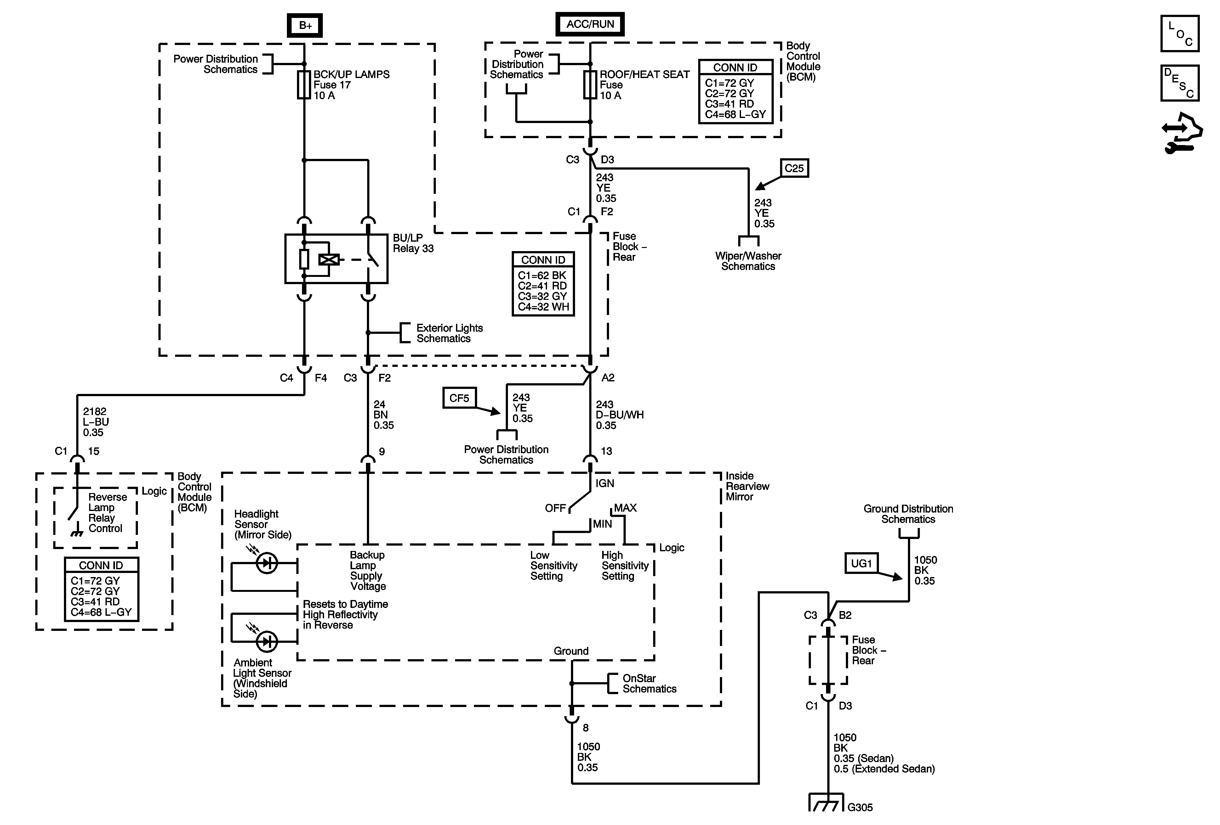
🢒 Inside Rearview Mirror Schematics
Inside Rearview Mirror Schematics
Master Electrical Component List
Automatic Day-Night Mirror Description and Operation
Control Module References
Underhood Fuse Block RBEC 1 and Rear Fuse Block AUX #2, BCK/UP LAMPS, CIG/AUX, HTD MIR, HTD SEAT, RKE/XM/DVD/UGD, RR DEFOG and S/ROOF Fuses
Underhood Fuse Block IBCM 2, Body Control Module (BCM), ACCESSORY Relay, DOOR LOCK, INTERIOR LIGHTS, POWER WINDOWS, REAR WIPER, ROOF/HEAT SEAT and WIPER SW Fuses
Backup Lamps and License Lamps
Rear Wiper and Front/Rear Washers (C25)
Underhood Fuse Block IBCM 2, Body Control Module (BCM), ACCESSORY Relay, DOOR LOCK, INTERIOR LIGHTS, POWER WINDOWS, REAR WIPER, ROOF/HEAT SEAT and WIPER SW Fuses
OnStar Schematics
G304 and G305
G304 and G305