GM Service Manual Online
For 1990-2009 cars only
Makes
🢒
Chevrolet
🢒
2007
🢒
Malibu
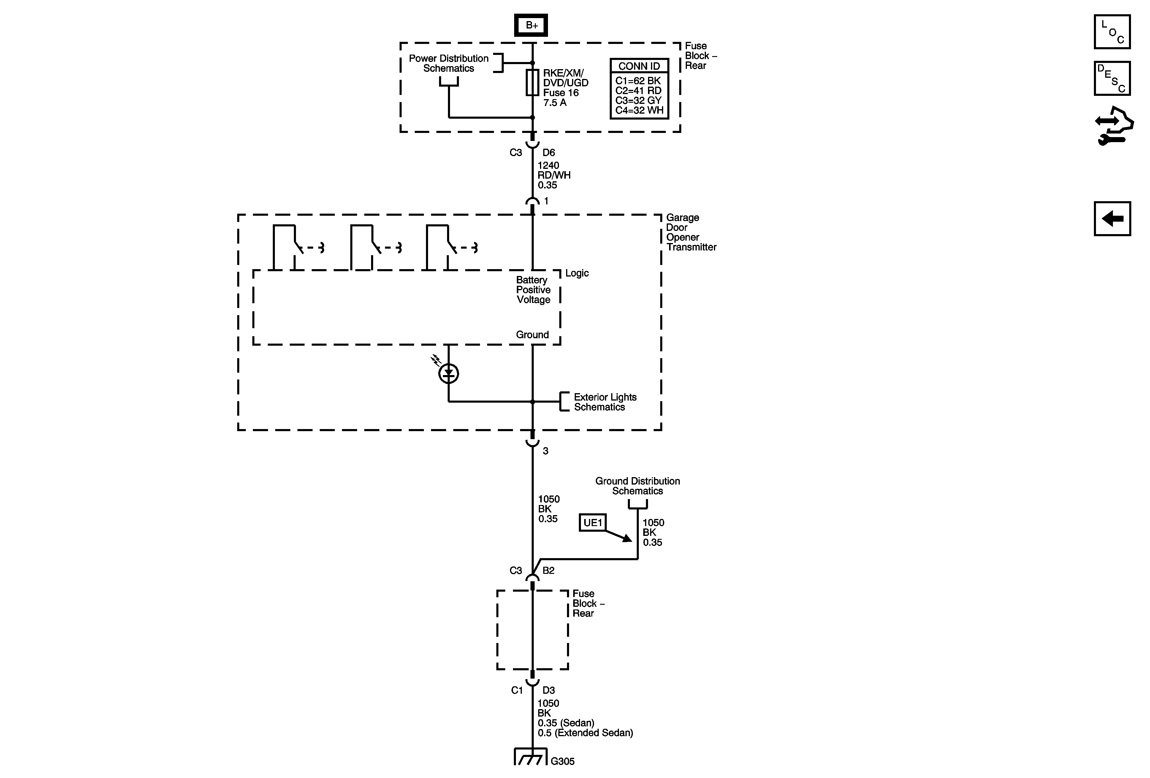
🢒 Universal Garage Door Opener
Universal Garage Door Opener
Universal Garage Door Opener
Master Electrical Component List
Garage Door Opener Description and Operation (One LED)
Control Module References
Keyless Entry
Underhood Fuse Block RBEC 1 and Rear Fuse Block AUX #2, BCK/UP LAMPS, CIG/AUX, HTD MIR, HTD SEAT, RKE/XM/DVD/UGD, RR DEFOG and S/ROOF Fuses
Backup Lamps and License Lamps
G304 and G305
G304 and G305