GM Service Manual Online
For 1990-2009 cars only
Figure 1:

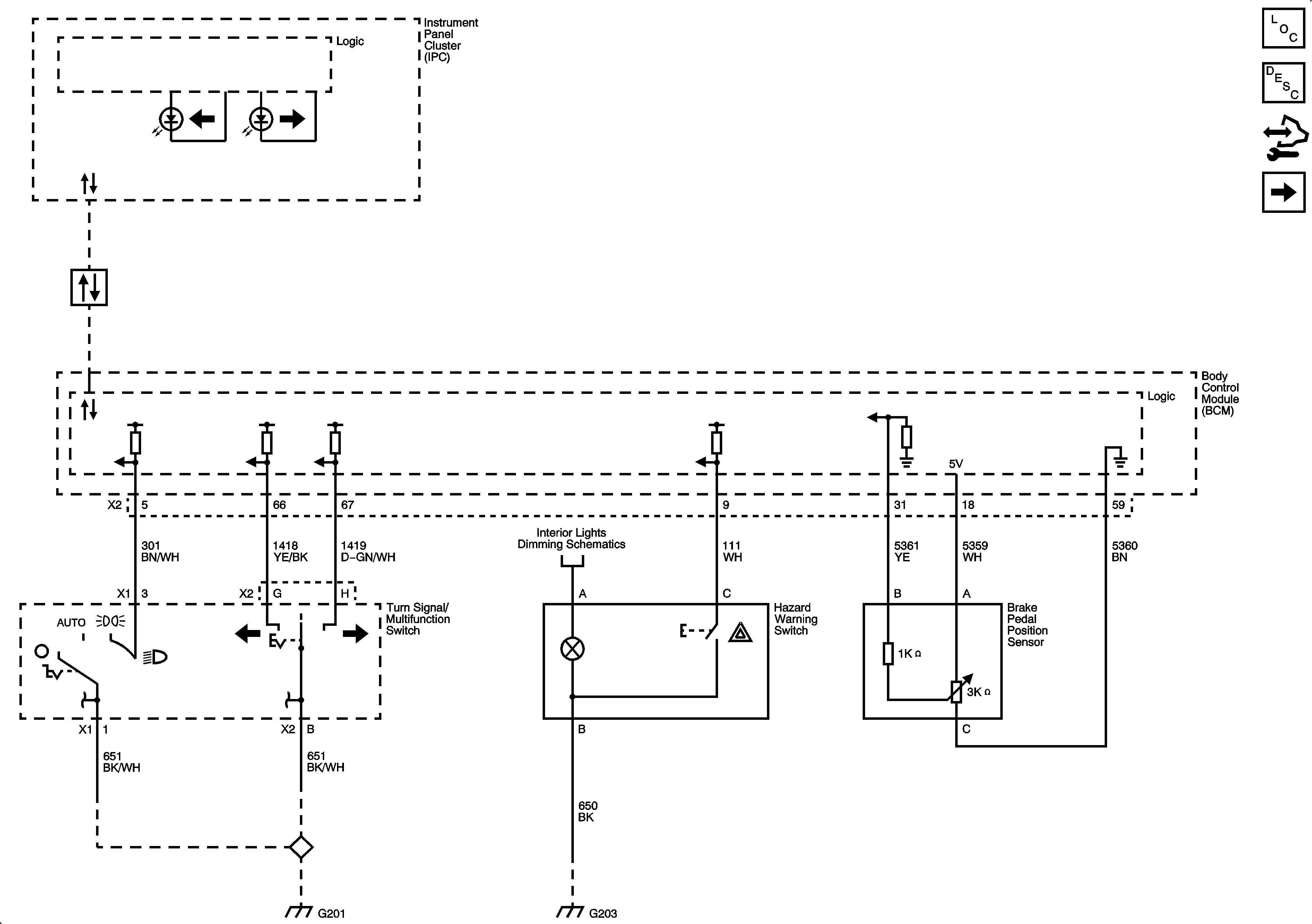
Brake Pedal Position Sensor, Hazard Switch, and Turn Signal/Multifunction Switch


Object Number: 1979773  Size: FS
Master Electrical Component List
Exterior Lighting Systems Description and Operation
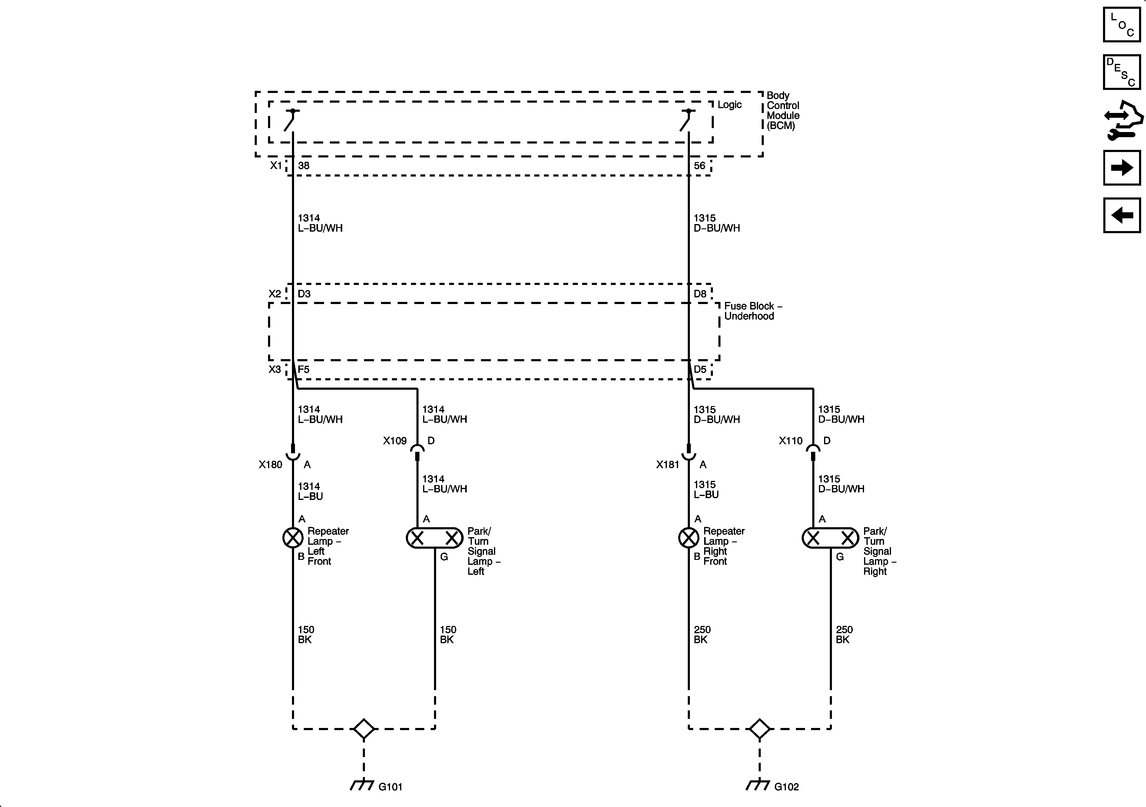
Front Turn Lamps
Figure 2:

Front Turn Lamps


Object Number: 1982226  Size: FS
Master Electrical Component List
Exterior Lighting Systems Description and Operation
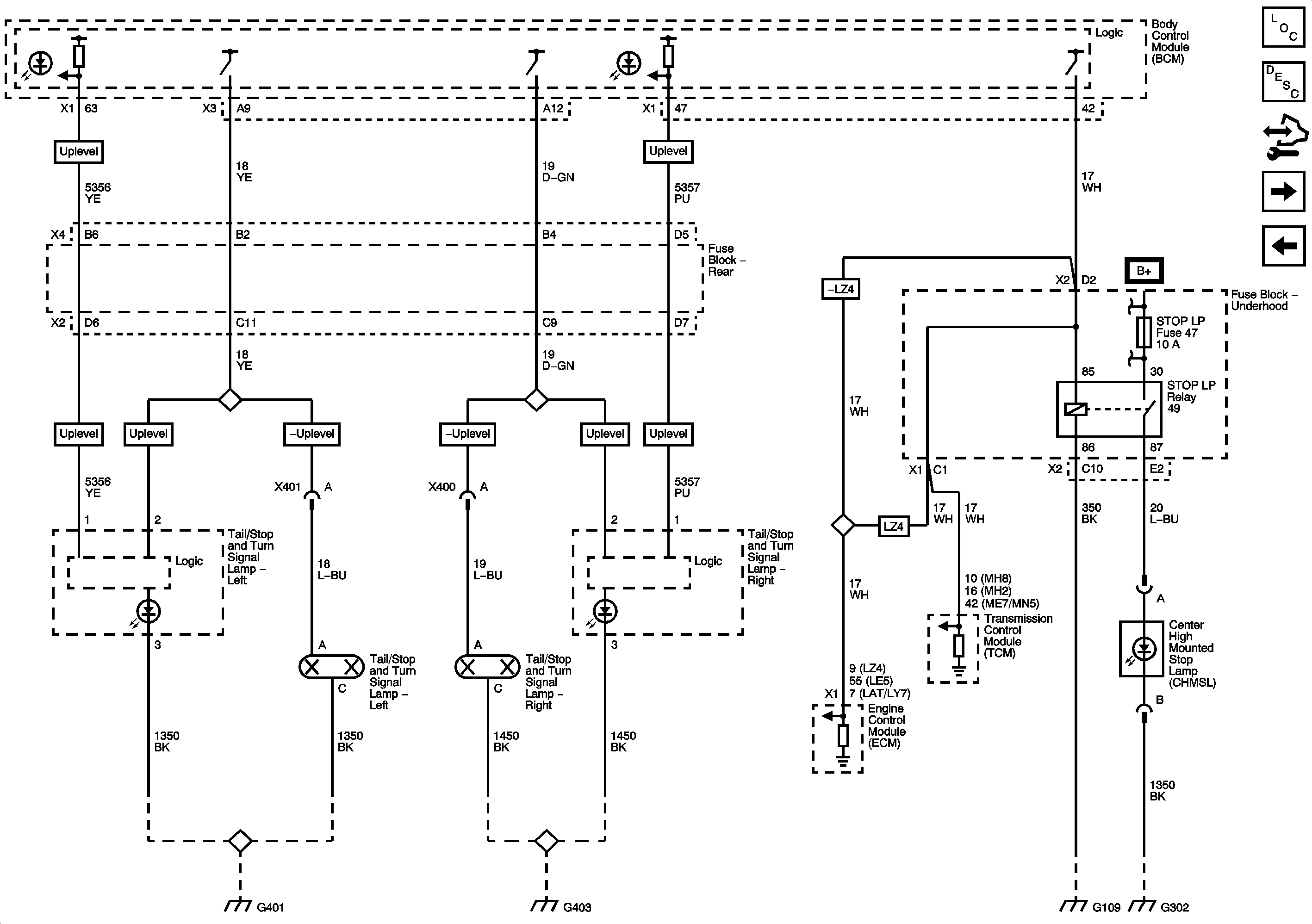
Rear Stop/Turn Lamps
Brake Pedal Position Sensor, Hazard Switch, and Turn Signal/Multifunction Switch
Figure 3:

Rear Stop/Turn Lamps


Object Number: 1979778  Size: FS
Master Electrical Component List
Exterior Lighting Systems Description and Operation
Park Lamps
Front Turn Lamps
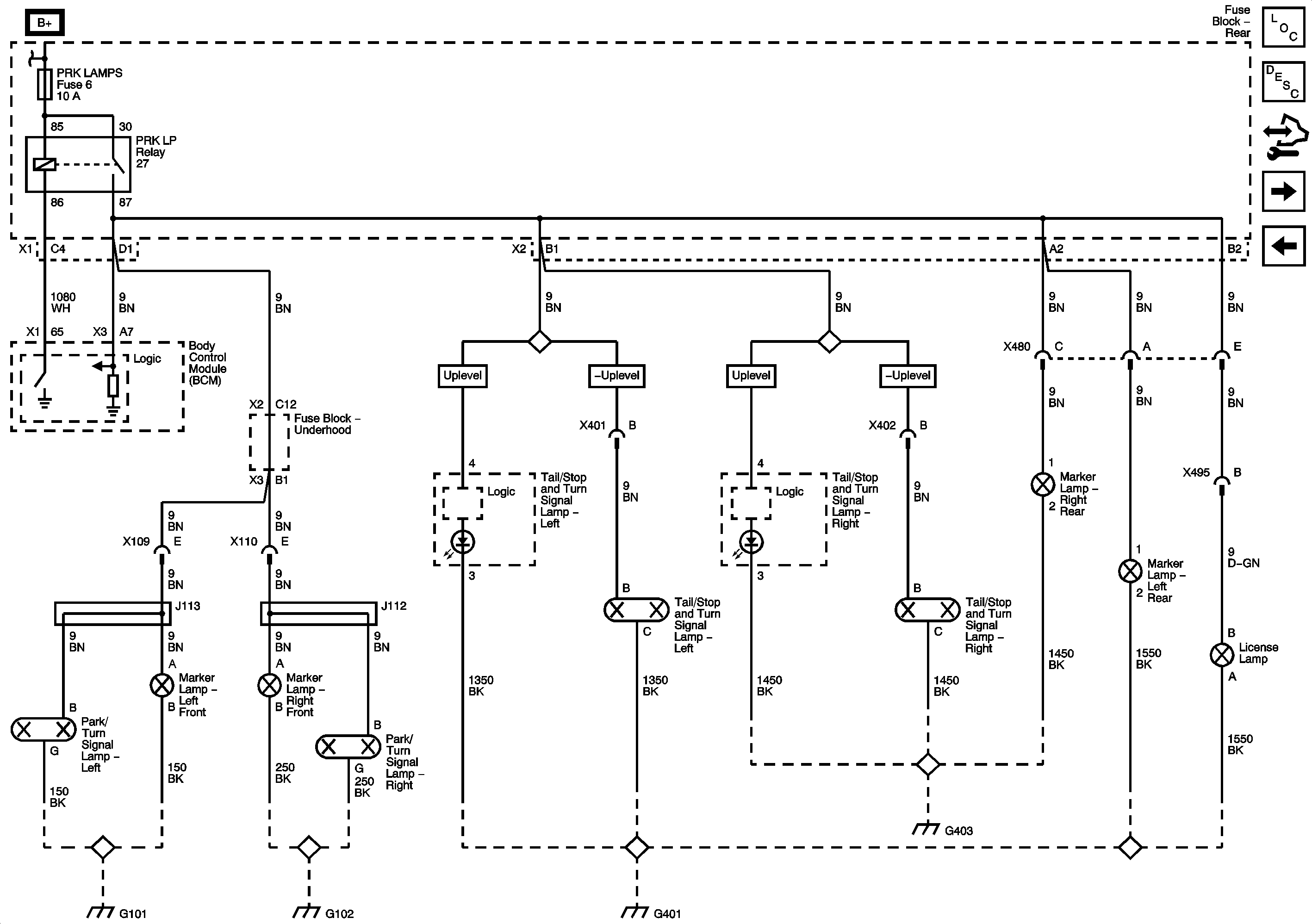
Figure 4:

Park, Marker and License Lamps


Object Number: 1979779  Size: FS
Master Electrical Component List
Exterior Lighting Systems Description and Operation
Marker and License Lamps
Rear Stop/Turn Lamps
Figure 5:

Backup Lamps


Object Number: 1979783  Size: FS
Master Electrical Component List
Exterior Lighting Systems Description and Operation
Marker and License Lamps