GM Service Manual Online
For 1990-2009 cars only
Makes
🢒
Chevrolet
🢒
2008
🢒
Malibu Classic
🢒
Diagnostic Navigation
🢒
Vehicle Diagnostic Information
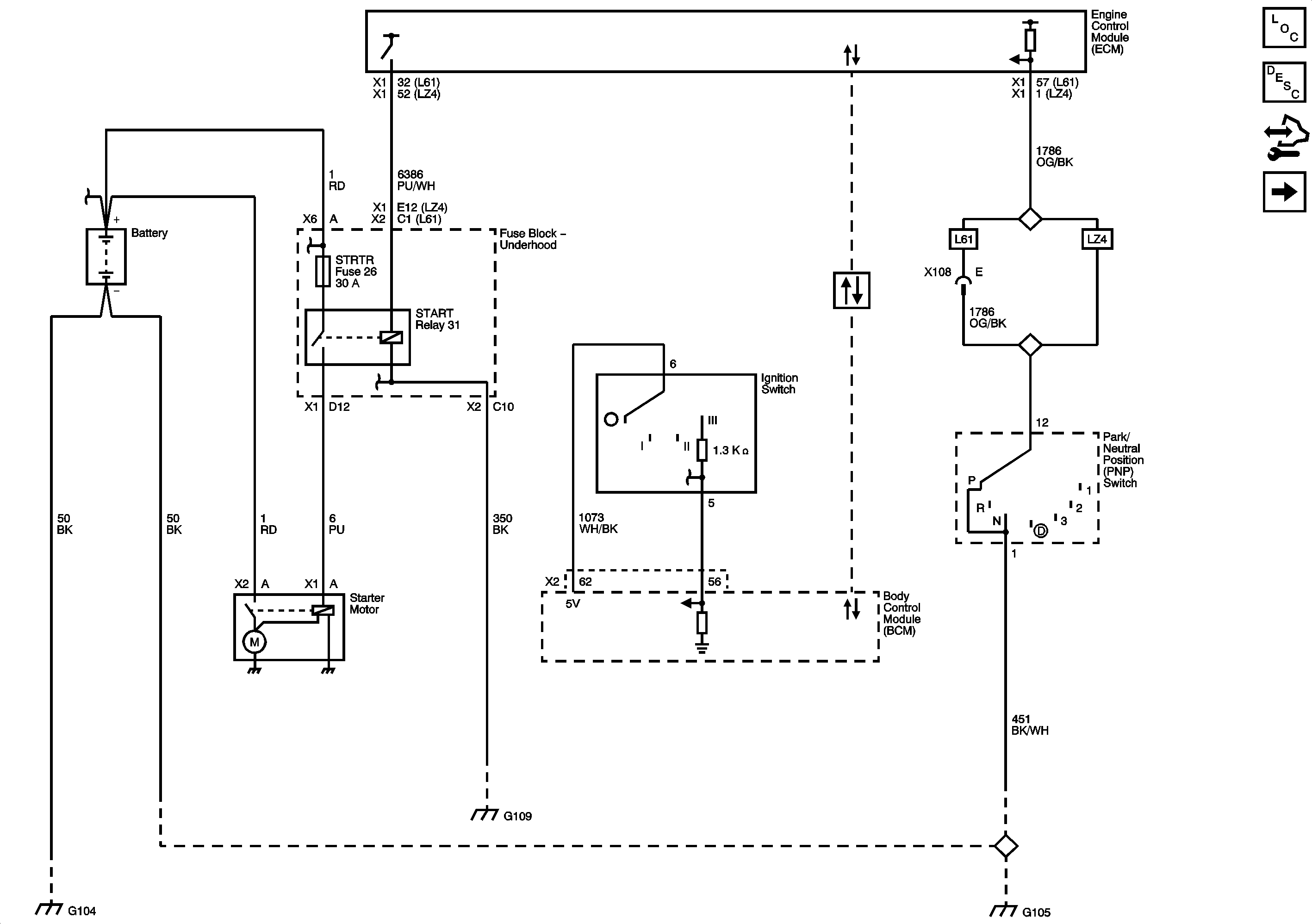
🢒 Starting and Charging Schematics
Figure
1:
Starting System
Master Electrical Component List
Starting System Description and Operation
Control Module References
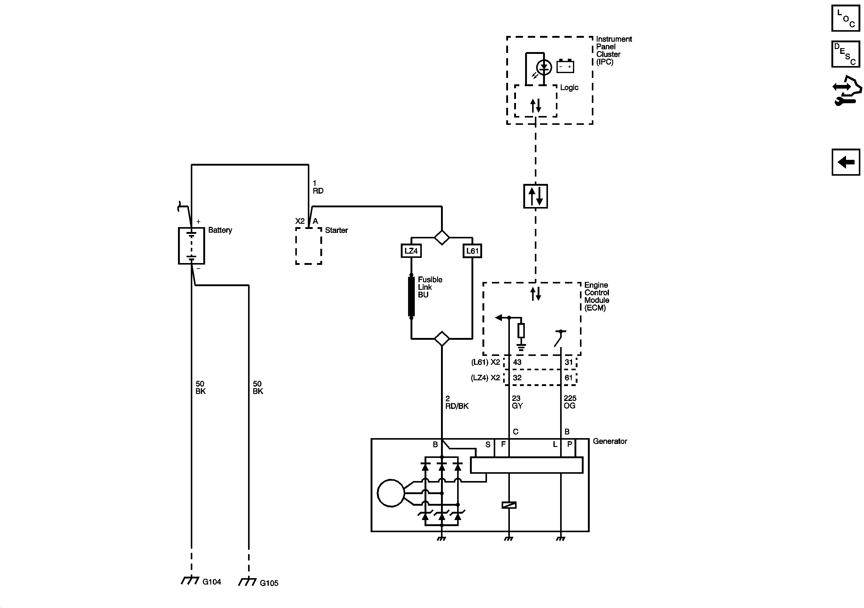
Charging System
Starting System
Figure
2:
Charging System
Master Electrical Component List
Starting System Description and Operation
Control Module References
Starting System