GM Service Manual Online
For 1990-2009 cars only

Refer to

Cell 21: Ignition System


Object Number: 278548  Size: FS
and to

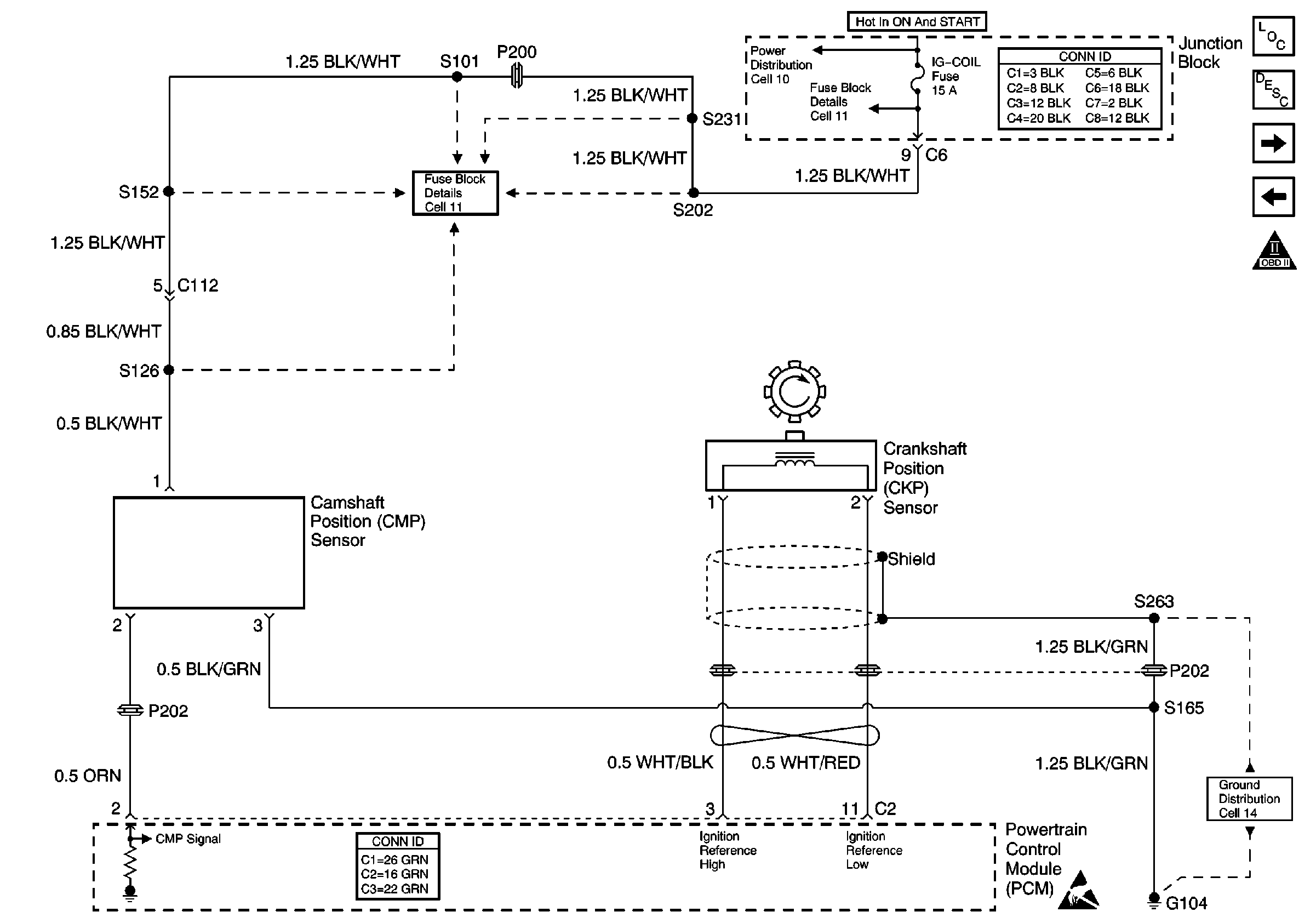
Cell 21: CMP Sensor and CKP Sensor


Object Number: 278551  Size: FS
.

Circuit Description

The powertrain control module (PCM) uses information from the crankshaft position (CKP) sensor and the camshaft position (CMP) sensor in order to determine when an engine misfire is occurring. By monitoring changes in the crankshaft rotation for each cylinder the PCM counts individual misfire events. The malfunction indicator lamp (MIL) illuminates when the misfire rate equals or exceeds a pre-determined count. A misfire rate that is high enough can cause the catalytic converter to overheat under certain driving conditions. The MIL will flash On and Off when the conditions for catalytic converter overheating are present.

Conditions for Running the DTC

    • The engine coolant temperature is between -10°C and +110°C (14°-230°F).
    • The intake air temperature is between -10°C and +70°C (14°-158°F).
    • The barometric pressure is more than 75 kPa.
    • The TP sensor change is less than 1.9 degrees in 16 firing events.
    • The change in the manifold absolute pressure (MAP) is less than 1.3 kPa in 60 firing events.
    • The engine speed is less than 6,500 RPM and the change in engine speed is less than 200 in 50 msec.

Conditions for Setting the DTC

    • The misfire rate at 200 engine revolutions is more than a specified value.
    • The misfire rate at 1,000 engine revolutions is more than a specified value.
    • The conditions are present for from 5 seconds after the engine is started until 1 second before fuel shut-off.

Action Taken When the DTC Sets

    • The PCM flashes the malfunction indicator lamp (MIL) the first time a catalyst damaging misfire occurs.
    • The PCM illuminates the MIL the second time emission thresholds are exceeded and the diagnostic fails.
    • The PCM records the operating conditions at the time the diagnostic fails. This information is stored in the Freeze Frame buffer.

Conditions for Clearing the MIL/DTC

    • The MIL turns OFF after 3 consecutive trips during which the diagnostic runs and no fault is detected.
    • A History DTC clears after 40 consecutive warm-up cycles without a fault.
    • Use the scan tool Clear DTC Information function or disconnect the PCM battery feed in order to clear the DTC.

Diagnostic Aids

Check for any of the following conditions:

    • If any DTCs other than misfire (P0300-P0304) are present, diagnose those DTCs first.
    • Check for the engine overheating.
    • Check for engine vacuum leaks.
    • Check for a PCV system malfunction. Perform a functional check of the PCV valve. Refer to Crankcase Ventilation System Inspection .
    • Check for n intermittent ignition system malfunction caused by spark plugs, ignition wires, or the ignition coil. Check the ignition system performance with an engine oscilloscope.
    • Check for uel pressure that is out of specification. Refer to Fuel System Diagnosis .
    • A fuel injector malfunction may cause a DTC P0304 to set. Check the performance of the fuel injectors. Refer to Fuel Injector Solenoid Coil Test - Engine Coolant Temperature Between 10-35 Degrees C (50-95 Degrees F) and Sequential Multiport Fuel Injector Balance Test .
    • Check for contaminated fuel. Refer to Alcohol/Contaminants-in-Fuel Diagnosis .
    • An engine mechanical malfunction--Measure engine cylinder compression and valve lash adjustment for comparison to OEM specifications. Refer to Engine Compression Test .
    • A damaged wiring harness--Inspect the applicable wiring harness for damage and repair as necessary.
    • A misfire DTC can also be the result of a defective signal rotor on the crankshaft timing belt pulley. Remove the crankshaft position (CKP) sensor and inspect the crankshaft signal rotor through the sensor hole. Check the crankshaft signal rotor for foreign material or damaged teeth.

An intermittent fault may be duplicated by wetting the secondary ignition system with water and operating the vehicle under the conditions that caused the DTC to set.

If a DTC P0304 cannot be duplicated, the information included in the Freeze Frame data can be useful in determining vehicle operating conditions when the DTC was first set.

Test Description

The numbers below refer to the step numbers on the diagnostic table.

  1. The Powertrain OBD System Check prompts the technician to complete some basic checks and store the freeze frame data on the scan tool if applicable. This creates an electronic copy of the data taken when the fault occurred. The information is then stored in the scan tool for later reference.

  2. This step determines if a fault is present.

  3. The #1 ignition coil provides spark for cylinders 1 and 4 simultaneously. Any condition that effects the ignition circuit of cylinder 1 may also have an affect on the ignition circuit of cylinder 4. Inspect both sides of the ignition coil for cracks, carbon tracking, and corrosion.

  4. The ignition coil may have an internal fault.

  5. This step checks for the electrical signal from the PCM for the operation of the fuel injector. If the injector test lamp does not illuminate the fuel injector control circuit is diagnosed for a faulty condition.

  6. A faulty fuel injector can cause a misfire condition and a DTC P0304 to set.

  7. This step checks for a mechanical fault as the cause of the misfire condition. Low engine compression and improper valve lash may also cause a rough idling condition.

  8. This step checks for a faulty CKP sensor signal rotor. Visually inspect the teeth of the signal rotor through the CKP sensor aperture for damage, foreign material, and mis-alignment.

Step

Action

Value(s)

Yes

No

1

Did you perform the Powertrain On-Board Diagnostic System Check?

--

Go to Step 2

Go to Powertrain On Board Diagnostic (OBD) System Check

2

Start the engine.

Is a misfire present at Idle?

--

Go to Step 4

Go to Step 3

3

  1. Install a scan tool.
  2. Turn ON the ignition, leaving the engine OFF.
  3. Clear the scan tool information.
  4. Operate the vehicle within the Freeze Frame data as noted.

Is a DTC P0304 set?

--

Go to Step 4

Go to Diagnostic Aids

4

  1. Perform a visual and a physical inspection for any of the following conditions:
  2. • Improperly operating or leaking PCV valve
    • Incorrect PCV valve
    • A vacuum leak at the intake manifold or gasket
    • A vacuum leak at a cracked, split or worn vacuum hose
  3. Repair as necessary.

Was a repair necessary?

--

Go to Step 17

Go to Step 5

5

  1. Install the J 26792 spark tester or an equivalent at the end of the #1 ignition coil spark plug boot.
  2. Crank the engine while observing the spark tester.

Is a crisp, blue spark present?

--

Go to Step 10

Go to Step 6

6

  1. Remove the #1 ignition coil spark plug boot.
  2. Visually and physically inspect the spark plug boot for any of the following conditions:
  3. • Carbon tracking
    • Insulation damage
    • Corroded terminals
  4. Repair as necessary. Refer to Spark Plug Visual Diagnosis in Engine Electrical.

Was a repair necessary?

--

Go to Step 17

Go to Step 7

7

  1. Measure the resistance of the #1 ignition coil spark plug boot with a DMM.
  2. Replace the #1 ignition coil spark plug boot if it measures greater than the specified value.

Did the spark plug boot need replacement?

100 ohms

Go to Step 17

Go to Step 8

8

  1. Perform a visual and a physical inspection of the #1 ignition coil for any of the following conditions:
  2. • Cracks
    • Moisture
    • Faulty electrical connections
    • Carbon tracking
    • Corrosion
  3. Repair as necessary.

Was a repair necessary?

--

Go to Step 17

Go to Step 9

9

Replace the #1 ignition coil. Refer to Ignition Coil Replacement .

Is the action complete?

--

Go to Step 17

--

10

  1. Remove the #4 spark plug. Refer to Spark Plug Replacement in Engine Electrical.
  2. Visually and physically inspect the spark plug for any of the following conditions:
  3. • Oil fouling
    • Fuel fouling
    • Evidence of coolant in the cylinder
    •  Incorrect gap
    • Missing platinum pads
    • Loose center electrode
    • Cracked porcelain
    • Carbon tracking
    • Loose terminal end
  4. Replace as necessary.

Did the #4 spark plug need replacement?

--

Go to Step 13

Go to Step 11

11

  1. Turn OFF the ignition.
  2. Disconnect #4 fuel injector electrical connector.
  3. Install a J 34730-2B injector test lamp or an equivalent into the #4 fuel injector harness connector.
  4. Observe the injector test lamp while cranking the engine.

Did the injector test lamp flash while cranking the engine?

--

Go to Step 12

Go to Fuel Injector Circuit Diagnosis

12

Check the #4 fuel injector for proper operation. Refer to Fuel Injector Solenoid Coil Test - Engine Coolant Temperature Between 10-35 Degrees C (50-95 Degrees F) and Sequential Multiport Fuel Injector Balance Test .

Was a faulty fuel injector found and replaced?

--

Go to Step 17

Go to Step 14

13

Was the spark plug replaced because of fuel, oil, or coolant fouling?

--

Go to Step 14

Go to Step 17

14

  1. Check for any of the following engine mechanical concerns that could affect the #4 cylinder:
  2. • Worn or faulty camshaft
    •  Leaking or sticking valves
    • Excessive valve deposits
    • Broken or leaking piston rings
    •  Weak valve springs
    • Incorrect valve timing
    •  Intake (vacuum) leaks
    • Leaking head gasket
    • Loose or broken motor mounts
  3. Repair as necessary. Refer to Engine Compression Test in Engine Mechanical.

Was a basic engine mechanical concern found and repaired?

--

Go to Step 17

Go to Step 15

15

  1. Remove the CKP sensor. Refer to Crankshaft Position Sensor Replacement .
  2. Visually inspect the CKP sensor for the following conditions:
  3. • Physical damage
    • Foreign material on the sensor (magnet) surface
    • Water or corrosion at the electrical terminals
  4. Repair as necessary.

Was a repair necessary?

--

Go to Step 17

Go to Step 16

16

  1. Visually inspect the CKP sensor signal rotor on the crankshaft timing belt pulley for the following conditions:
  2. • Damaged teeth
    • Foreign material
    • Correct installation
  3. Repair as necessary.

Was a repair necessary?

--

Go to Step 17

Go to Diagnostic Aids

17

  1. Perform the scan tool Clear DTC Information function and road test the vehicle within the Freeze Frame conditions that set the DTC.
  2. Review the scan tool data and check for DTCs. The repair is complete if no DTCs are stored.

Are any DTCs displayed on scan tool?

--

Go to the applicable DTC table

System OK