GM Service Manual Online
For 1990-2009 cars only
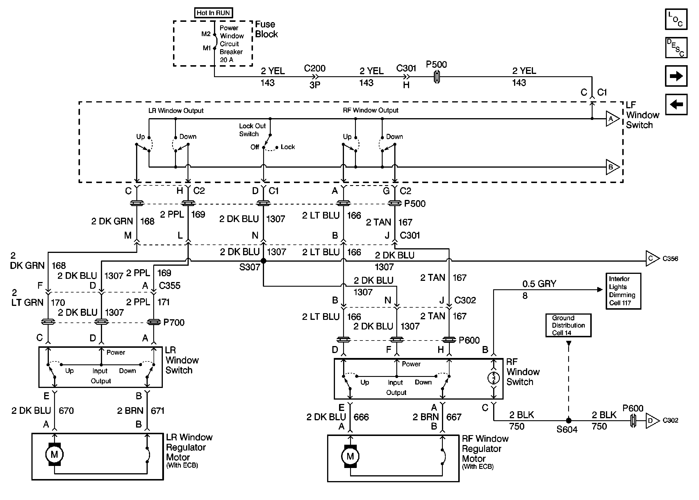
Figure 1:

Cell 120: (2 Door) Power, LF/RF Window Switches/ Regulator Motors


Object Number: 349868  Size: FS
Power Door Systems Components
Power Windows Circuit Description
Cell 120: (4 Door) Power, LF/RF Window Switches/ Regulator Motors
Interior Lights Schematics
Interior Lights Schematics
Cell 14: G302 (1 of 2)
Cell 14: G302 (1 of 2)
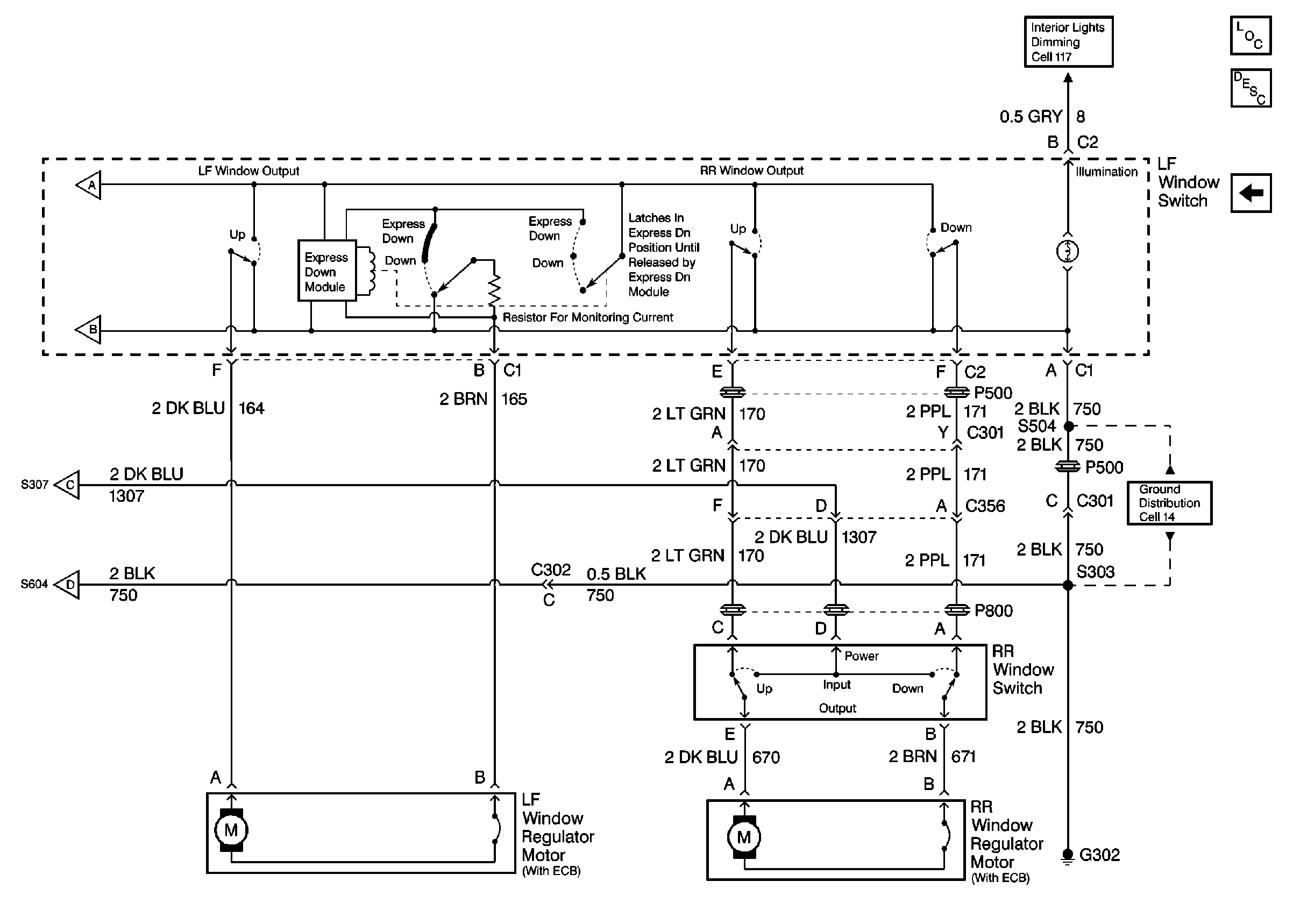
Figure 2:

Cell 120: (4 Door) Power, LF/RF Window Switches/ Regulator Motors


Object Number: 349874  Size: FS
Power Door Systems Components
Power Windows Circuit Description
Cell 120: (4 Door) Power, LF/RR Window Switches/ Regulator Motors
Cell 120: (2 Door) Power, LF/RF Window Switches/ Regulator Motors
Cell 120: (4 Door) Power, LF/RR Window Switches/ Regulator Motors
Cell 120: (4 Door) Power, LF/RR Window Switches/ Regulator Motors
Cell 120: (4 Door) Power, LF/RR Window Switches/ Regulator Motors
Cell 14: G302 (1 of 2)
Interior Lights Schematics
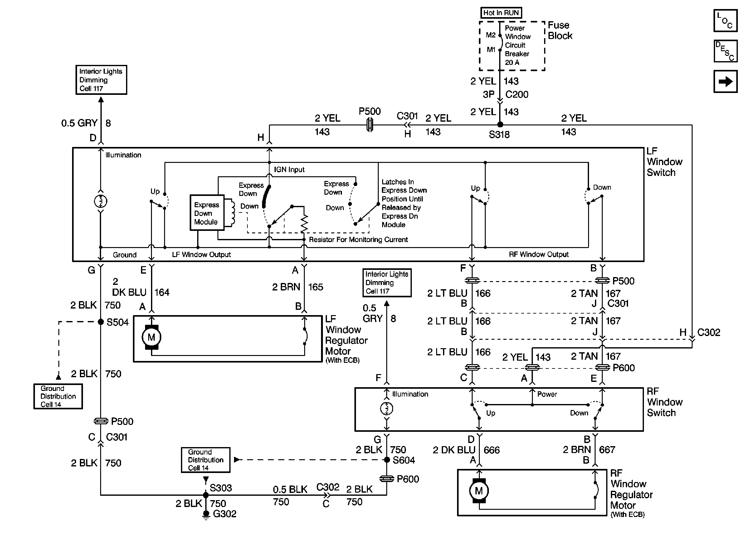
Figure 3:

Cell 120: (4 Door) Power, LF/RR Window Switches/ Regulator Motors


Object Number: 349882  Size: FS
Power Door Systems Components
Power Windows Circuit Description
Cell 120: (4 Door) Power, LF/RF Window Switches/ Regulator Motors
Cell 14: G302 (1 of 2)
Interior Lights Schematics
Cell 120: (4 Door) Power, LF/RF Window Switches/ Regulator Motors