GM Service Manual Online
For 1990-2009 cars only
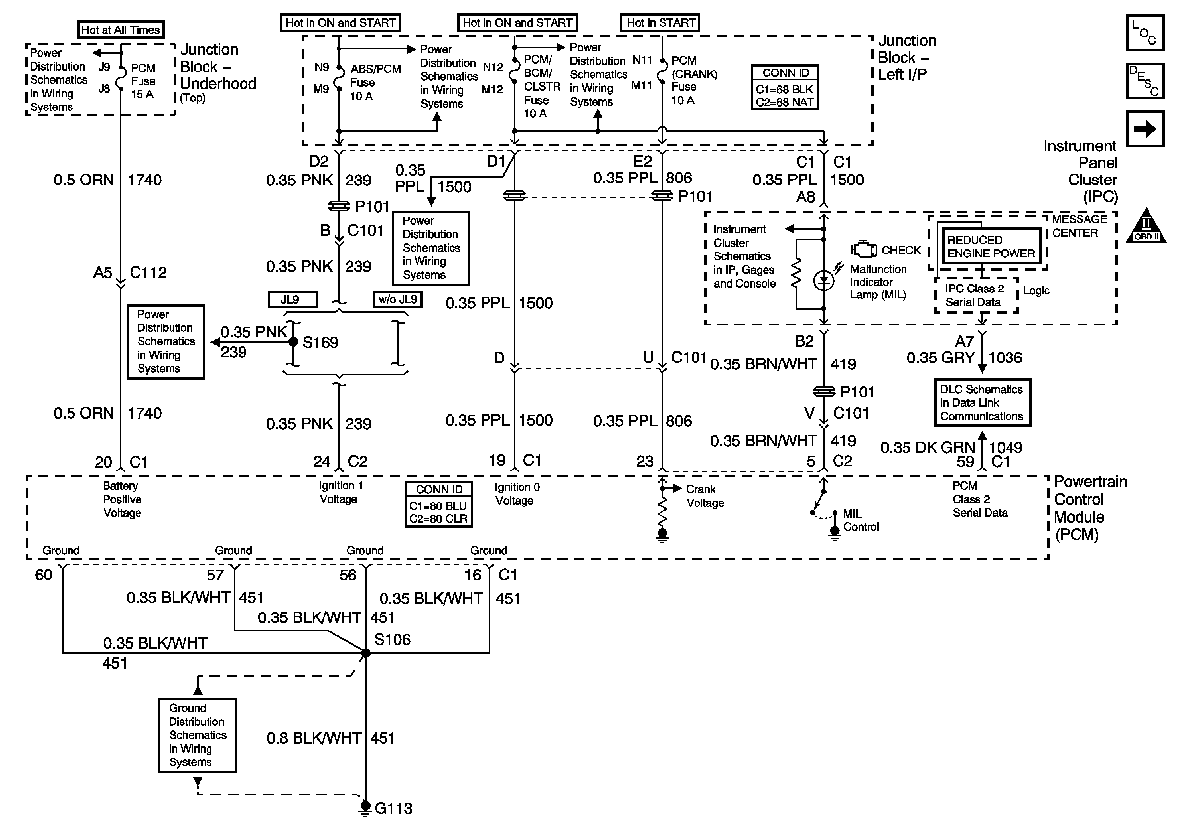
Figure 1:

Data Link, Grounds, MIL, and Power


Object Number: 796877  Size: FS
Master Electrical Component List
Powertrain Control Module Description
5 Volt and Low Reference Bussing
Engine Controls Schematic Icons
Junction Block-Underhood [Top View]
ABS/PCM, SRS, STOP, and TURN SIGNAL Fuses
A/C Cruise, A/C Fan, CRUISE, PCM/BCM CLSTR, and PCM Fuses
ABS/PCM, SRS, STOP, and TURN SIGNAL Fuses
A/C Cruise, A/C Fan, CRUISE, PCM/BCM CLSTR, and PCM Fuses
Gages, Illumination, and Indicators
DLC
G113 [2 of 2]
Figure 2:

5 Volt and Low Reference Bussing


Object Number: 785441  Size: FS
Master Electrical Component List
Powertrain Control Module Description
ECT, IAT, MAP, and TP Sensors
Data Link, Grounds, MIL, and Power
Engine Controls Schematic Icons
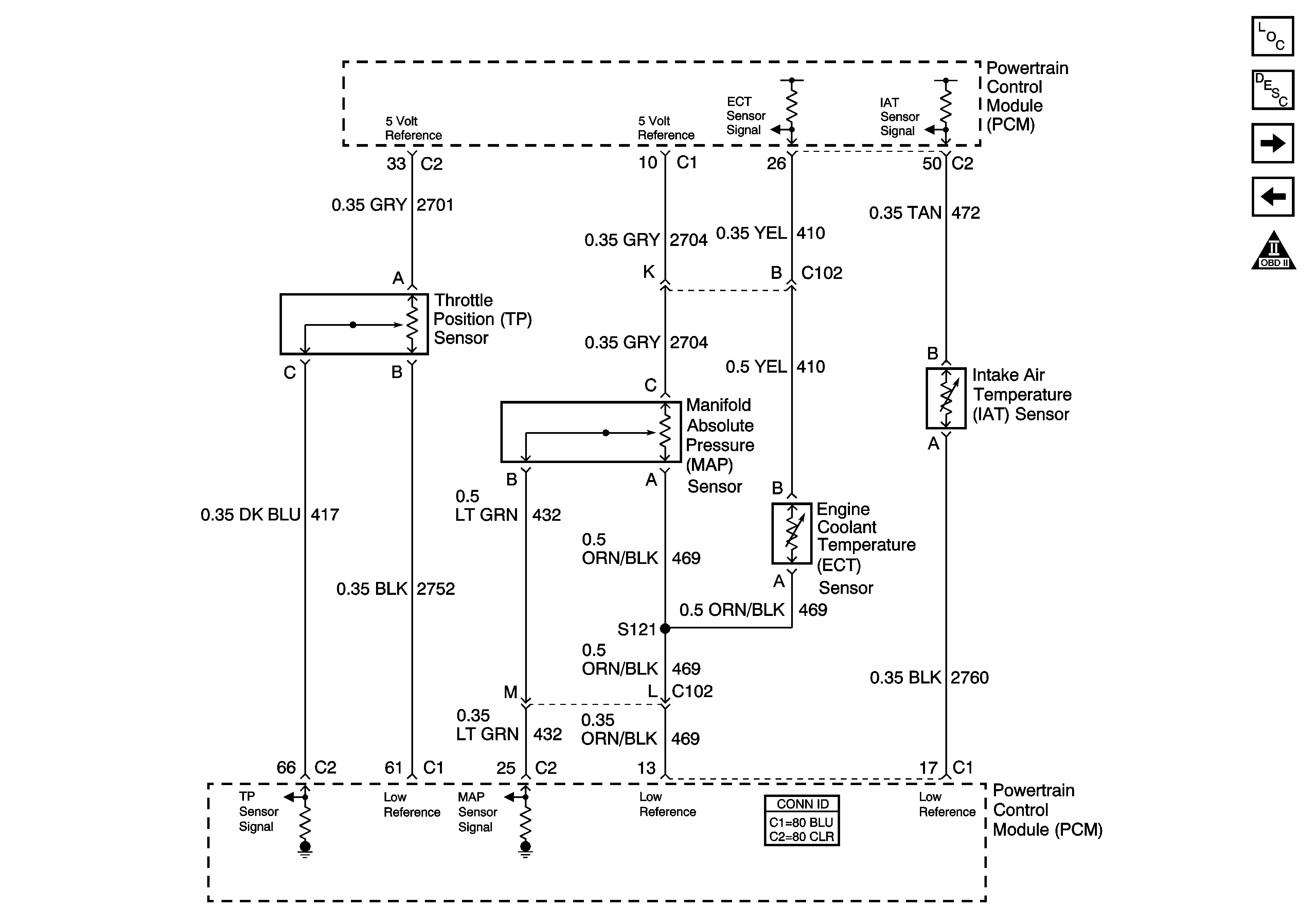
Figure 3:

ECT, IAT, MAP, and TP Sensors


Object Number: 1284571  Size: FS
Master Electrical Component List
Air Intake System Description
MAF, and VSS
5 Volt and Low Reference Bussing
Engine Controls Schematic Icons
Figure 4:

MAF and VSS


Object Number: 885056  Size: FS
Master Electrical Component List
Air Intake System Description
HO2S
ECT, IAT, MAP, and TP Sensors
Engine Controls Schematic Icons
Junction Block-Underhood [Bottom View]
Junction Block-Underhood [Bottom View]
Ground, Odometer/PRNDL, Power, and VSS
ISS, Pressure Control, Switches, and VSS
G113 [2 of 2]
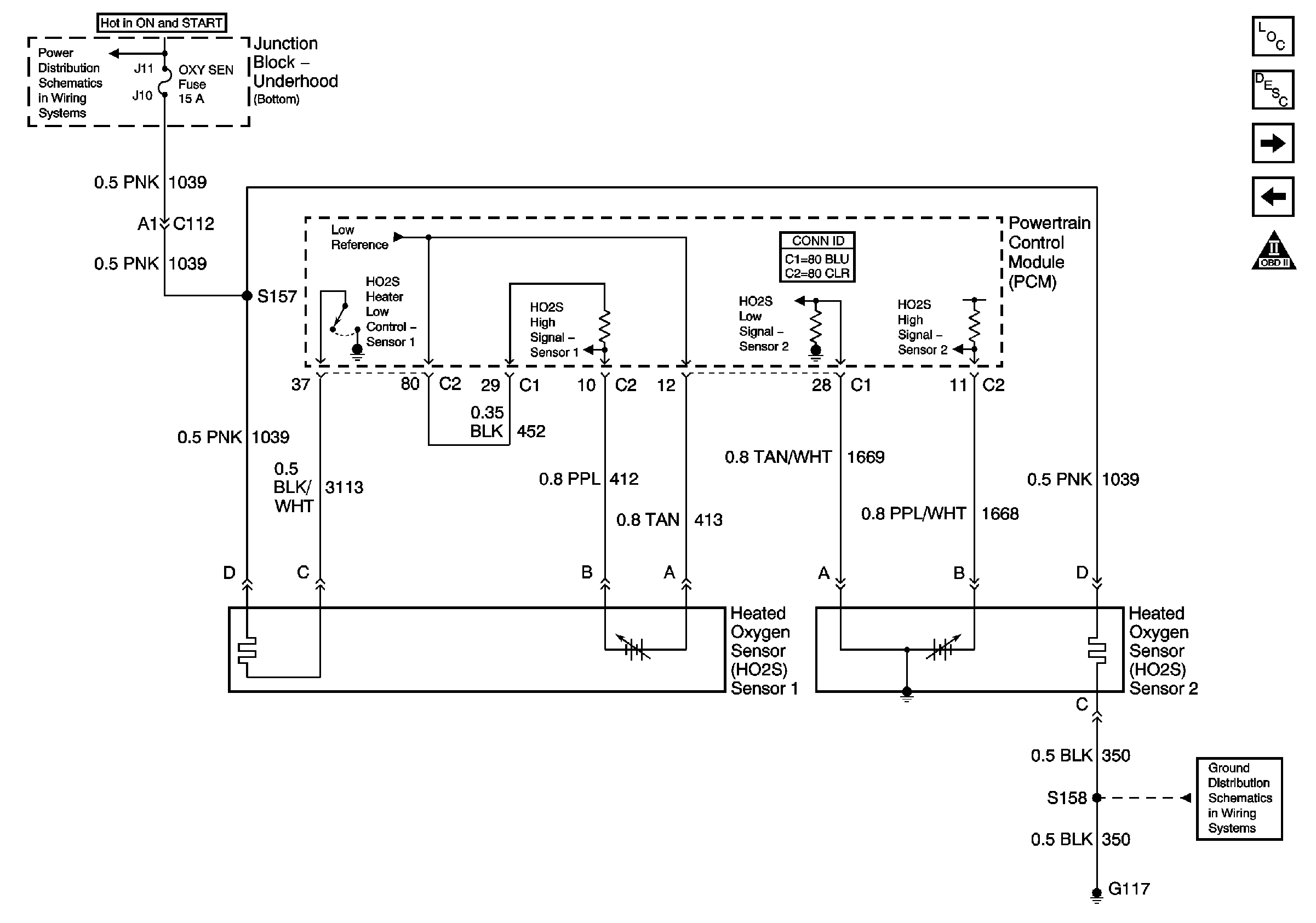
Figure 5:

HO2S


Object Number: 784626  Size: FS
Master Electrical Component List
Fuel System Description
Ignition Controls
MAF, and VSS
Engine Controls Schematic Icons
Junction Block-Underhood [Bottom View]
5 Volt and Low Reference Bussing
G100, G111, G113 [1 of 2], G117, G151, and G171
Figure 6:

Ignition Controls


Object Number: 651831  Size: FS
Master Electrical Component List
Electronic Ignition (EI) System Description
Fuel Pump
HO2S
Engine Controls Schematic Icons
Junction Block-Underhood [Bottom View]
Engine Controls Schematic Icons
G100, G111, G113 [1 of 2], G117, G151, and G171
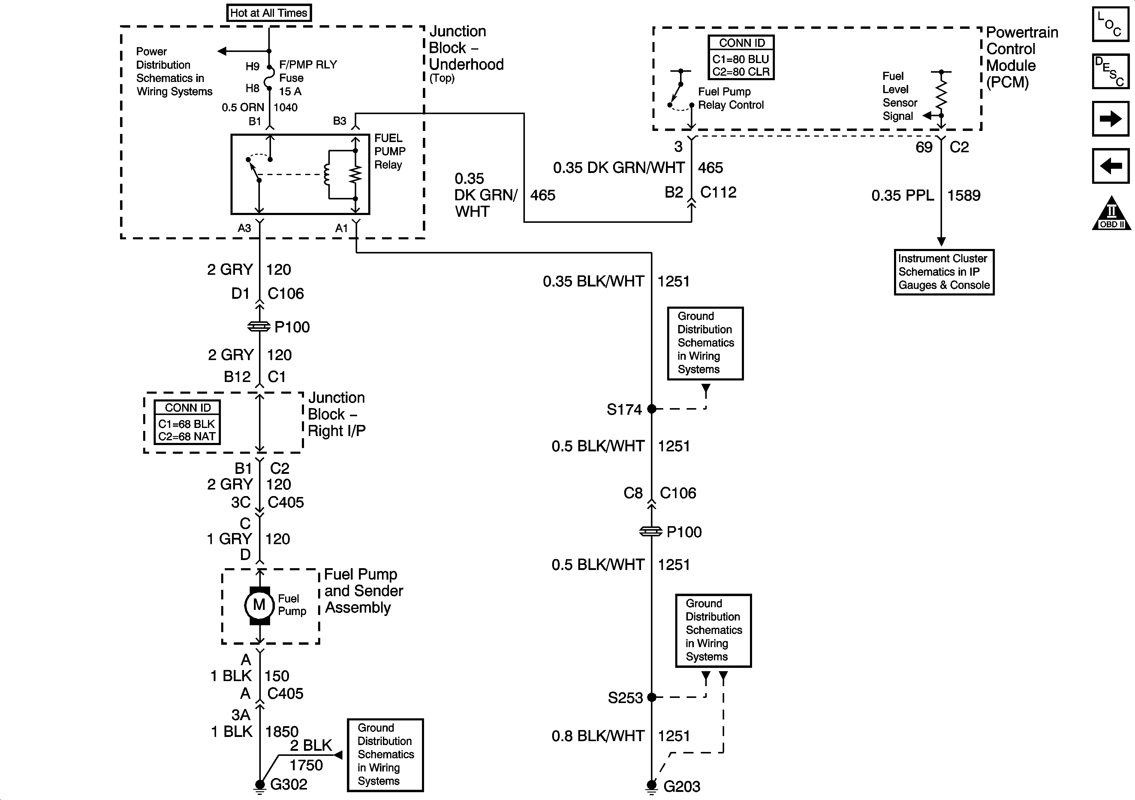
Figure 7:

Fuel Pump


Object Number: 1346861  Size: FS
Master Electrical Component List
Fuel System Description
Fuel Injectors
Ignition Controls
Engine Controls Schematic Icons
Junction Block-Underhood [Top View]
Gages, Illumination, and Indicators
G203 [3 of 3]
G203 [1 of 3]
G203 [1 of 2]
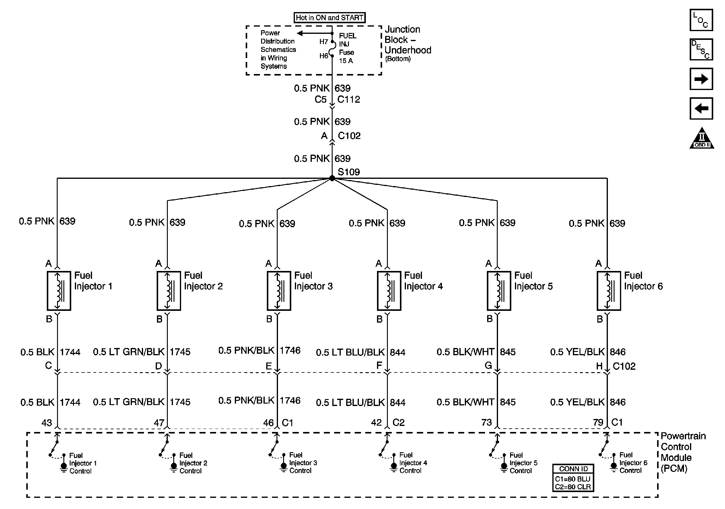
Figure 8:

Fuel Injectors


Object Number: 798540  Size: FS
Master Electrical Component List
Fuel System Description
EVAP, and FTP
Fuel Pump
Engine Controls Schematic Icons
Junction Block-Underhood [Bottom View]
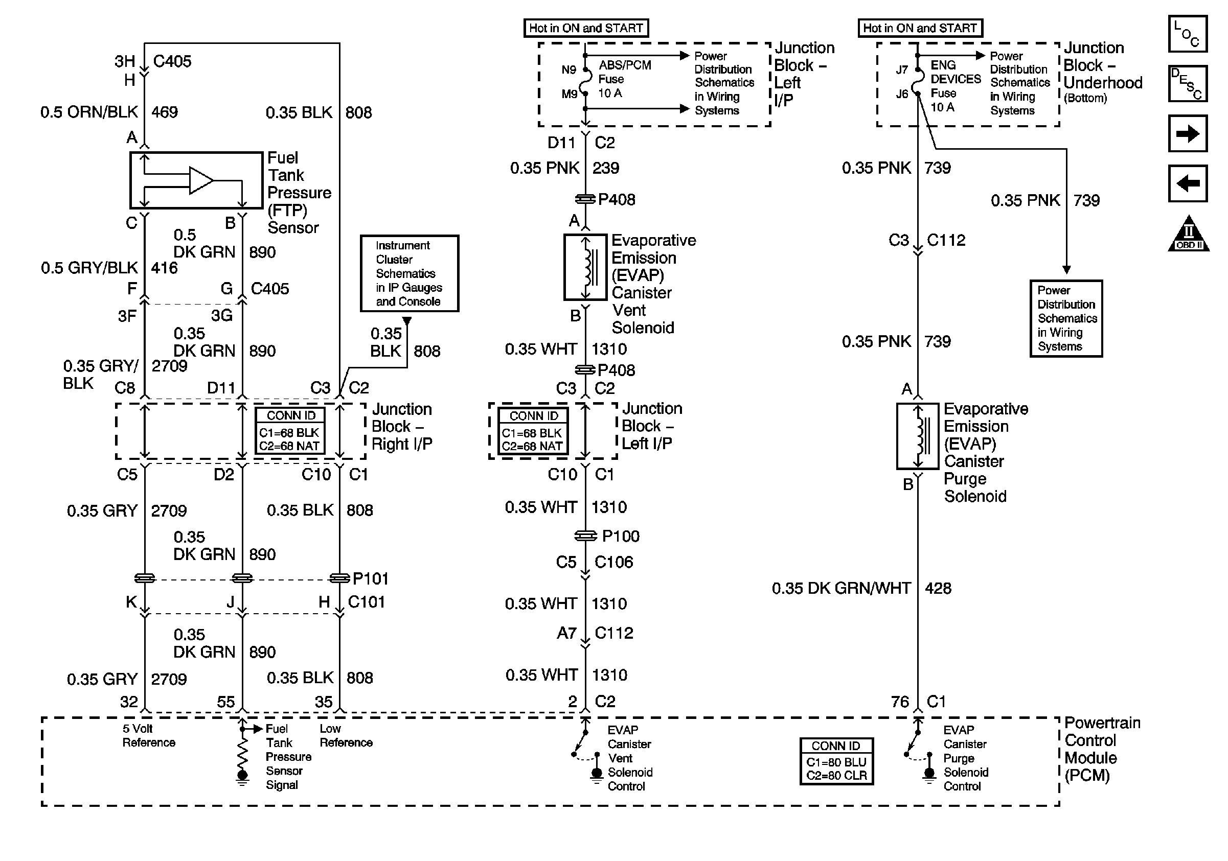
Figure 9:

EVAP and FTP


Object Number: 784628  Size: FS
Master Electrical Component List
Evaporative Emission Control System Description
AIR, EGR, and IAC
Fuel Injectors
Engine Controls Schematic Icons
ABS/PCM, SRS, STOP, and TURN SIGNAL Fuses
Junction Block-Underhood [Bottom View]
DFI, MDL, ENG DEVICES, and OXY SEN Fuses
Gages, Illumination, and Indicators
Figure 10:

EGR, and IAC


Object Number: 885062  Size: FS
Master Electrical Component List
Exhaust Gas Recirculation (EGR) System Description
Subsystem References
EVAP, and FTP
Engine Controls Schematic Icons
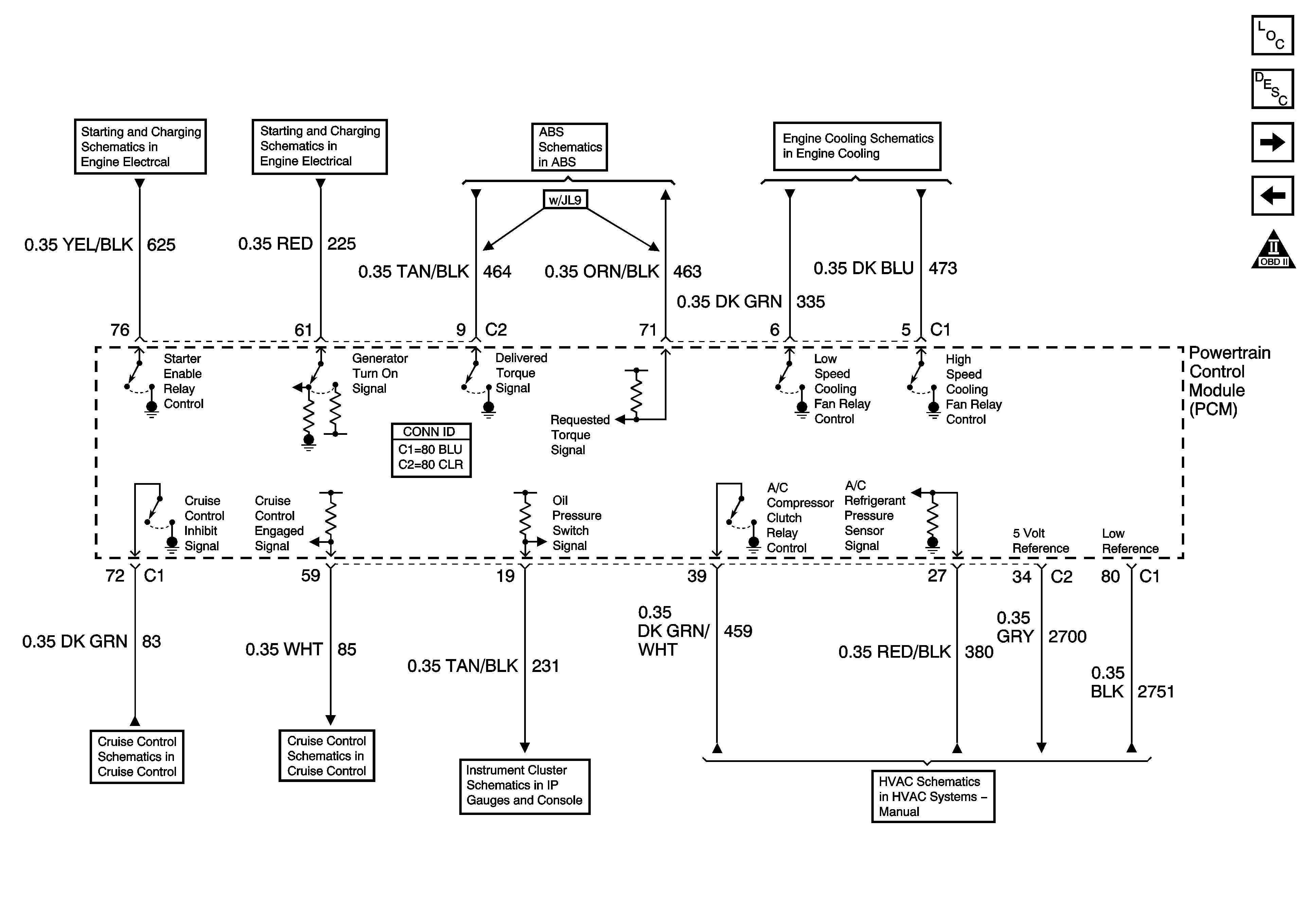
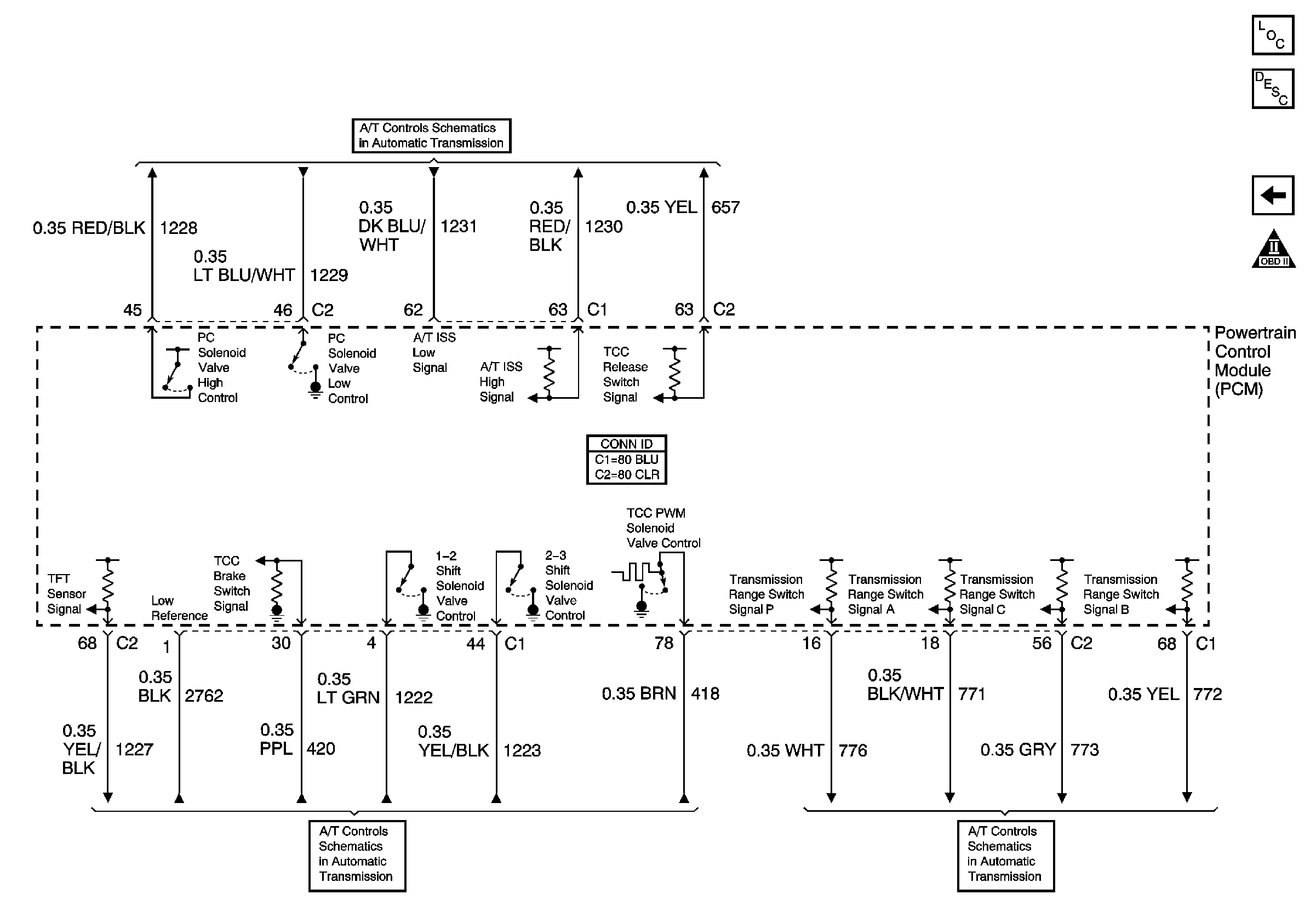
Figure 11:

Subsystem References


Object Number: 1247009  Size: FS
Master Electrical Component List
Powertrain Control Module Description
A/T References
AIR, EGR, and IAC
Engine Controls Schematic Icons
Engine Cranking
Charge Control and Indicator
PCM, and Stop Lamps Switch
Engine Cooling
Cruise Control - Monte Carlo
Indicator Control
Message Center
Compressor Control
Figure 12:

A/T References


Object Number: 885065  Size: FS
Master Electrical Component List
Powertrain Control Module Description
Subsystem References
Engine Controls Schematic Icons
ISS, Pressure Control, Switches, and VSS
Solenoids, TCC, and TFT
PRNDL