GM Service Manual Online
For 1990-2009 cars only
Makes
🢒
Chevrolet
🢒
2004
🢒
Monte Carlo
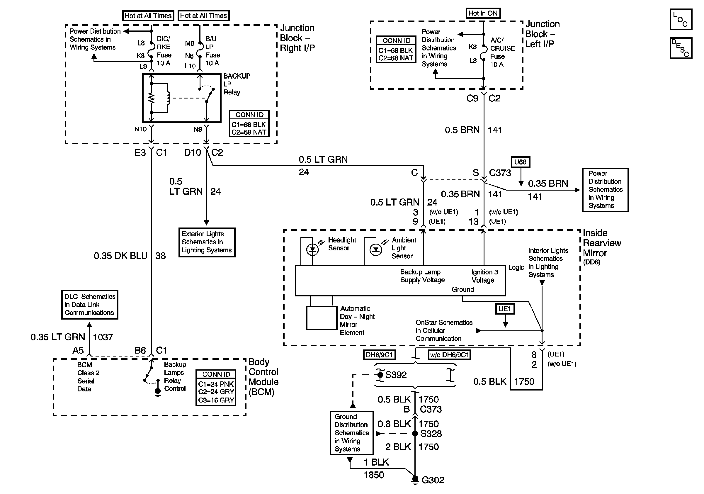
🢒 Inside Rearview Mirror
Inside Rearview Mirror
Master Electrical Component List
Inside Rearview Mirror Description and Operation
B/U LP, DIL/RKE, PWR DROP, and RT HTD ST Fuses
A/C Cruise, A/C Fan, CRUISE, PCM/BCM CLSTR, and PCM Fuses
A/C Cruise, A/C Fan, CRUISE, PCM/BCM CLSTR, and PCM Fuses
Roof Lighting
Audio Comm., and Inside Rearview Mirror
Backup Lamps [w/o 9C1/9C3/9C6]
G203 [1 of 2]
DLC