GM Service Manual Online
For 1990-2009 cars only
Makes
🢒
Chevrolet
🢒
2004
🢒
Monte Carlo
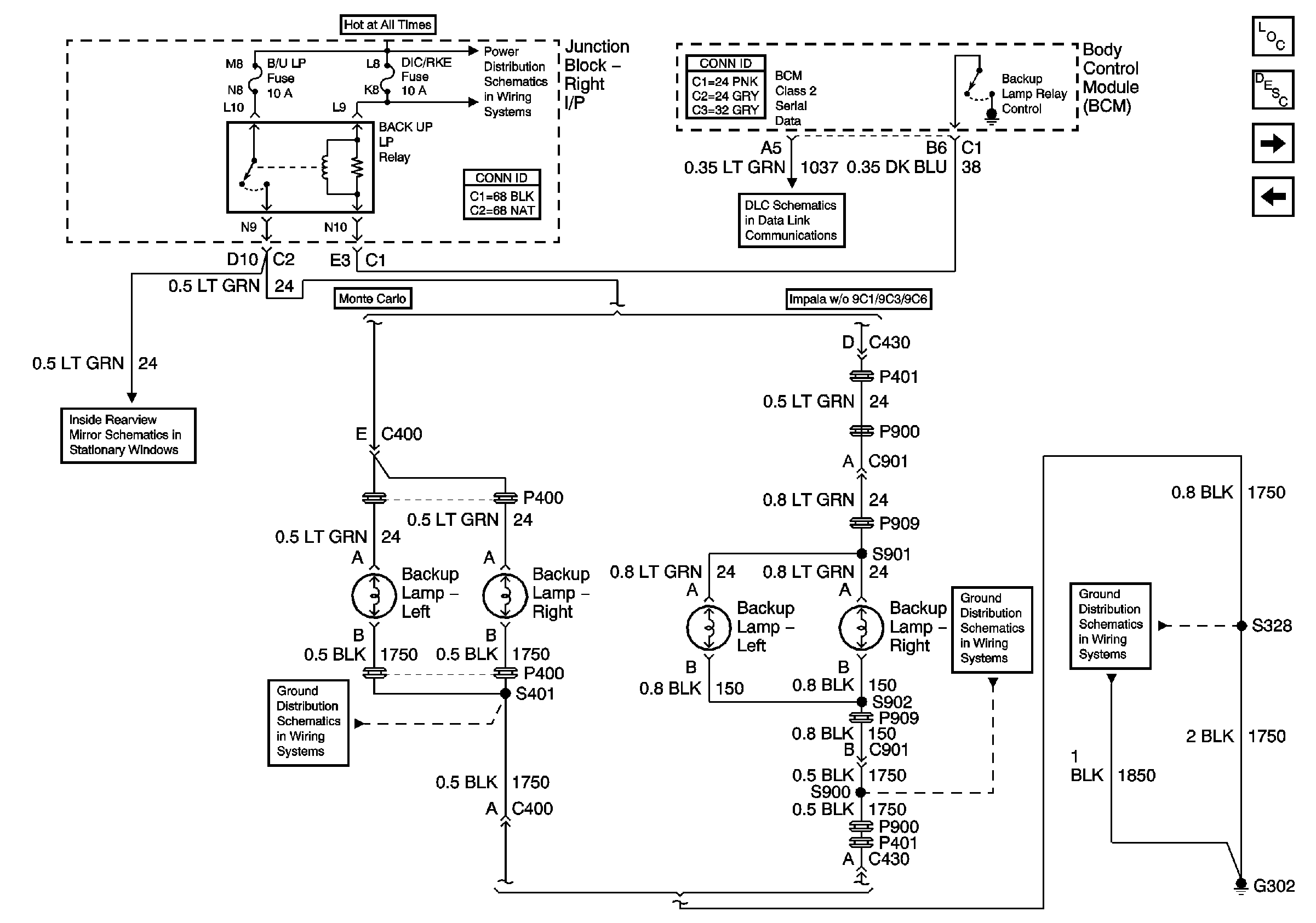
🢒 Backup Lamps [w/o 9C1/9C3/9C6]
Backup Lamps [w/o 9C1/9C3/9C6]
Backup Lamps (w/o 9C1/9C3/9C6)
Master Electrical Component List
Exterior Lighting Systems Description and Operation
Backup Lamps [W/9C1/9C3/9C6]
Turn Lamps [Monte Carlo]
B/U LP, DIL/RKE, PWR DROP, and RT HTD ST Fuses
Inside Rearview Mirror
G302 [2 of 2], and G 309
G203 [1 of 2]
G302 [2 of 2], and G 309
DLC