GM Service Manual Online
For 1990-2009 cars only
Makes
🢒
Chevrolet
🢒
2004
🢒
Monte Carlo
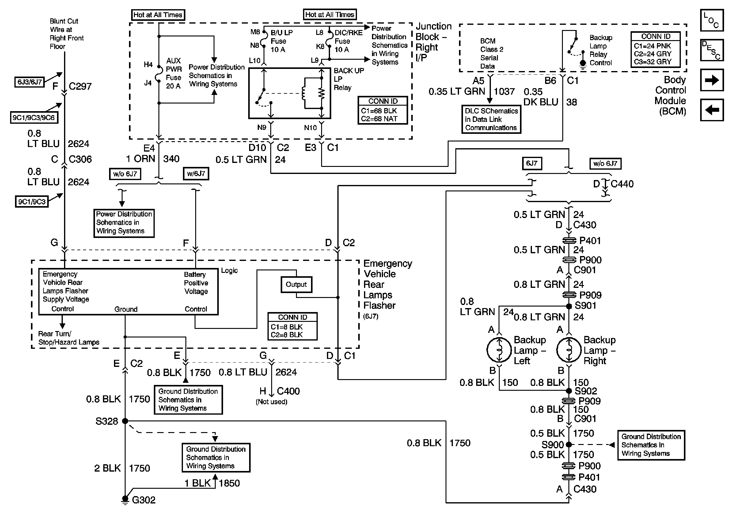
🢒 Backup Lamps [W/9C1/9C3/9C6]
Backup Lamps [W/9C1/9C3/9C6]
Backup Lamps (9C1/9C3/9C6)
Master Electrical Component List
Exterior Lighting Systems Description and Operation
Emer. Vehicle Rear Compt Lid Lps, and Spot Lps
Backup Lamps [w/o 9C1/9C3/9C6]
AUX PWR, BRK SW, C/LTR, DRL/EXT LTS, HAZ SW, HVAC BLO
B/U LP, DIL/RKE, PWR DROP, and RT HTD ST Fuses
DLC
AUX PWR, BRK SW, C/LTR, DRL/EXT LTS, HAZ SW, HVAC BLO
G302 [2 of 2], and G 309
G203 [1 of 2]
G302 [2 of 2], and G 309
Rear Turn/Stop/Hazard Lamps [Impala w/6J7]