GM Service Manual Online
For 1990-2009 cars only
Makes
🢒
Chevrolet
🢒
2004
🢒
Monte Carlo
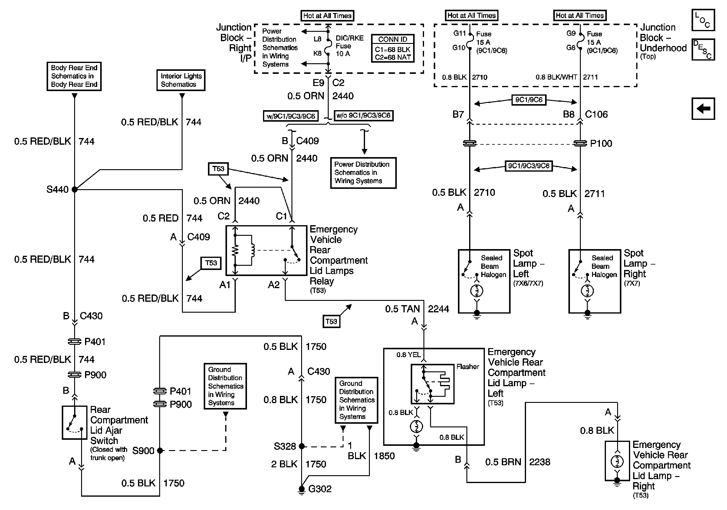
🢒 Emer. Vehicle Rear Compt Lid Lps, and Spot Lps
Emer. Vehicle Rear Compt Lid Lps, and Spot Lps
Emergency Vehicle Rear Compartment Lid Lamps, and Spot Lamps
Master Electrical Component List
Exterior Lighting Systems Description and Operation
Backup Lamps [W/9C1/9C3/9C6]
B/U LP, DIL/RKE, PWR DROP, and RT HTD ST Fuses
B/U LP, DIL/RKE, PWR DROP, and RT HTD ST Fuses
Decklid Release [w/9C1/9C3/9C6]
Rear Compartment
G302 [2 of 2], and G 309
G203 [1 of 2]