GM Service Manual Online
For 1990-2009 cars only
Makes
🢒
Chevrolet
🢒
2004
🢒
Monte Carlo
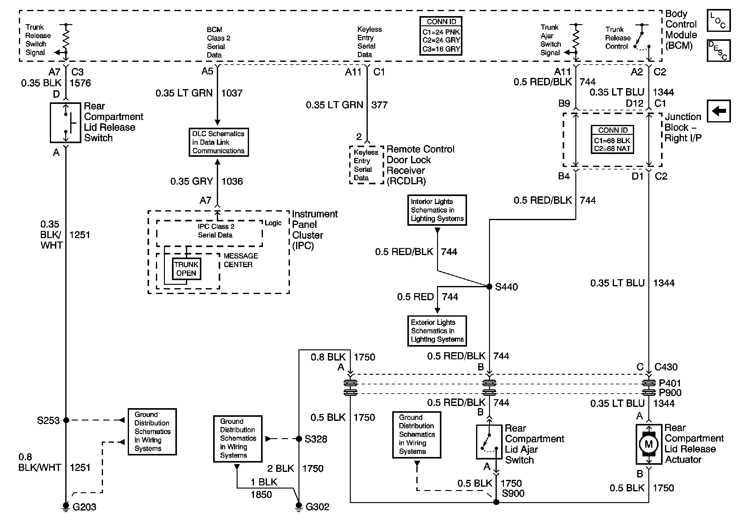
🢒 Decklid Release [w/9C1/9C3/9C6]
Decklid Release [w/9C1/9C3/9C6]
Decklid Release (9C1/9C3/9C6)
Master Electrical Component List
Luggage Compartment Description and Operation
Decklid Release [w/o9C1/9C3/9C6
DLC
Rear Compartment
Emer. Vehicle Rear Compt Lid Lps, and Spot Lps
G203 [1 of 3]
G203 [1 of 2]
G302 [2 of 2], and G 309