GM Service Manual Online
For 1990-2009 cars only
Makes
🢒
Chevrolet
🢒
2006
🢒
Monte Carlo
🢒
Vehicle Control Systems
🢒
Vehicle DTC Information
🢒 Door Lock/Indicator Schematics
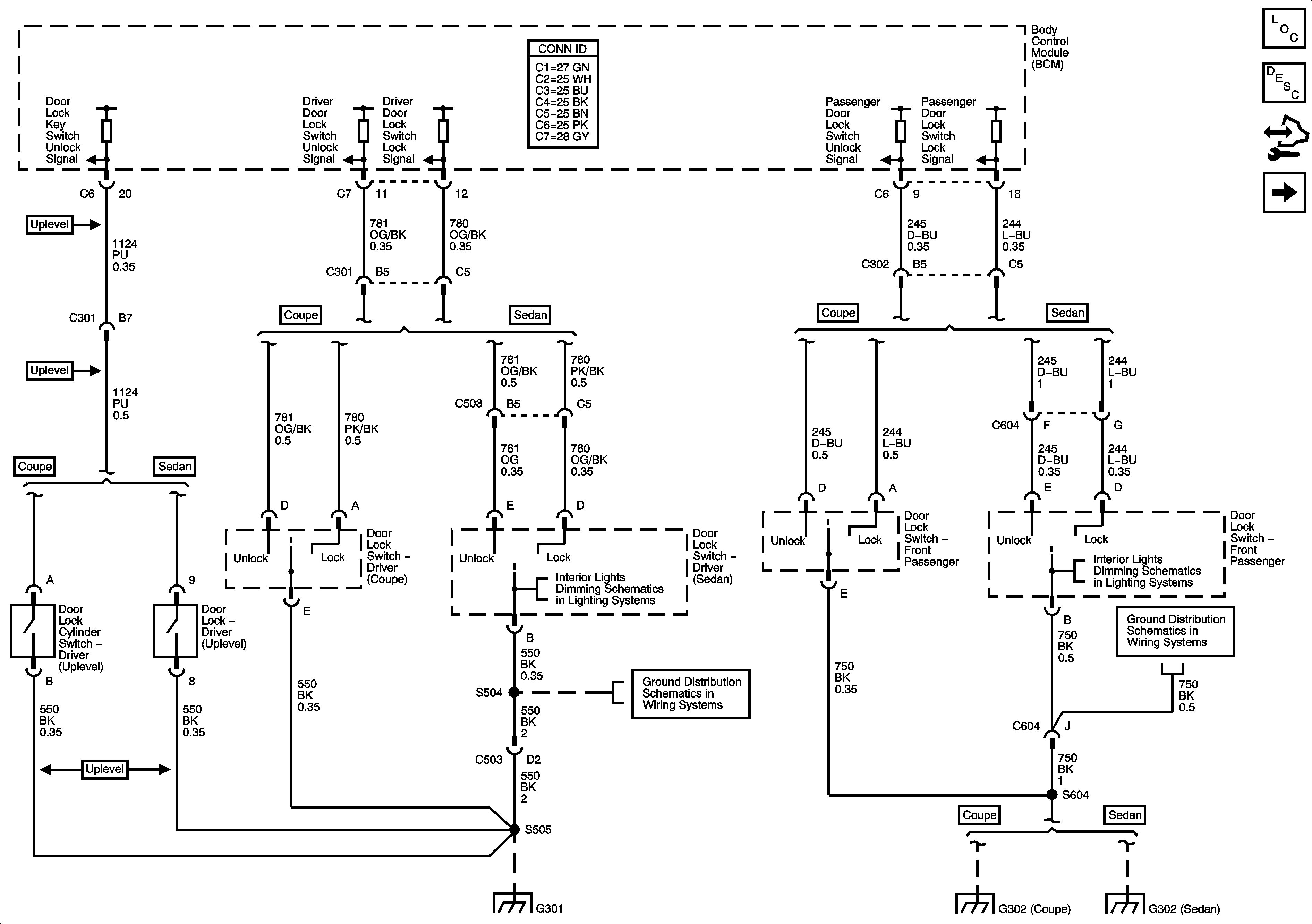
Figure
1:
Door Lock Switches
Master Electrical Component List
Power Door Locks Description and Operation
Control Module References
Door Lock Actuators
Sedan
Sedan
G301
G302 (Sedan)
G301
G302
G302 (Sedan)
Figure
2:
Door Lock Actuators
Master Electrical Component List
Power Door Locks Description and Operation
Control Module References
Door Ajar Indicators
Door Lock Switches
S/ROOF, DR/LCK, RAP MISC Fuses, RAP Relay, DOOR UNLOCK PCB Relay - Driver, DOOR UNLOCK PCB Relay, and DOOR LOCK PCB Relay
S/ROOF, DR/LCK, RAP MISC Fuses, RAP Relay, DOOR UNLOCK PCB Relay - Driver, DOOR UNLOCK PCB Relay, and DOOR LOCK PCB Relay
G302
G302 (Sedan)
G302
G302 (Sedan)
Figure
3:
Door Ajar Indicators
Master Electrical Component List
Door Ajar Indicator Description and Operation
Control Module References
Door Lock Actuators
Power, Ground, and Low Speed GMLAN Serial Data
Switches (Coupe)
Switches (Sedan)
Switches (Sedan)
Switches (Coupe)
Switches (Sedan)
Switches (Sedan)
G301
G301
G302
G302 (Sedan)
G302
G302 (Sedan)