GM Service Manual Online
For 1990-2009 cars only
Makes
🢒
Chevrolet
🢒
2006
🢒
Monte Carlo
🢒
Vehicle Control Systems
🢒
Vehicle DTC Information
🢒 Headlights/Daytime Running Lights (DRL) Schematics
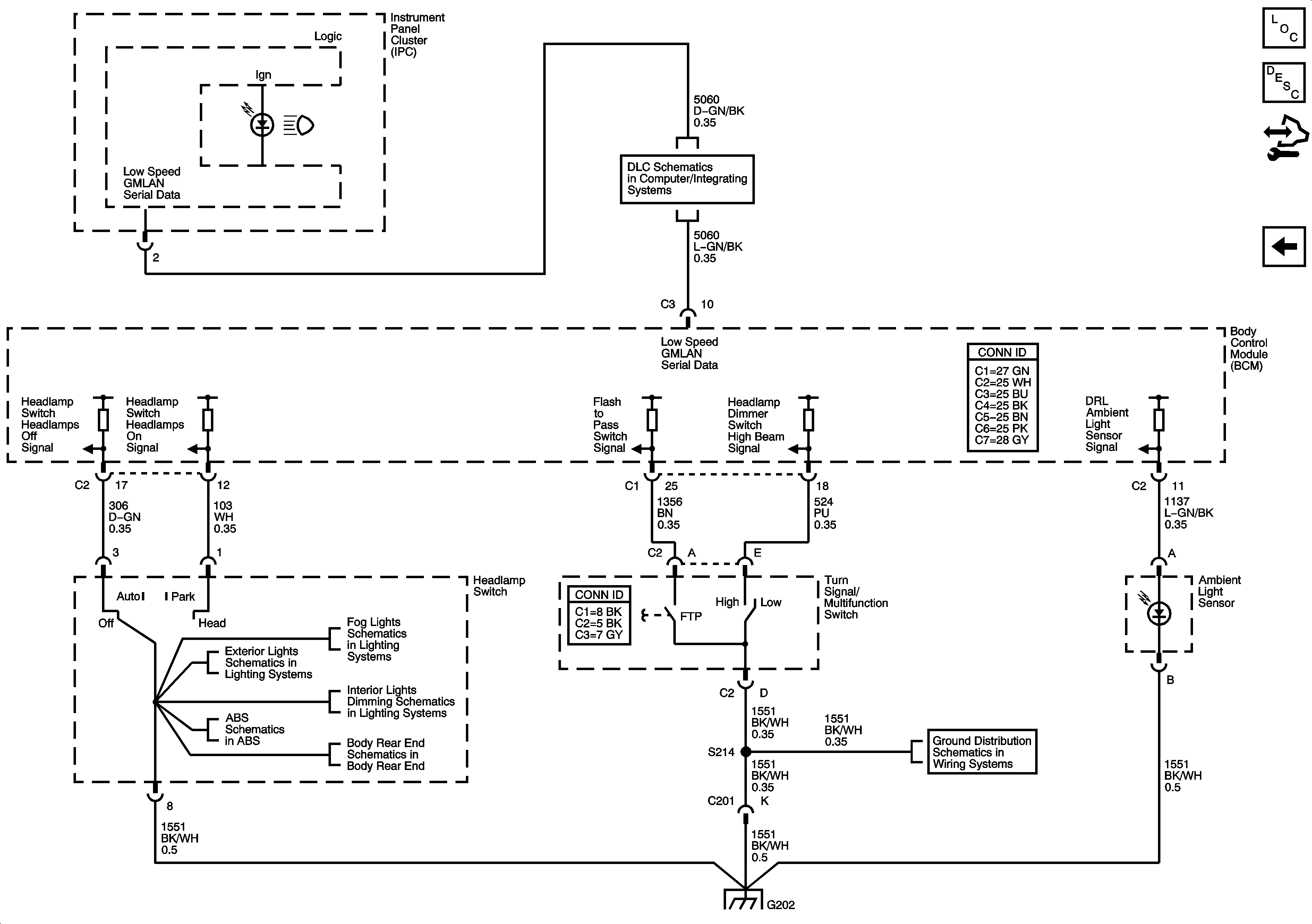
Figure
1:
DRL Relay, Headlamps, and Power
Master Electrical Component List
Exterior Lighting Systems Description and Operation
Control Module References
DRL Relay, Headlamps, and Power (9C1, 9C3)
Fuse Block - Underhood Bussing
Fuse Block - Underhood Bussing
G101, G102, G111, and G112 (LS4)
G100
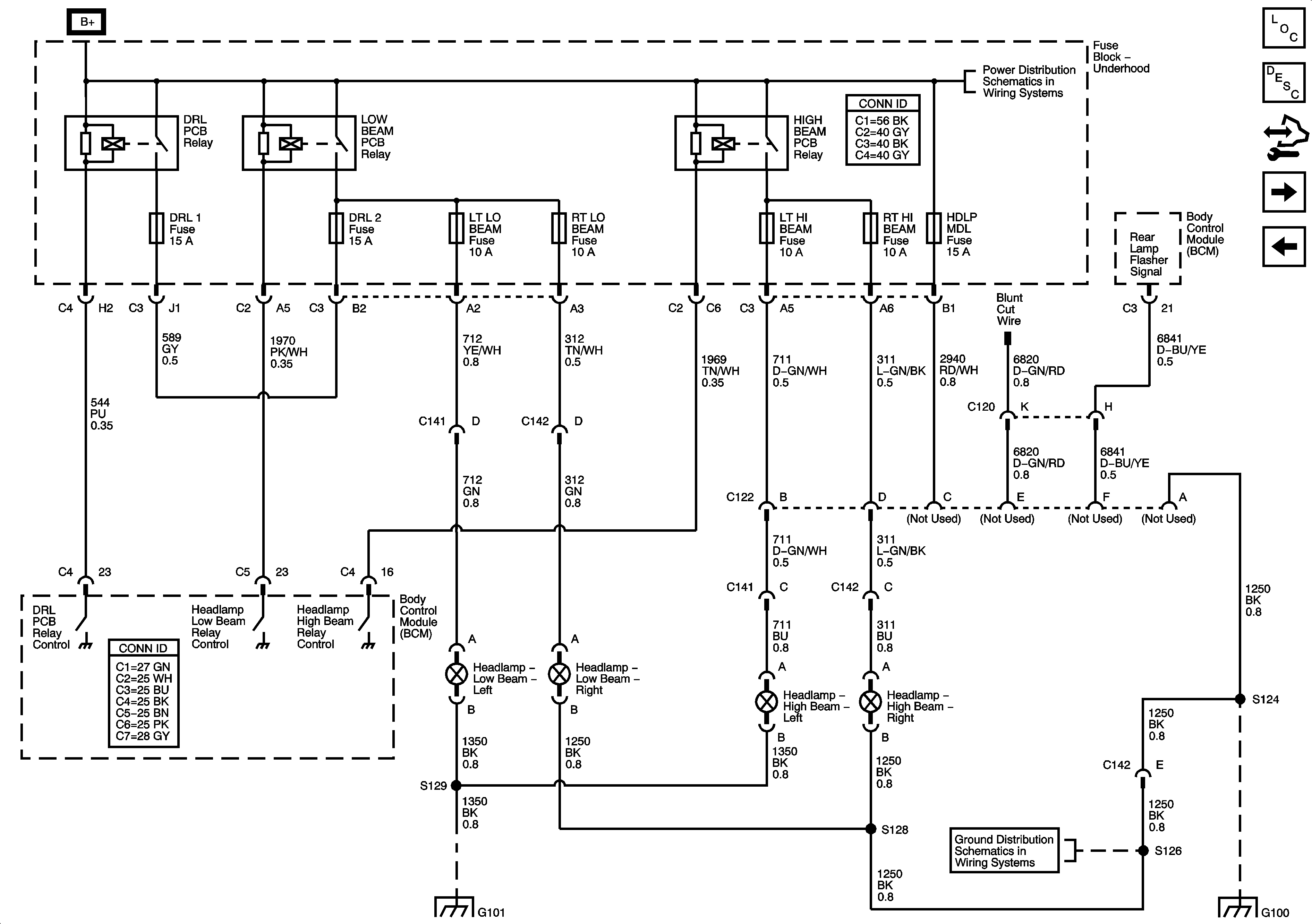
Figure
2:
DRL Relay, Headlamps, and Power (9C1, 9C3)
Master Electrical Component List
Exterior Lighting Systems Description and Operation
Control Module References
DRL Relay, Headlamps, and Power (6J7)
DRL Relay, Headlamps, and Power
Fuse Block - Underhood Bussing
Fuse Block - Underhood Bussing
G101, G102, G111, and G112 (LS4)
G100
G100
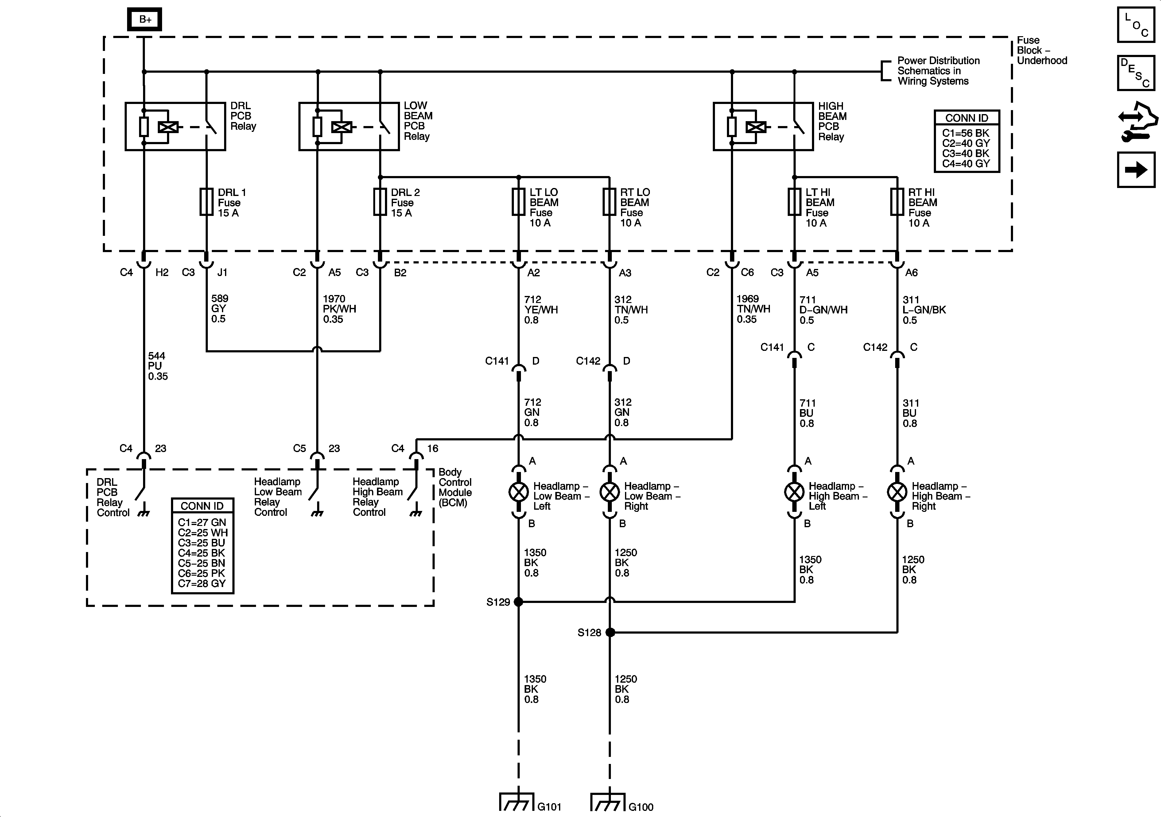
Figure
3:
DRL Relay, Flasher, Headlamps, and Power (6J7)
Master Electrical Component List
Exterior Lighting Systems Description and Operation
Control Module References
Switches
DRL Relay, Headlamps, and Power (9C1, 9C3)
Fuse Block - Underhood Bussing
Fuse Block - Underhood Bussing
G101, G102, G111, and G112 (LS4)
G100
G100
Figure
4:
Switches
Master Electrical Component List
Exterior Lighting Systems Description and Operation
Control Module References
DRL Relay, Headlamps, and Power (6J7)
Power, Ground, and Low Speed GMLAN Serial Data
Fog Lights Schematics
Park Lamps 1 of 2
Coupe
Indicators, ABS, and Traction Control
Body Rear End Schematics
G202, and G204
G202, and G204