GM Service Manual Online
For 1990-2009 cars only
Figure 1:

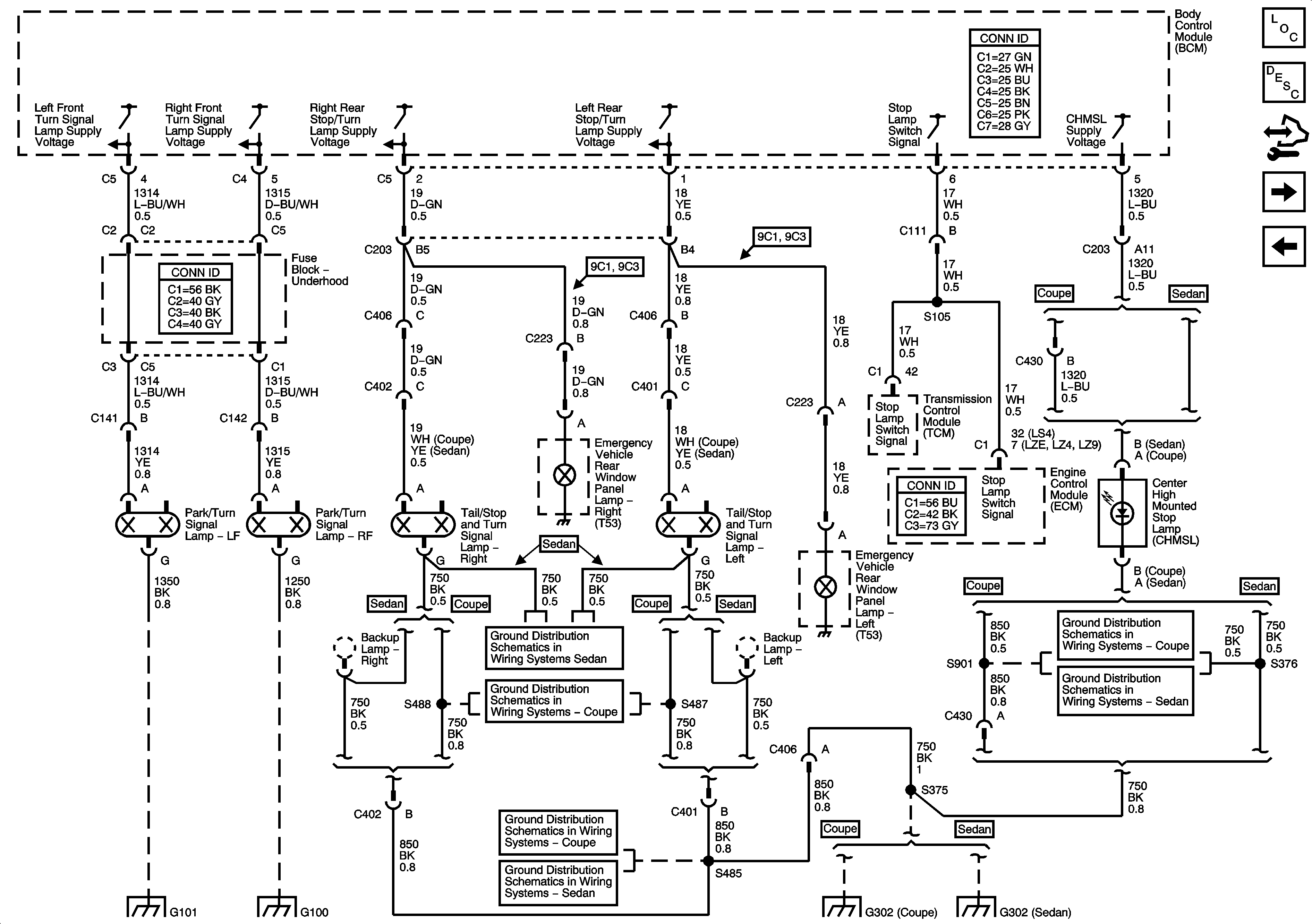
Turn Signal, Hazard, and Stop Lamps Inputs


Object Number: 1657089  Size: FS
Master Electrical Component List
Exterior Lighting Systems Description and Operation
Control Module References
Turn Signal, Hazard, and Stoplamps Outputs
Fuse Block - Underhood Bussing
Fuse Block - Underhood Bussing
Power, Ground, and Low Speed GMLAN Serial Data
G202, and G204
Figure 2:

Turn Signal, Hazard, and Stop Lamps Outputs


Object Number: 1657096  Size: FS
Master Electrical Component List
Exterior Lighting Systems Description and Operation
Control Module References
Park Lamps 1 of 2
Turn Signal, Hazard, and Stoplamps Inputs
G302 (Sedan)
G302
G302
G302 (Sedan)
G302
G302 (Sedan)
G101, G102, G111, and G112 (LS4)
G100
G302
G302 (Sedan)
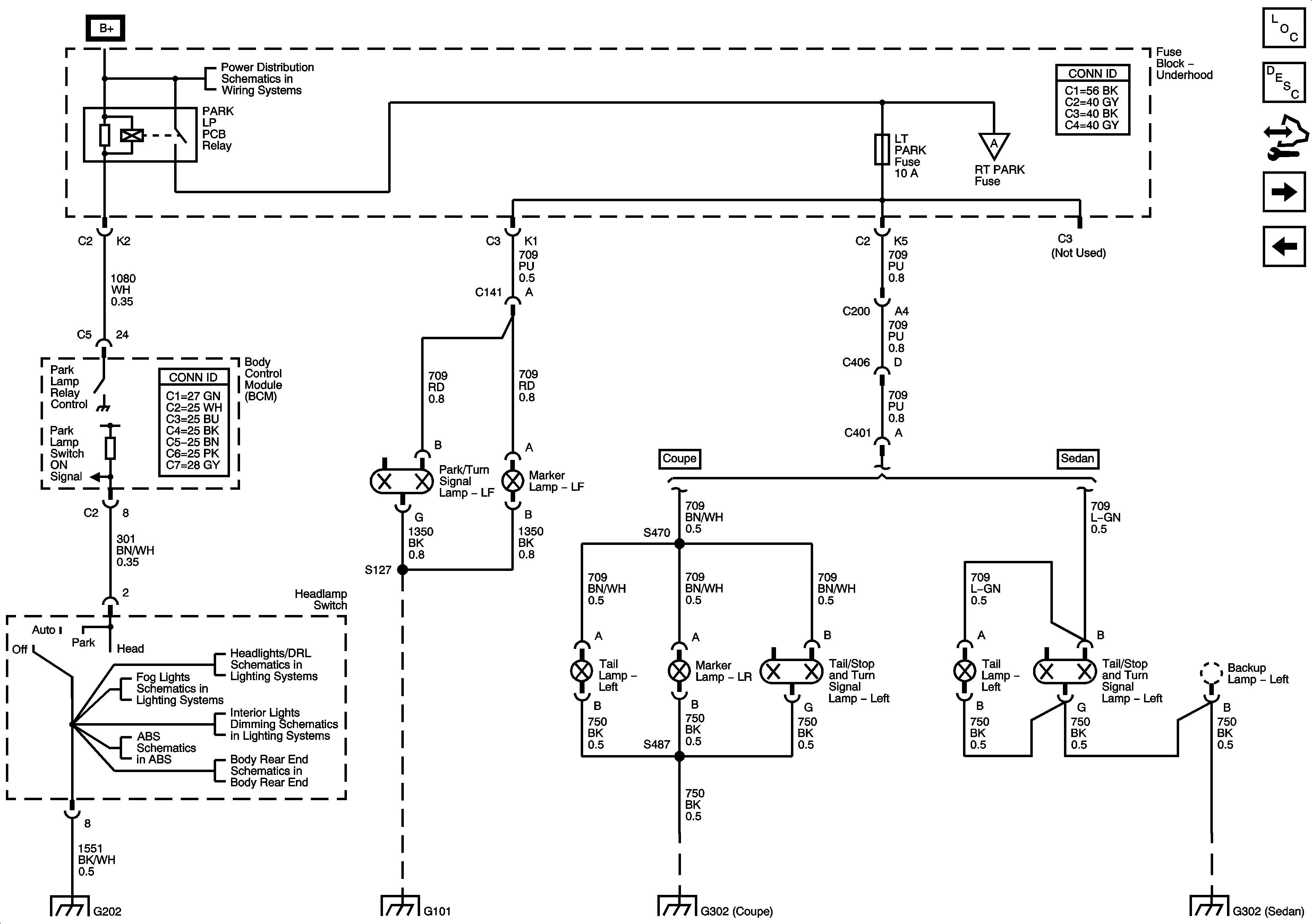
Figure 3:

Park Lamps (1 of 2)


Object Number: 1657099  Size: FS
Master Electrical Component List
Exterior Lighting Systems Description and Operation
Control Module References
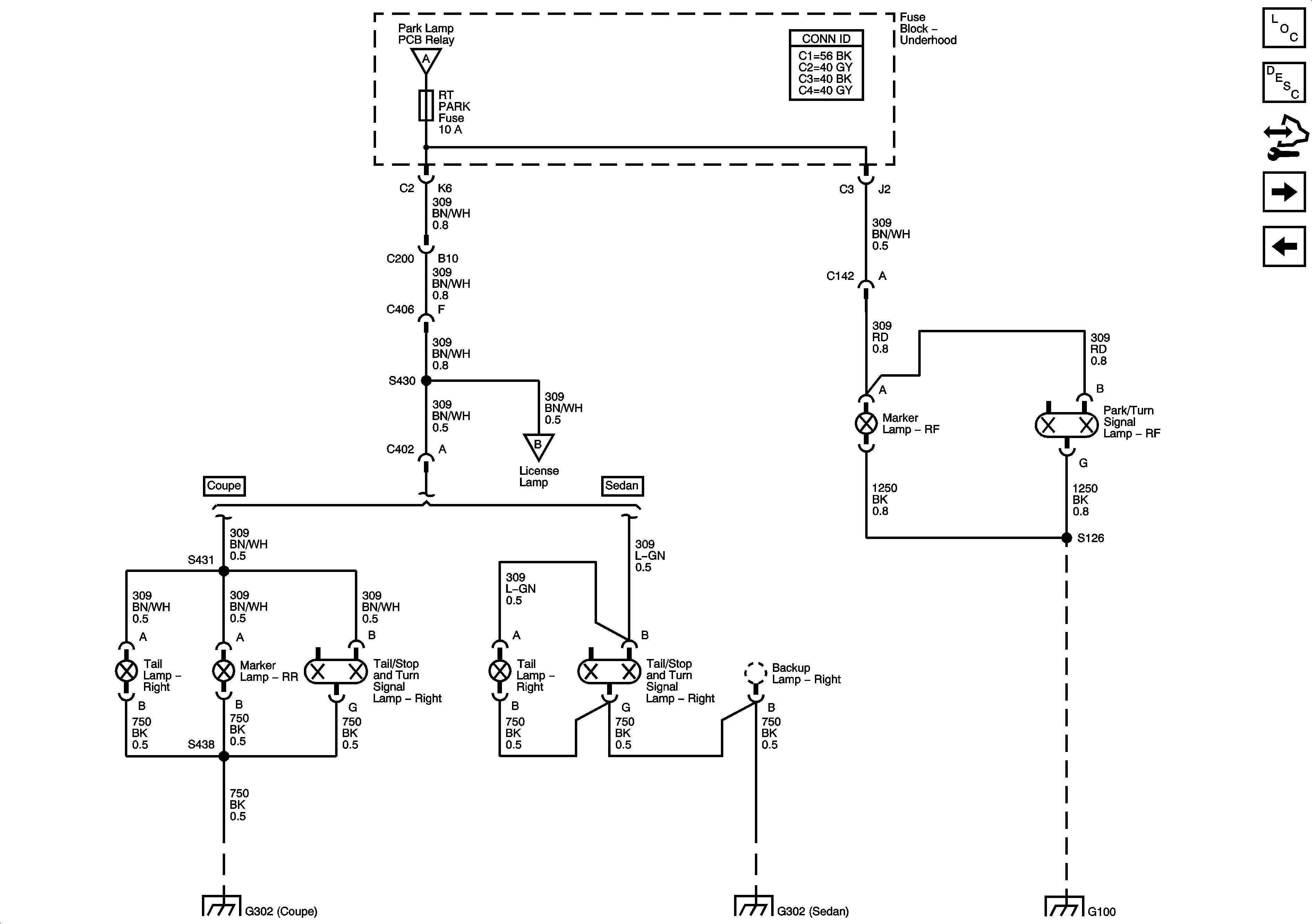
Park Lamps 2 of 2
Turn Signal, Hazard, and Stoplamps Outputs
Fuse Block - Underhood Bussing
Fuse Block - Underhood Bussing
Park Lamps 2 of 2
Switches
Fog Lights Schematics
Coupe
Indicators, ABS, and Traction Control
Body Rear End Schematics
G202, and G204
G101, G102, G111, and G112 (LS4)
G302
G302 (Sedan)
Figure 4:

Park Lamps (2 of 2)


Object Number: 1713402  Size: FS
Master Electrical Component List
Exterior Lighting Systems Description and Operation
Control Module References
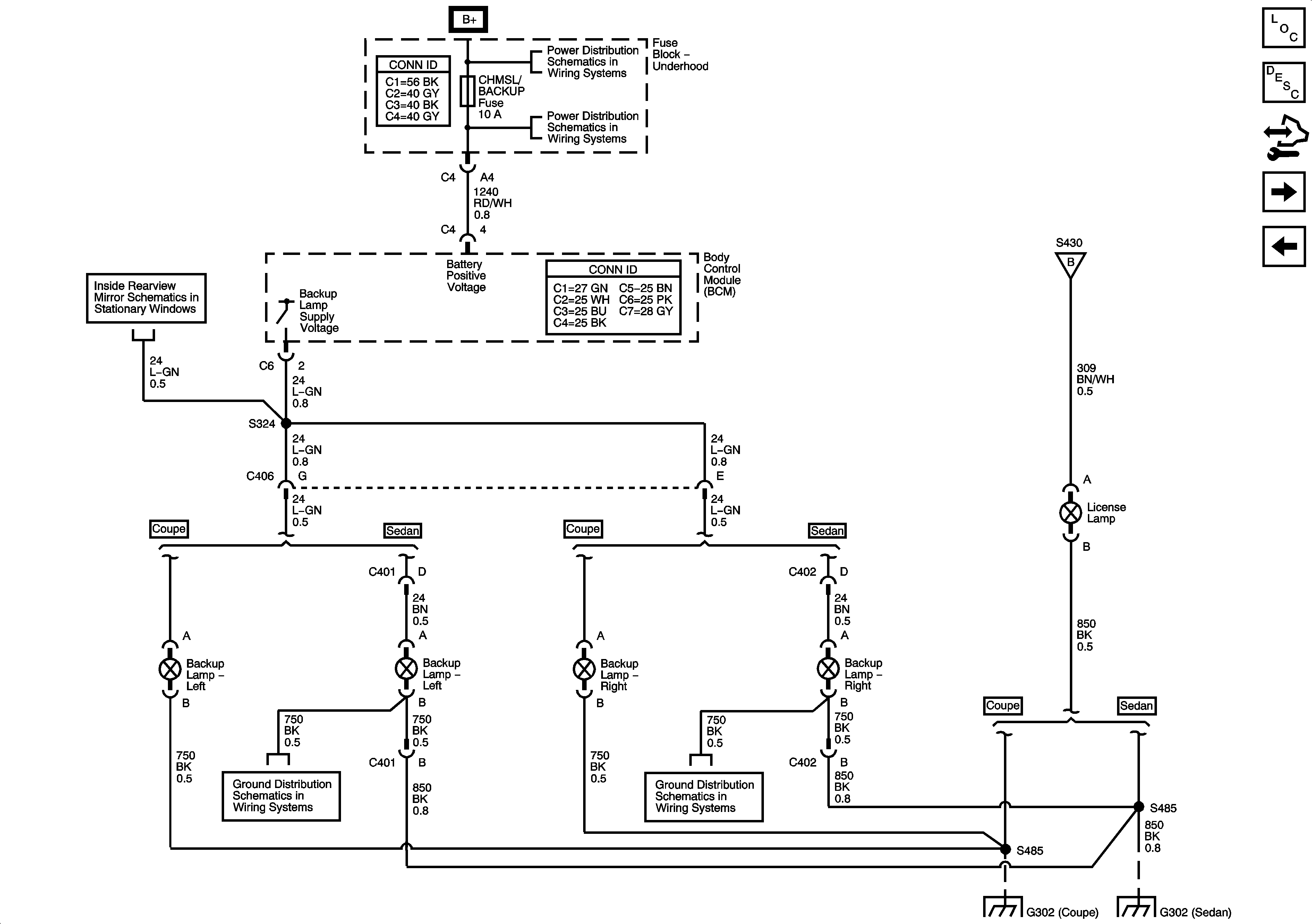
Backup, and License Lamps
Park Lamps 1 of 2
Park Lamps 1 of 2
Backup, and License Lamps
G302
G302 (Sedan)
G100
Figure 5:

Backup, and License Lamps


Object Number: 1657100  Size: FS
Master Electrical Component List
Exterior Lighting Systems Description and Operation
Control Module References
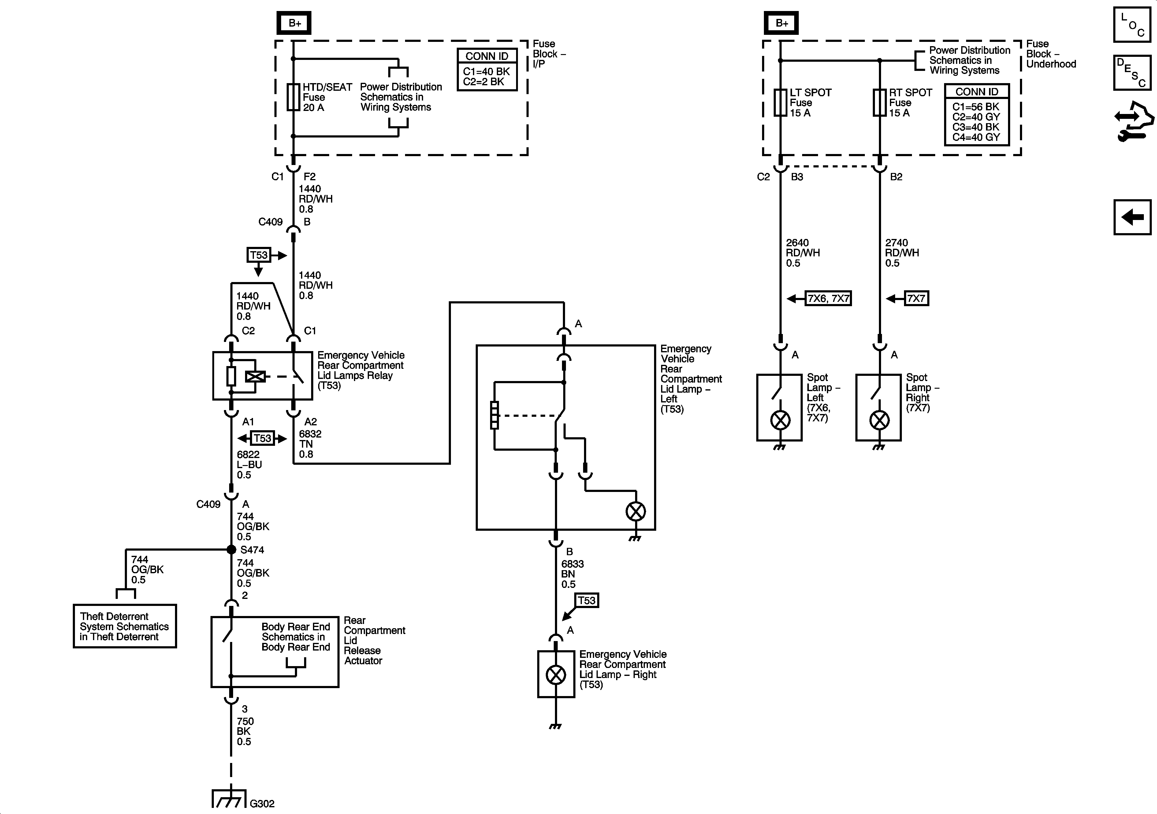
Emergency Vehicle Rear Compartment Lid Lamps, and Spot Lamps - T53, 7X6, 7X7
Park Lamps 2 of 2
Fuse Block - Underhood Bussing
Fuse Block - Underhood Bussing
INT LTS/PNL DIM, LT T/SIG RT T/SIG, CHMSL/BACKUP, INT LIGHTS, RVC SEN, and ECM/TCM Fuses
Inside Rearview Mirror Schematics
Park Lamps 2 of 2
G302 (Sedan)
G302 (Sedan)
G302
G302 (Sedan)
Figure 6:

Emergency Vehicle Rear Compartment Lid Lamps, and Spot Lamps - T53, 7X6, 7X7


Object Number: 1657101  Size: FS
Master Electrical Component List
Exterior Lighting Systems Description and Operation
Control Module References
Backup, and License Lamps
BATT 2, HTD/SEAT, AIRBAG, PWR/MIR Fuses, and PWR/SEAT Circuit Breaker
BATT 2, HTD/SEAT, AIRBAG, PWR/MIR Fuses, and PWR/SEAT Circuit Breaker
Fuse Block - Underhood Bussing
Fuse Block - Underhood Bussing
Content Theft Deterrent (CTD) System
Body Rear End Schematics
G302 (Sedan)