GM Service Manual Online
For 1990-2009 cars only
Figure 1:

Power, Ground, and References


Object Number: 1657205  Size: FS
Master Electrical Component List
Radio/Audio System Description and Operation
Control Module References
Radio to Speakers - UW6
Fuse Block - Underhood Bussing
BATT 4, ABS MTR 1, ABS MTR 2, AUX PWR, RADIO Fuses, and PWR/WNDW Circuit Breaker
BATT 1, CNSTR, ONSTAR, AMP, and AUX Fuses
BATT 1, CNSTR, ONSTAR, AMP, and AUX Fuses
Power, Ground, and Low Speed GMLAN Serial Data
Radio, HVAC Control Module, Driver Information Center (DIC) Switch, and Steering Wheel Controls
OnStar Schematics
G202, and G204
G403, and G404
Figure 2:

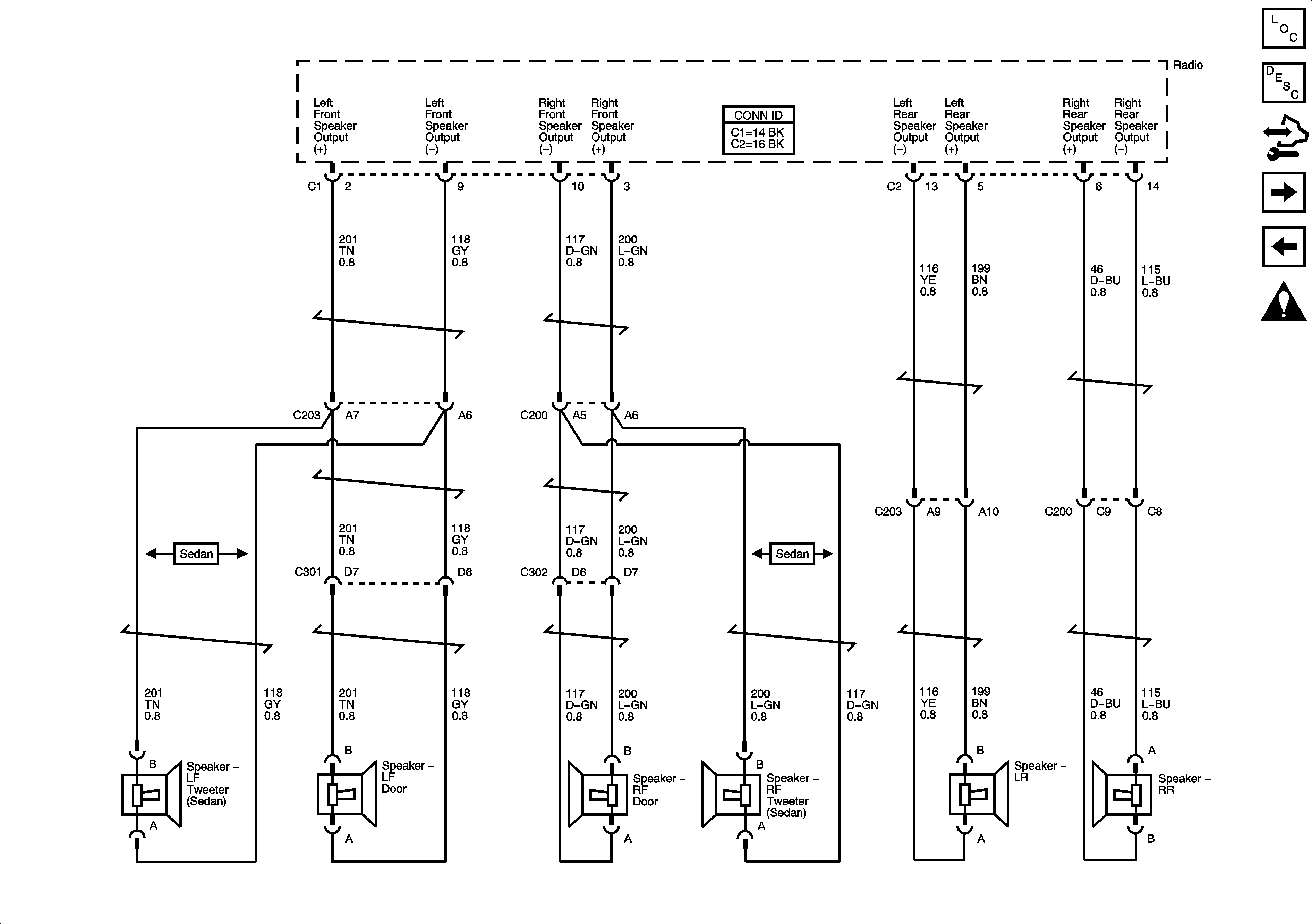
Radio to Speakers - UW6


Object Number: 1657208  Size: FS
Master Electrical Component List
Radio/Audio System Description and Operation
Control Module References
Audio Signal Communication - UQ3/U87
Power, Ground, and References
Entertainment Schematic Icons
Figure 3:

Audio Signal Communication - UQ3/U87


Object Number: 1657209  Size: FS
Master Electrical Component List
Radio/Audio System Description and Operation
Control Module References
Audio Amplifier to Speakers - UQ3, Sedan
Radio to Speakers - UW6
Entertainment Schematic Icons
Figure 4:

Audio Amplifier to Speakers - UQ3, Sedan


Object Number: 1657210  Size: FS
Master Electrical Component List
Radio/Audio System Description and Operation
Control Module References
Amplifier to Speakers - U87,Coupe
Audio Signal Communication - UQ3/U87
Entertainment Schematic Icons
Figure 5:

Amplifier to Speakers - U87, Coupe


Object Number: 1657212  Size: FS
Master Electrical Component List
Radio/Audio System Description and Operation
Control Module References
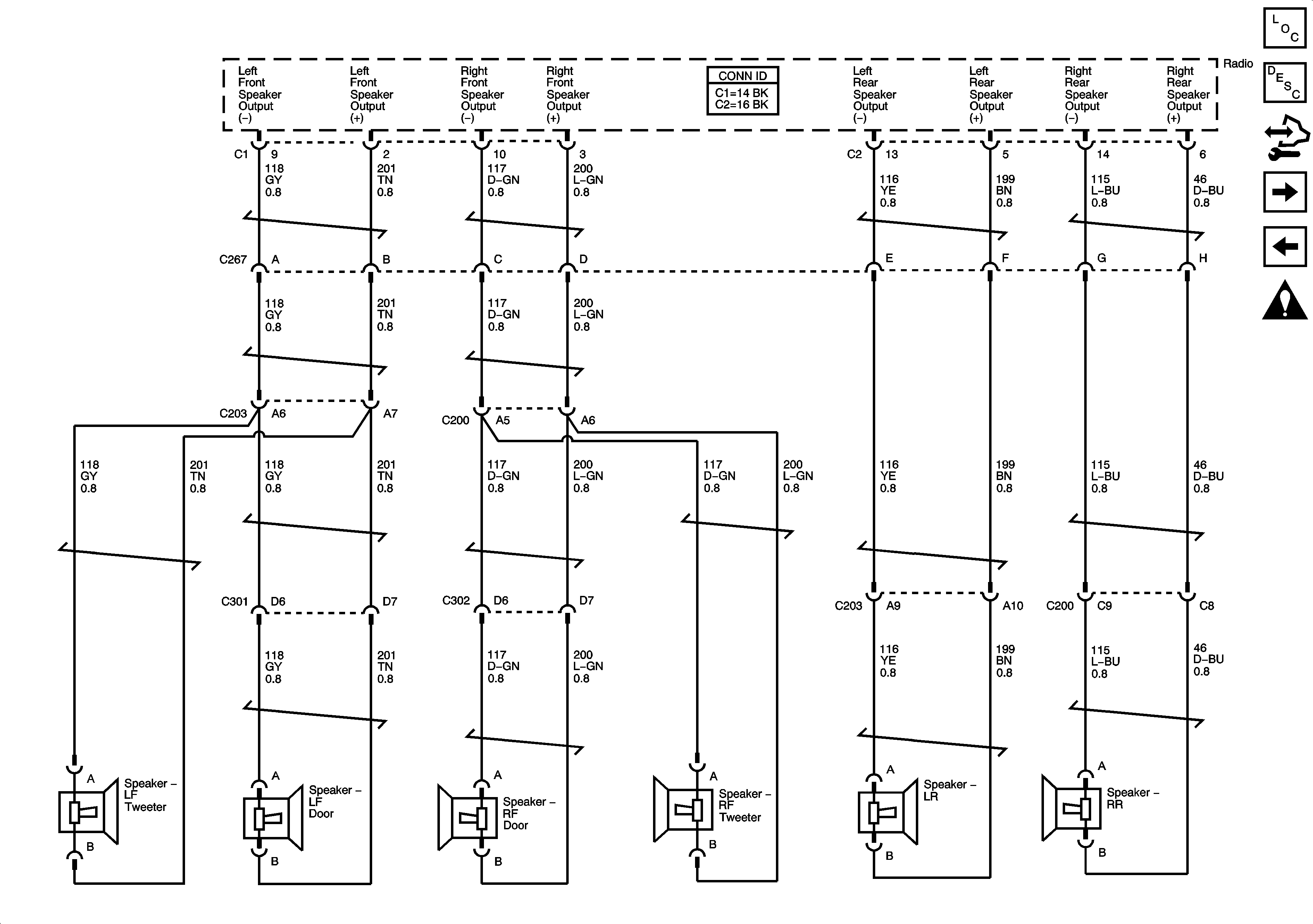
Radio To Speakers - 9C1, 9C3, w/o WX7
Audio Amplifier to Speakers - UQ3, Sedan
Entertainment Schematic Icons
Figure 6:

Radio to Speakers - 9C1, 9C3, w/o WX7


Object Number: 1657213  Size: FS
Master Electrical Component List
Radio/Audio System Description and Operation
Control Module References
Radio To Speakers - 9C1, 9C3, and WX7
Amplifier to Speakers - U87,Coupe
Entertainment Schematic Icons
Figure 7:

Radio to Speakers - 9C1, 9C3, and WX7


Object Number: 1657214  Size: FS
Master Electrical Component List
Radio/Audio System Description and Operation
Control Module References
Satellite Radio - U2K
Radio To Speakers - 9C1, 9C3, w/o WX7
Entertainment Schematic Icons
Figure 8:

Satellite Radio - U2K


Object Number: 1657216  Size: FS
Master Electrical Component List
Radio/Audio System Description and Operation
Control Module References
Radio To Speakers - 9C1, 9C3, and WX7
BATT 1, CNSTR, ONSTAR, AMP, and AUX Fuses
BATT 1, CNSTR, ONSTAR, AMP, and AUX Fuses
BATT 1, CNSTR, ONSTAR, AMP, and AUX Fuses
Power, Ground, and Low Speed GMLAN Serial Data
Entertainment Schematic Icons
Entertainment Schematic Icons
Entertainment Schematic Icons
Entertainment Schematic Icons
G403, and G404