GM Service Manual Online
For 1990-2009 cars only
Figure 1:

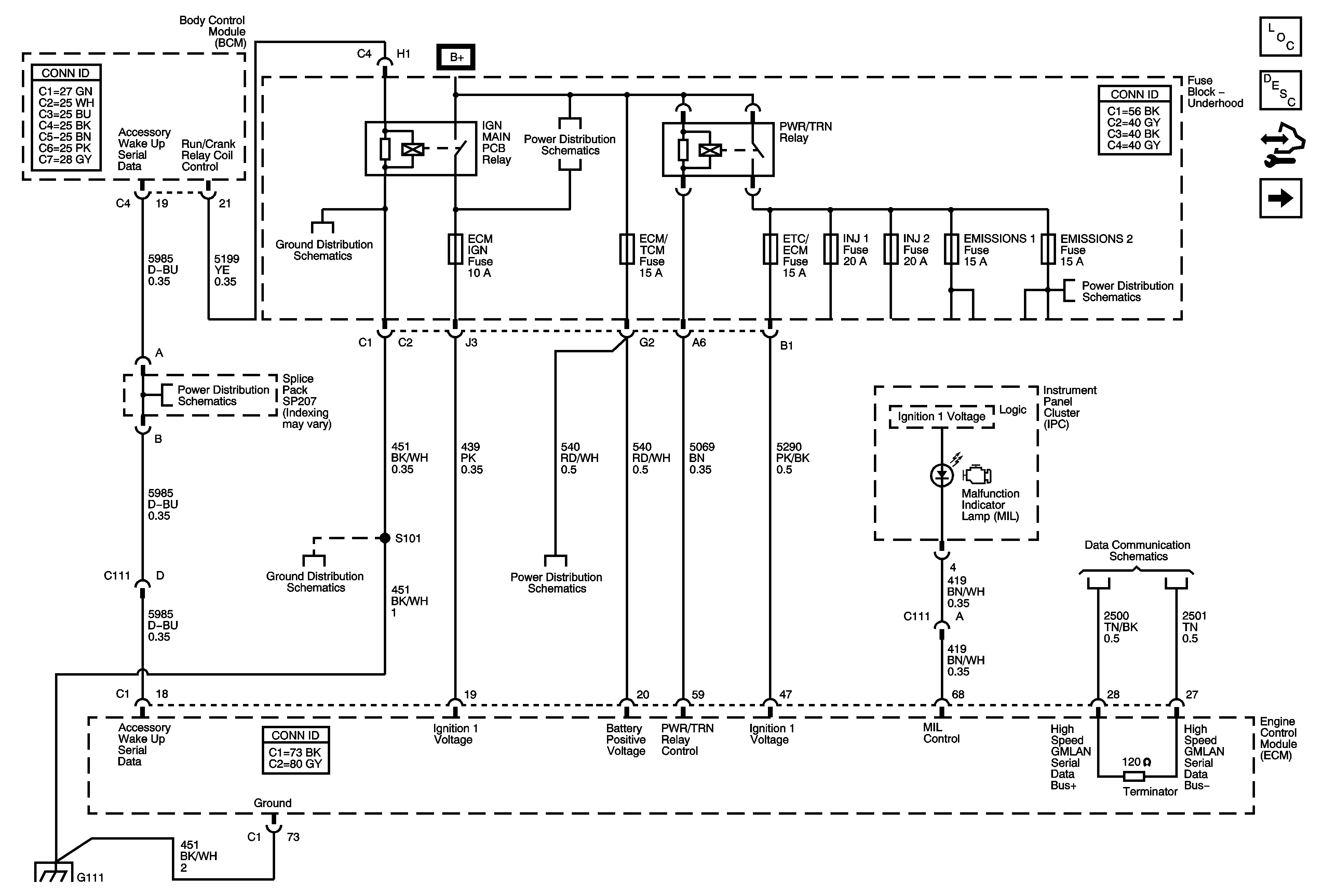
ECM Power, Ground, MIL, and Serial Data


Object Number: 1760680  Size: FS
Master Electrical Component List
Engine Control Module Description
Control Module References
5-Volt and Low Reference Bussing
Fuse Block - Underhood Bussing
G101, G102, and G111
Fuse Block - Underhood Bussing
EMISSIONS 1, EMISSIONS 2, A/C CMPRSR Fuses, A/C CMPRSR, FAN 1, FAN 2, and FAN 3 Relays
Ignition Switch
G101, G102, and G111
INT LTS/PNL DIM, LT T/SIG, RT T/SIG, CHMSL/BACKUP, INT LIGHTS, RVC SEN, and ECM/TCM Fuses
High Speed GMLAN Serial Data
G101, G102, and G111
Figure 2:

5-Volt and Low Reference Bussing


Object Number: 1760682  Size: FS
Master Electrical Component List
Engine Control Module Description
Control Module References
MAF/IAT, MAP, and ECT Sensors
ECM Power, Ground, MIL, and Serial Data
Figure 3:

MAF/IAT, MAP, and ECT Sensors


Object Number: 1760683  Size: FS
Master Electrical Component List
Engine Control Module Description
Control Module References
Heated Oxygen Sensors
5-Volt and Low Reference Bussing
ECM Power, Ground, MIL, and Serial Data
EMISSIONS 1, EMISSIONS 2, A/C CMPRSR Fuses, A/C CMPRSR, FAN 1, FAN 2, and FAN 3 Relays
Turn Signal, Hazard, and Stop Lamps Outputs
G101, G102, and G111
G101, G102, and G111
Figure 4:

Heated Oxygen Sensors


Object Number: 1760684  Size: FS
Master Electrical Component List
Engine Control Module Description
Control Module References
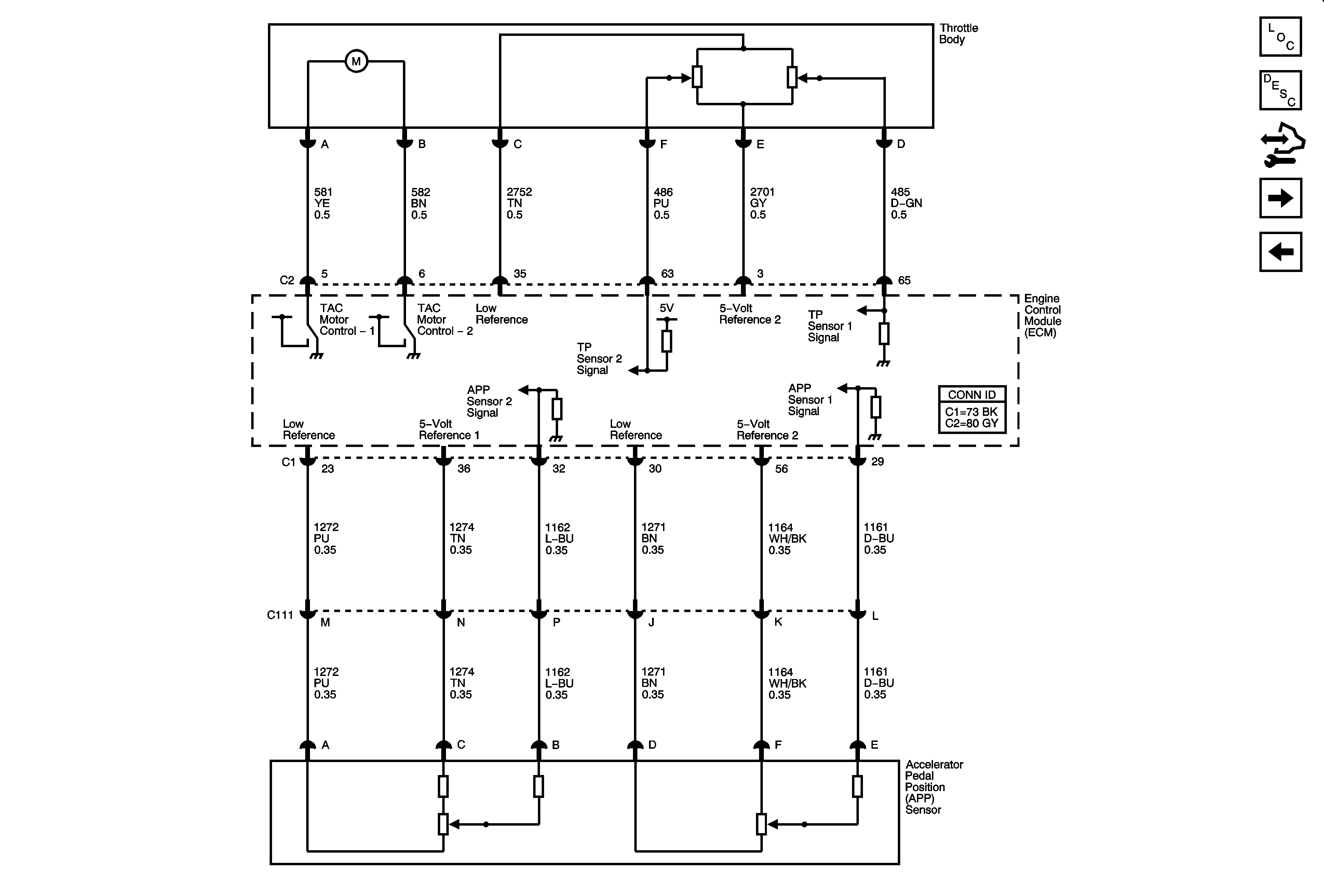
Electronic Throttle Controls
MAF/IAT, MAP, and ECT Sensors
ECM Power, Ground, MIL, and Serial Data
EMISSIONS 1, EMISSIONS 2, A/C CMPRSR Fuses, A/C CMPRSR, FAN 1, FAN 2, and FAN 3 Relays
Figure 5:

Electronic Throttle Controls


Object Number: 1760686  Size: FS
Master Electrical Component List
Throttle Actuator Control (TAC) System Description
Control Module References
Fuel Injectors and Fuel Pump Controls
Heated Oxygen Sensors
Figure 6:

Fuel Injectors and Fuel Pump Controls


Object Number: 1760689  Size: FS
Master Electrical Component List
Fuel System Description
Control Module References
EVAP Solenoids, IMT Solenoid, and FTP Sensor
Electronic Throttle Controls
Fuse Block - Underhood Bussing
Fuse Block - Underhood Bussing
ECM Power, Ground, MIL, and Serial Data
ETC/ECM, INJ 1, INJ 2 Fuses (LZE, LZ4, LZ8)
G101, G102, and G111
G101, G102, and G111
Power, Ground, and Gages
G101, G102, and G111
G302 (Coupe)
G302 (Sedan)
Figure 7:

EVAP Solenoids, IMT Solenoid, and FTP Sensor


Object Number: 1760691  Size: FS
Master Electrical Component List
Evaporative Emission Control System Description
Control Module References
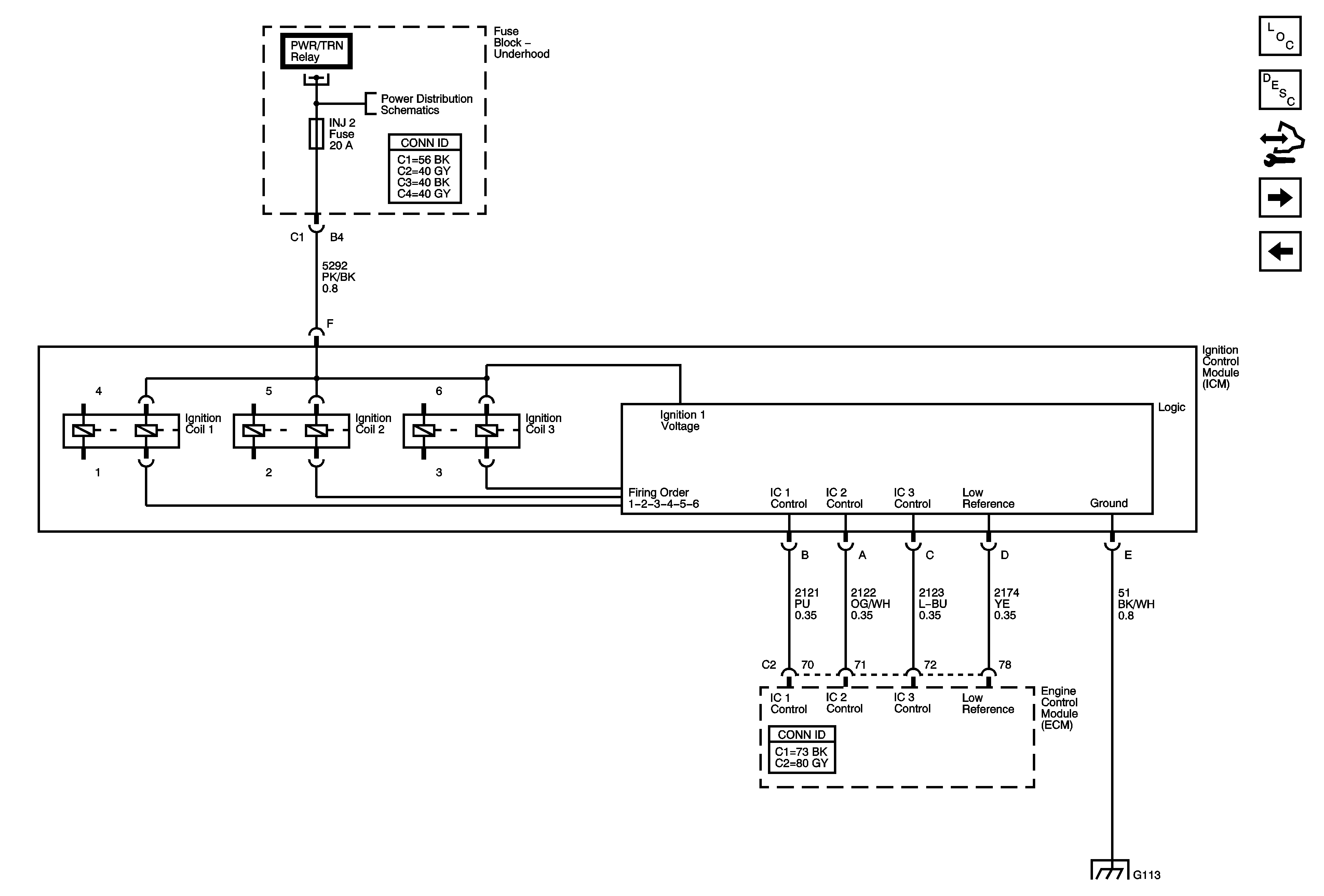
Ignition Control Module
Fuel Injectors and Fuel Pump Controls
BATT 1, CNSTR, ONSTAR, TRUNK, AMP, AUX Fuses, and TRUNK Relay
BATT 1, CNSTR, ONSTAR, TRUNK, AMP, AUX Fuses, and TRUNK Relay
ECM Power, Ground, MIL, and Serial Data
Fuse Block - Underhood Bussing
EMISSIONS 1, EMISSIONS 2, A/C CMPRSR Fuses, A/C CMPRSR, FAN 1, FAN 2, and FAN 3 Relays
Power, Ground, and Gages
Figure 8:

Ignition Control Module


Object Number: 1760692  Size: FS
Master Electrical Component List
Electronic Ignition (EI) System Description
Control Module References
Camshaft, Crankshaft, Knock Sensors, and Camshaft Position Actuator Solenoid
EVAP Solenoids, IMT Solenoid, and FTP Sensor
ECM Power, Ground, MIL, and Serial Data
ETC/ECM, INJ 1, INJ 2 Fuses (LS4)
G113 and G115
Figure 9:

Camshaft, Crankshaft, Knock Sensors, and Camshaft Position Actuator Solenoid


Object Number: 1760693  Size: FS
Master Electrical Component List
Camshaft Actuator System Description
Control Module References
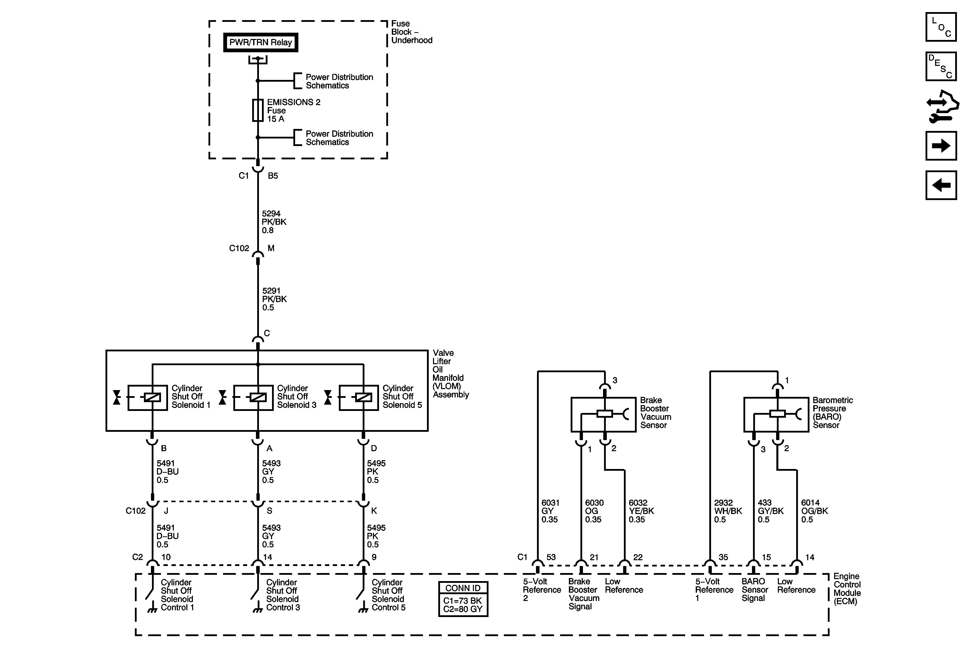
Valve Lifter Oil Manifold (VLOM) Assembly, Brake Booster Vacuum Sensor, and Barometric Pressure (BARO) Sensor
Ignition Control Module
Engine Controls Schematic Icons
Engine Controls Schematic Icons
Figure 10:

Valve Lifter Oil Manifold (VLOM) Assembly, Brake Booster Vacuum Sensor, and Barometric Pressure (BARO) Sensor


Object Number: 1825512  Size: FS
Master Electrical Component List
Cylinder Deactivation (Active Fuel Management) System Description
Control Module References
Controlled/Monitored Subsystem References
Camshaft, Crankshaft, Knock Sensors, and Camshaft Position Actuator Solenoid
ECM Power, Ground, MIL, and Serial Data
Fuse Block - Underhood Bussing
EMISSIONS 1, EMISSIONS 2, A/C CMPRSR Fuses, A/C CMPRSR, FAN 1, FAN 2, and FAN 3 Relays
Figure 11:

Controlled/Monitored Subsystem References


Object Number: 1760694  Size: FS
Master Electrical Component List
Engine Control Module Description
Control Module References
Valve Lifter Oil Manifold (VLOM) Assembly, Brake Booster Vacuum Sensor, and Barometric Pressure (BARO) Sensor
A/C Compressor Controls
Engine Cooling Schematics
Starter
Generator
Driver Information Center
Indicators
PRNDL and IMS Switch