GM Service Manual Online
For 1990-2009 cars only
Figure 1:

G100


Object Number: 1760146  Size: FS
Master Electrical Component List
Control Module References
G101, G102, and G111
Figure 2:

G101, G102, and G111


Object Number: 1760147  Size: FS
Master Electrical Component List
Control Module References
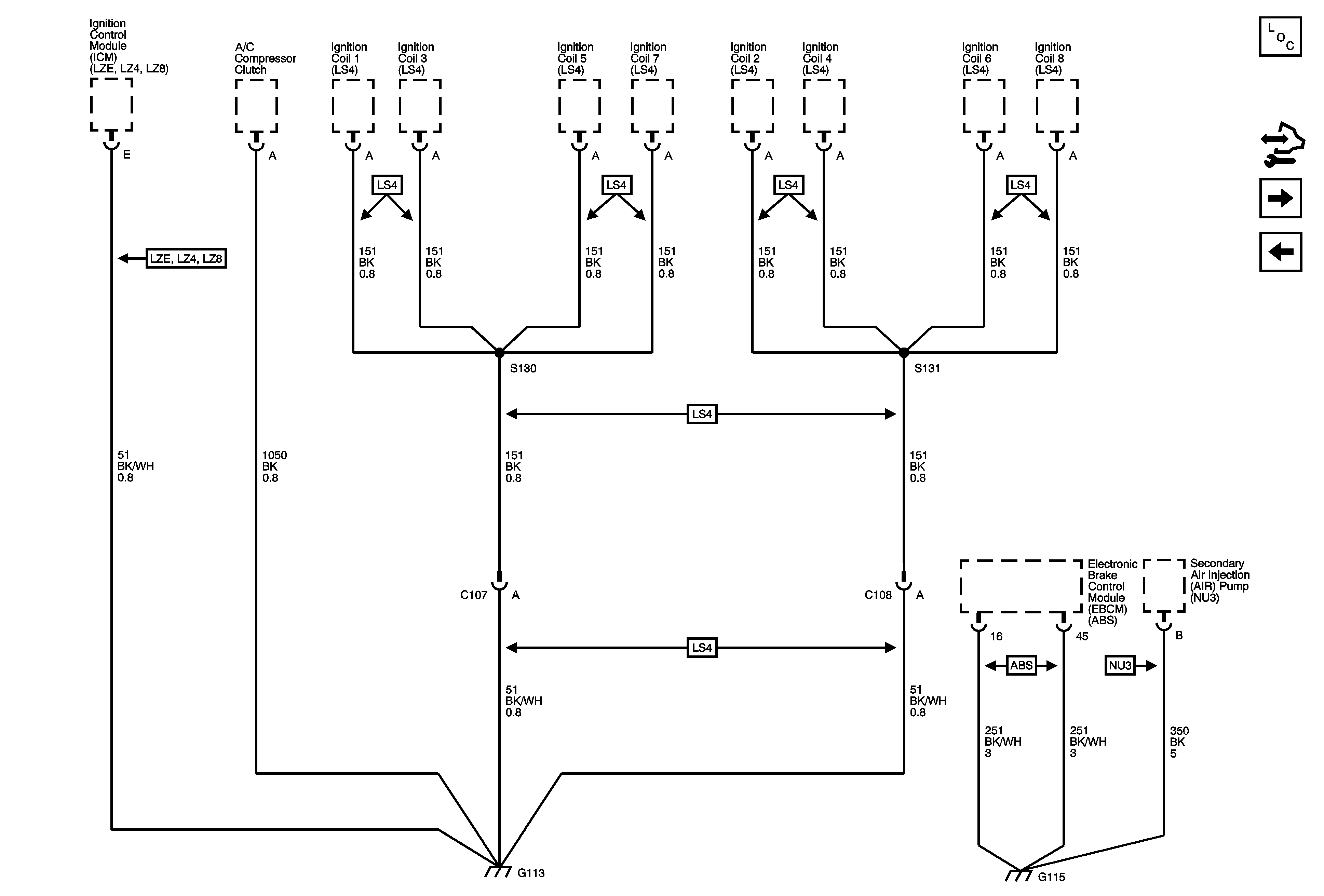
G113 and G115
G100
Figure 3:

G113 and G115


Object Number: 1760149  Size: FS
Master Electrical Component List
Control Module References
G200
G101, G102, and G111
Figure 4:

G200


Object Number: 1760150  Size: FS
Master Electrical Component List
Control Module References
G201
G113 and G115
Figure 5:

G201


Object Number: 1760151  Size: FS
Master Electrical Component List
Control Module References
G202 and G204
G200
Power and Grounding Schematic Icons
Power and Grounding Schematic Icons
Figure 6:

G202 and G204


Object Number: 1760153  Size: FS
Master Electrical Component List
Control Module References
G301
G201
Figure 7:

G301


Object Number: 1760154  Size: FS
Master Electrical Component List
Control Module References
G302 (Coupe)
G202 and G204
Power and Grounding Schematic Icons
Figure 8:

G302 (Coupe)


Object Number: 1760155  Size: FS
Master Electrical Component List
Control Module References
G302 (Sedan)
G301
Power and Grounding Schematic Icons
Power and Grounding Schematic Icons
Figure 9:

G302 (Sedan)


Object Number: 1760157  Size: FS
Master Electrical Component List
Control Module References
G403 and G404
G302 (Coupe)
Power and Grounding Schematic Icons
Power and Grounding Schematic Icons
Figure 10:

G403 and G404


Object Number: 1760158  Size: FS
Master Electrical Component List
Control Module References
G302 (Sedan)