GM Service Manual Online
For 1990-2009 cars only
Makes
🢒
Chevrolet
🢒
2007
🢒
Monte Carlo
🢒
Diagnostic Navigation
🢒
Vehicle Diagnostic Information
🢒 Data Communication Schematics
Figure
1:
Power, Ground, and Low Speed GMLAN Serial Data
Master Electrical Component List
Data Link Communications Description and Operation
Control Module References
High Speed GMLAN Serial Data
Fuse Block - Underhood Bussing
Fuse Block - Underhood Bussing
HDLP MDL, DISPLAY, LT SPOT, and RT SPOT Fuses
Data Communication Schematic Icons
Data Communication Schematic Icons
G201
G202 and G204
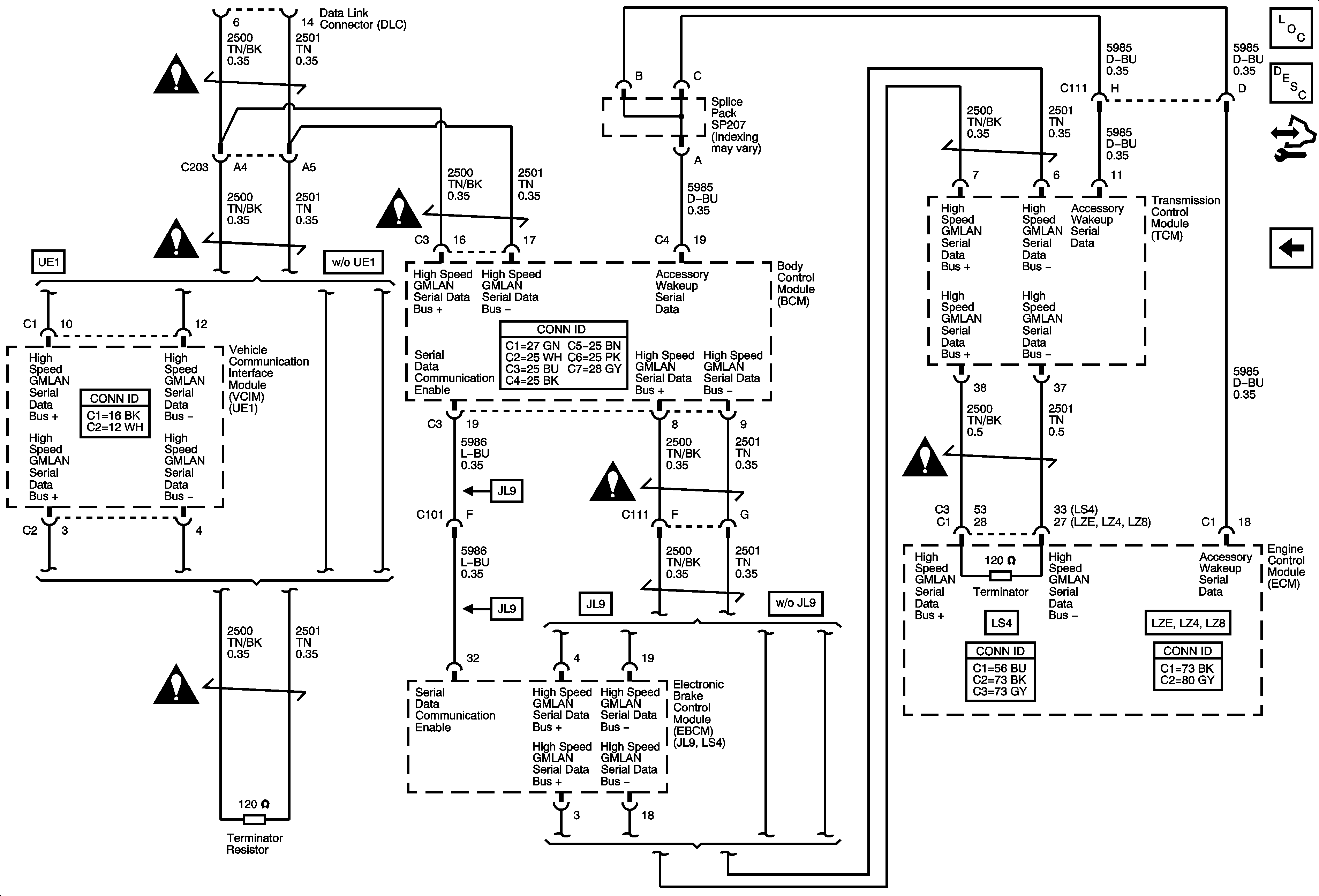
Figure
2:
High Speed GMLAN Serial Data
Master Electrical Component List
Data Link Communications Description and Operation
Control Module References
Power, Ground, and Low Speed GMLAN Serial Data
Data Communication Schematic Icons
Data Communication Schematic Icons
Data Communication Schematic Icons
Data Communication Schematic Icons
Data Communication Schematic Icons
Data Communication Schematic Icons