GM Service Manual Online
For 1990-2009 cars only
Makes
🢒
Chevrolet
🢒
2007
🢒
Monte Carlo
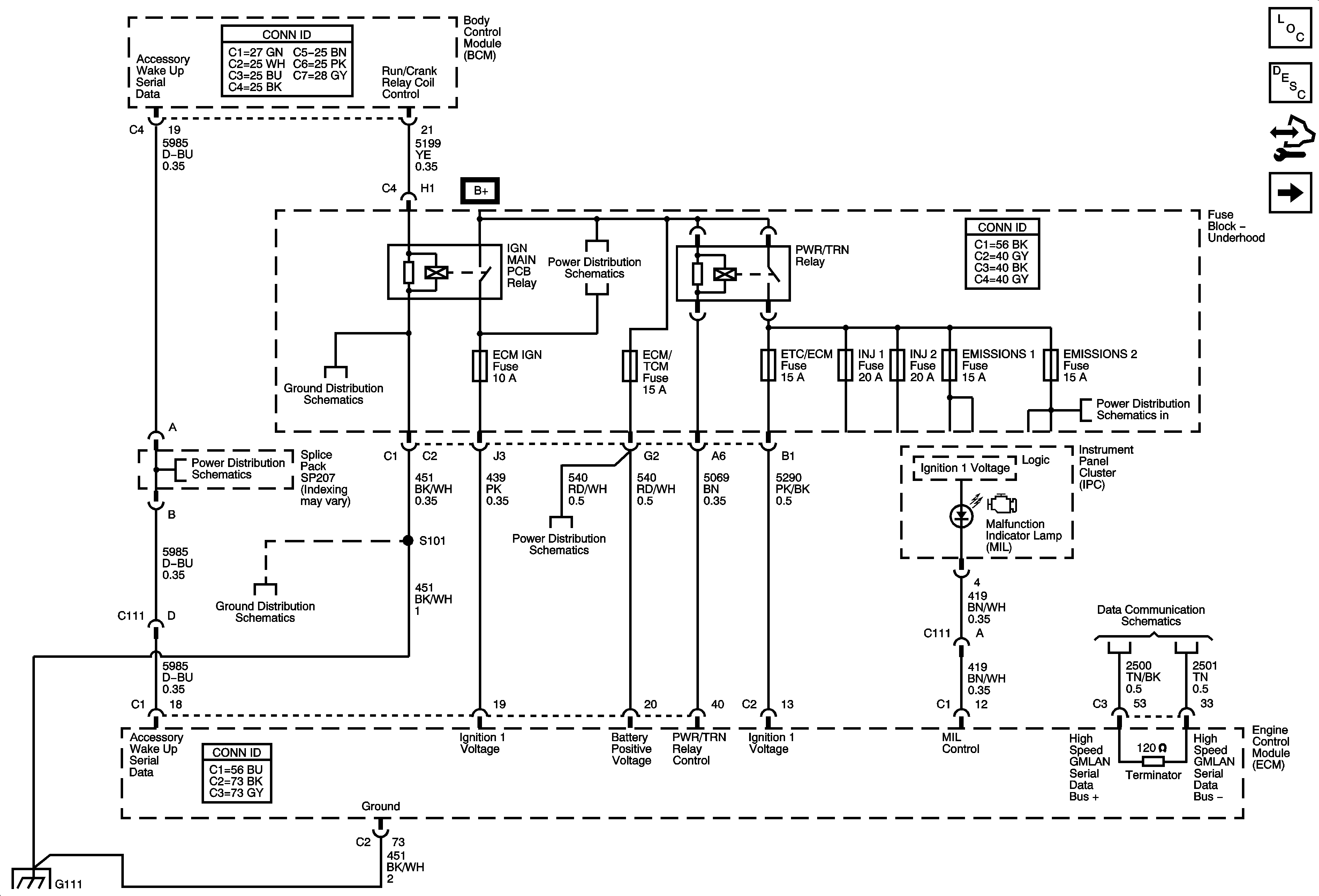
🢒 ECM Power, Ground, MIL, and Serial Data
ECM Power, Ground, MIL, and Serial Data
ECM Power, Ground, MIL, and Serial Data
Master Electrical Component List
Engine Control Module Description
Control Module References
5-Volt and Low Reference Bussing
Fuse Block - Underhood Bussing
Ignition Switch
Fuse Block - Underhood Bussing
EMISSIONS 1, EMISSIONS 2, A/C CMPRSR Fuses, A/C CMPRSR, FAN 1, FAN 2, and FAN 3 Relays
G101, G102, and G111
G101, G102, and G111
INT LTS/PNL DIM, LT T/SIG, RT T/SIG, CHMSL/BACKUP, INT LIGHTS, RVC SEN, and ECM/TCM Fuses
High Speed GMLAN Serial Data
G101, G102, and G111