GM Service Manual Online
For 1990-2009 cars only
Makes
🢒
Chevrolet
🢒
2007
🢒
Monte Carlo
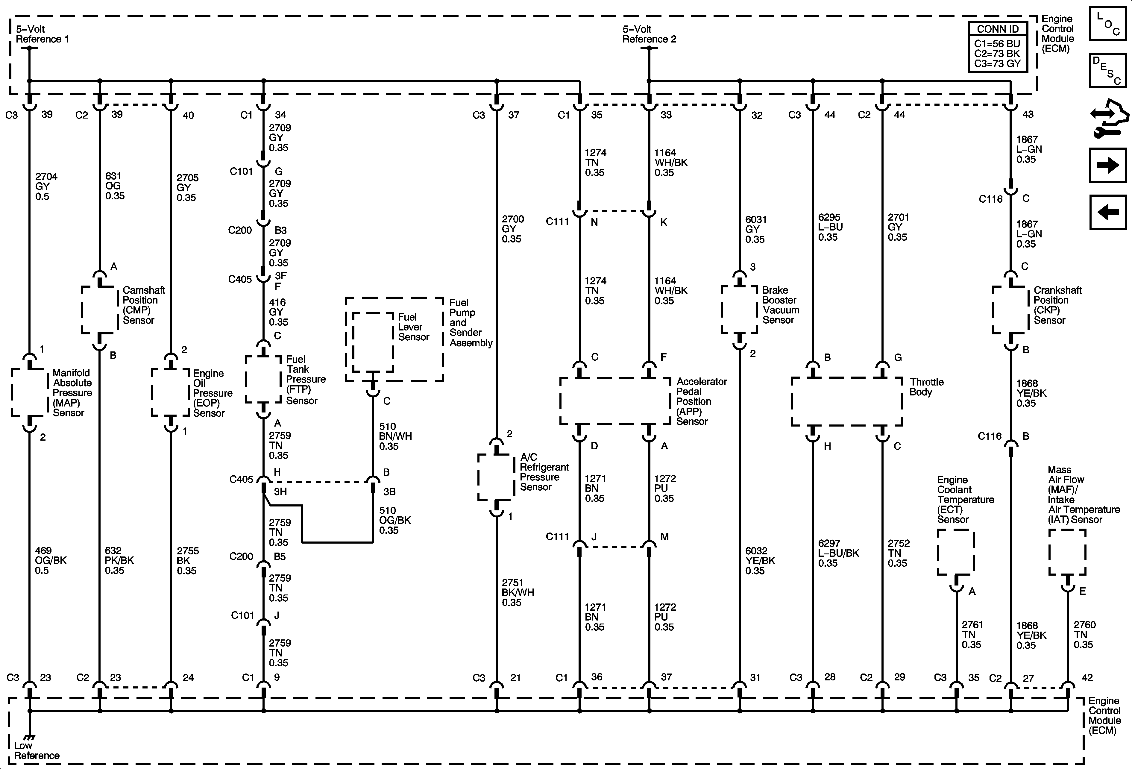
🢒 5-Volt and Low Reference Bussing
5-Volt and Low Reference Bussing
5-Volt and Low Reference Bussing
Master Electrical Component List
Engine Control Module Description
Control Module References
MAP, ECT, and MAF/IAT Sensors
ECM Power, Ground, MIL, and Serial Data