GM Service Manual Online
For 1990-2009 cars only
Makes
🢒
Chevrolet
🢒
2007
🢒
Monte Carlo
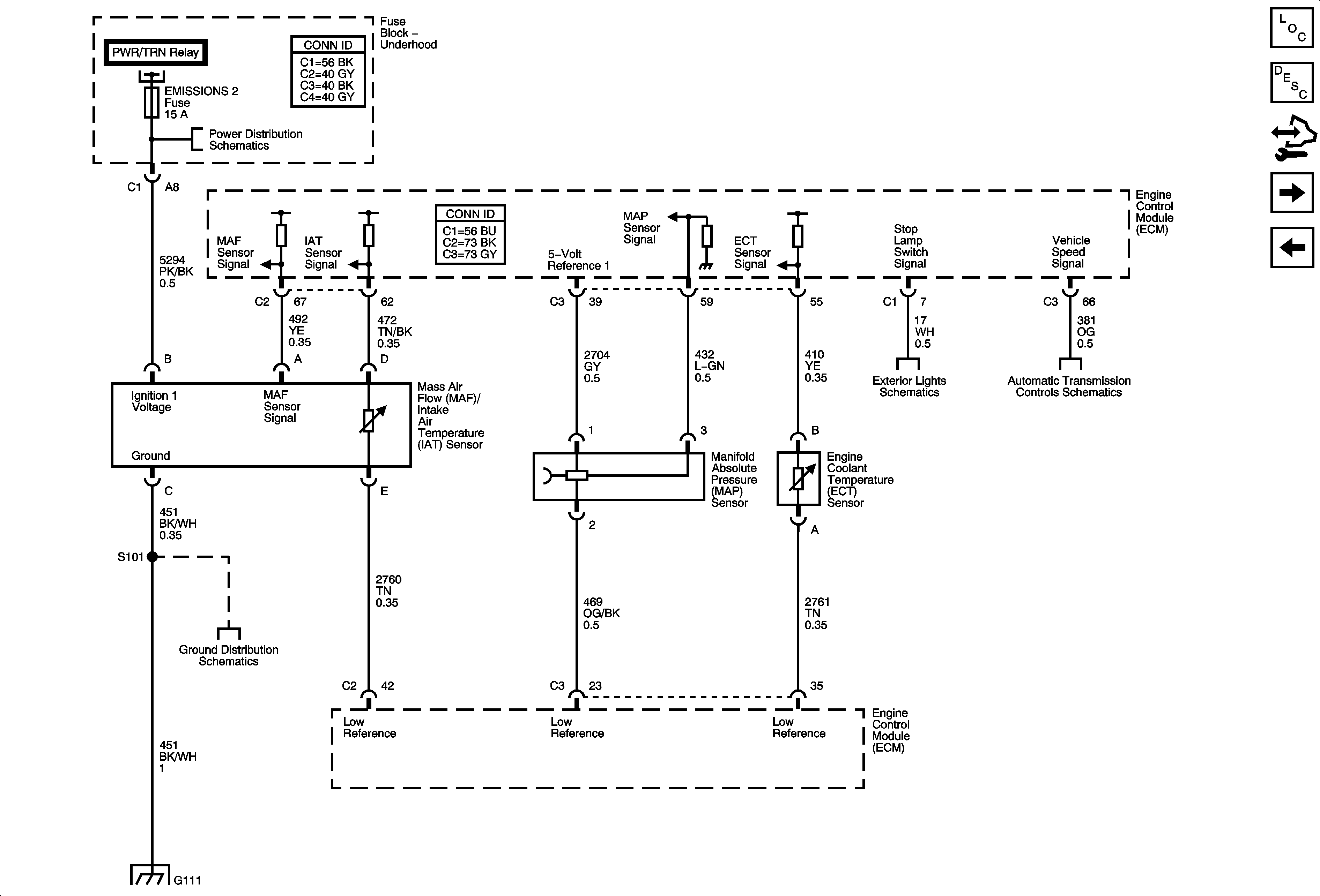
🢒 MAP, ECT, and MAF/IAT Sensors
MAP, ECT, and MAF/IAT Sensors
MAP, ECT, and MAF/IAT Sensors
Master Electrical Component List
Engine Control Module Description
Control Module References
Heated Oxygen Sensors
5-Volt and Low Reference Bussing
ECM Power, Ground, MIL, and Serial Data
EMISSIONS 1, EMISSIONS 2, A/C CMPRSR Fuses, A/C CMPRSR, FAN 1, FAN 2, and FAN 3 Relays
Turn Signal, Hazard, and Stop Lamps Outputs
VSS, AT ISS Sensors, Pressure Control Solenoid Valve, and TCC Release Switch
G101, G102, and G111
G101, G102, and G111