GM Service Manual Online
For 1990-2009 cars only
Makes
🢒
Chevrolet
🢒
2007
🢒
Monte Carlo
🢒 Power, Ground, and Serial Data
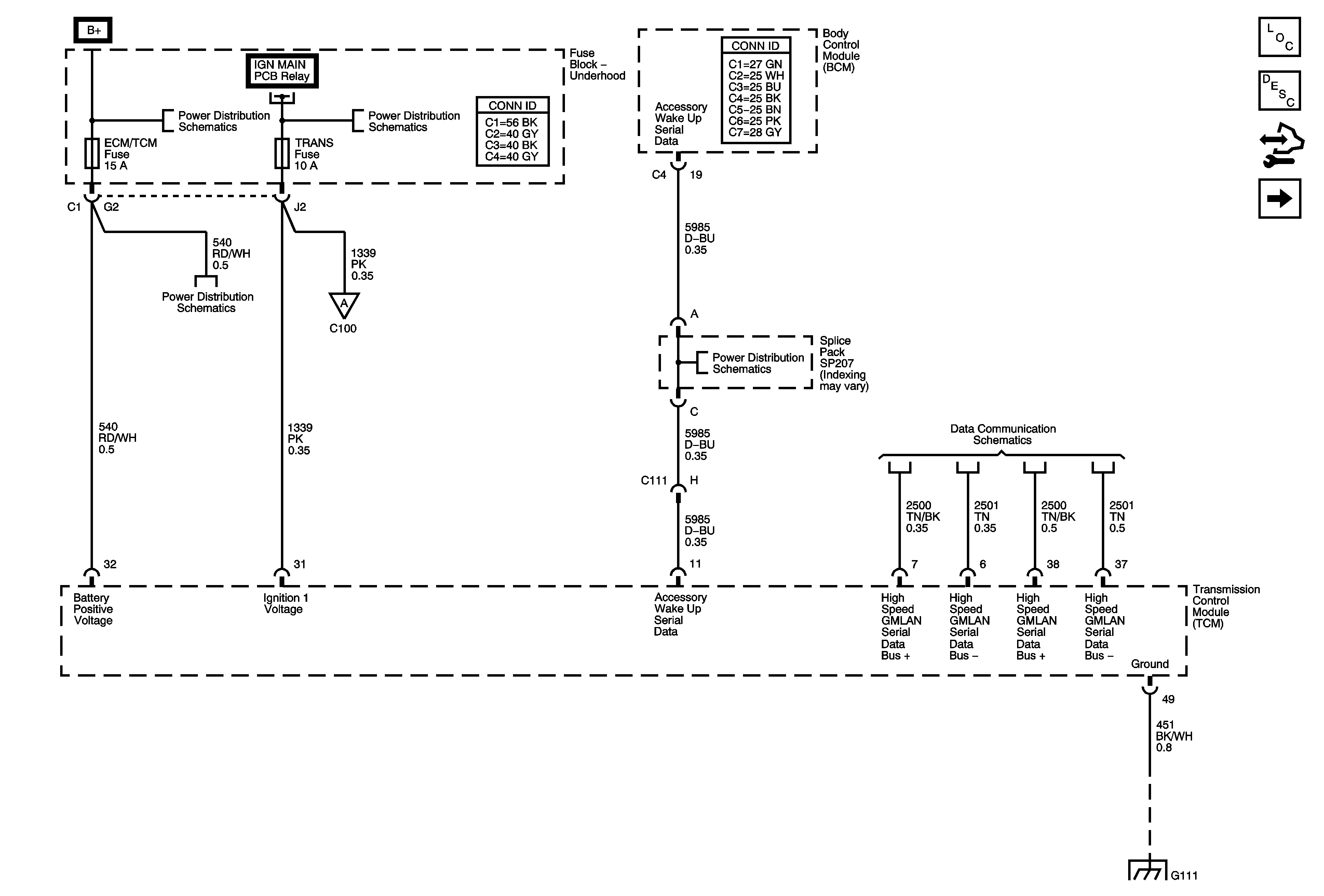
Power, Ground, and Serial Data
Power, Ground, and Serial Data
Master Electrical Component List
Electronic Component Description
Control Module References
Stop Lamp Switch Signal, TFT Sensor, TCC, and Shift Solenoids
Fuse Block - Underhood Bussing
INT LTS/PNL DIM, LT T/SIG, RT T/SIG, CHMSL/BACKUP, INT LIGHTS, RVC SEN, and ECM/TCM Fuses
Fuse Block - Underhood Bussing
Fuse Block - Underhood Bussing
INT LTS/PNL DIM, LT T/SIG, RT T/SIG, CHMSL/BACKUP, INT LIGHTS, RVC SEN, and ECM/TCM Fuses
Stop Lamp Switch Signal, TFT Sensor, TCC, and Shift Solenoids
Ignition Switch
High Speed GMLAN Serial Data
G101, G102, and G111