GM Service Manual Online
For 1990-2009 cars only
Makes
🢒
Chevrolet
🢒
2007
🢒
Monte Carlo
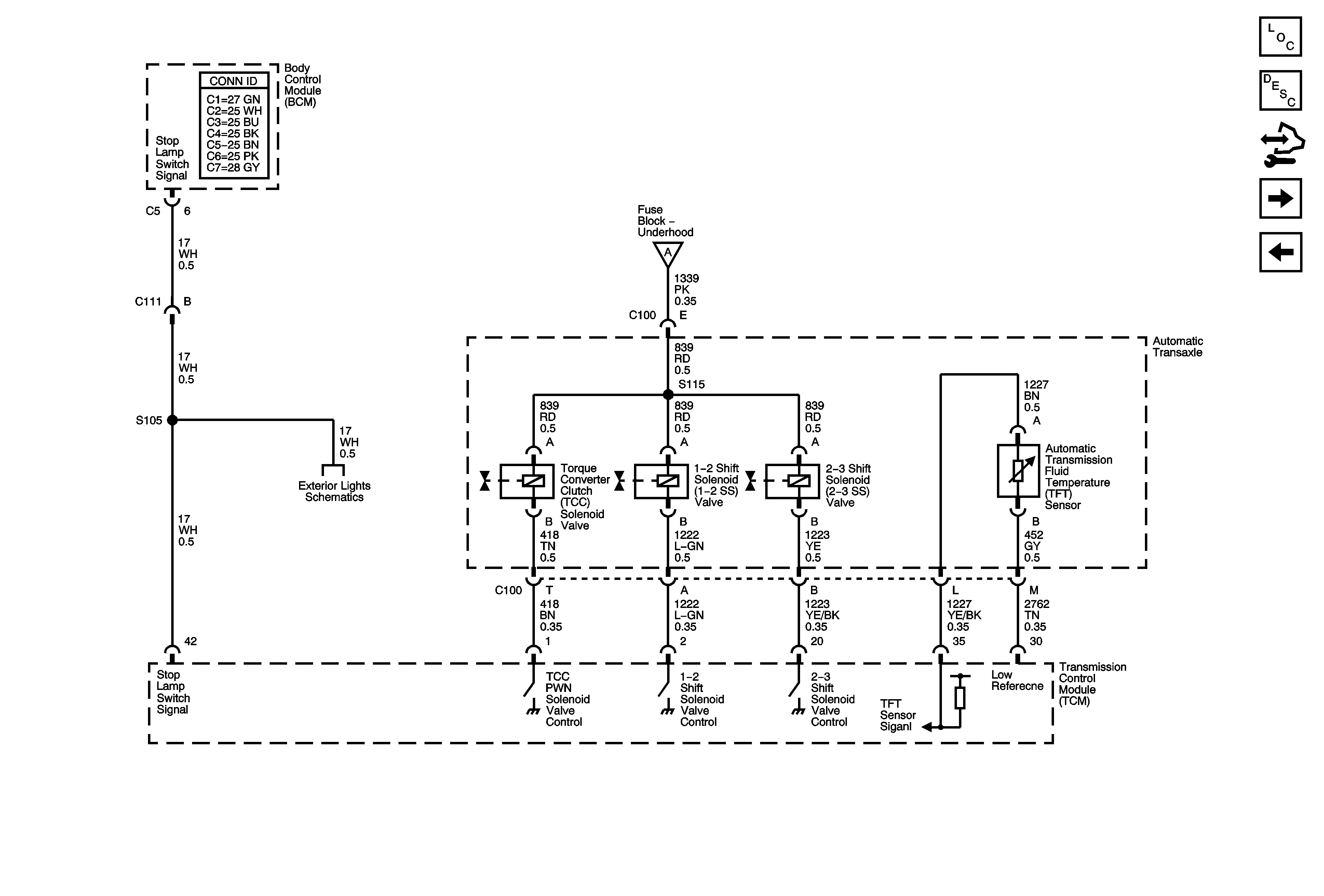
🢒 Stop Lamp Switch Signal, TFT Sensor, TCC, and Shift Solenoids
Stop Lamp Switch Signal, TFT Sensor, TCC, and Shift Solenoids
Stop Lamp Switch Signal, TFT Sensor, TCC, and Shift Solenoids
Master Electrical Component List
Electronic Component Description
Control Module References
VSS, AT ISS Sensors, Pressure Control Solenoid Valve, and TCC Release Switch
Power, Ground, and Serial Data
Power, Ground, and Serial Data
Turn Signal, Hazard, and Stop Lamps Outputs