GM Service Manual Online
For 1990-2009 cars only
Makes
🢒
Chevrolet
🢒
2007
🢒
Monte Carlo
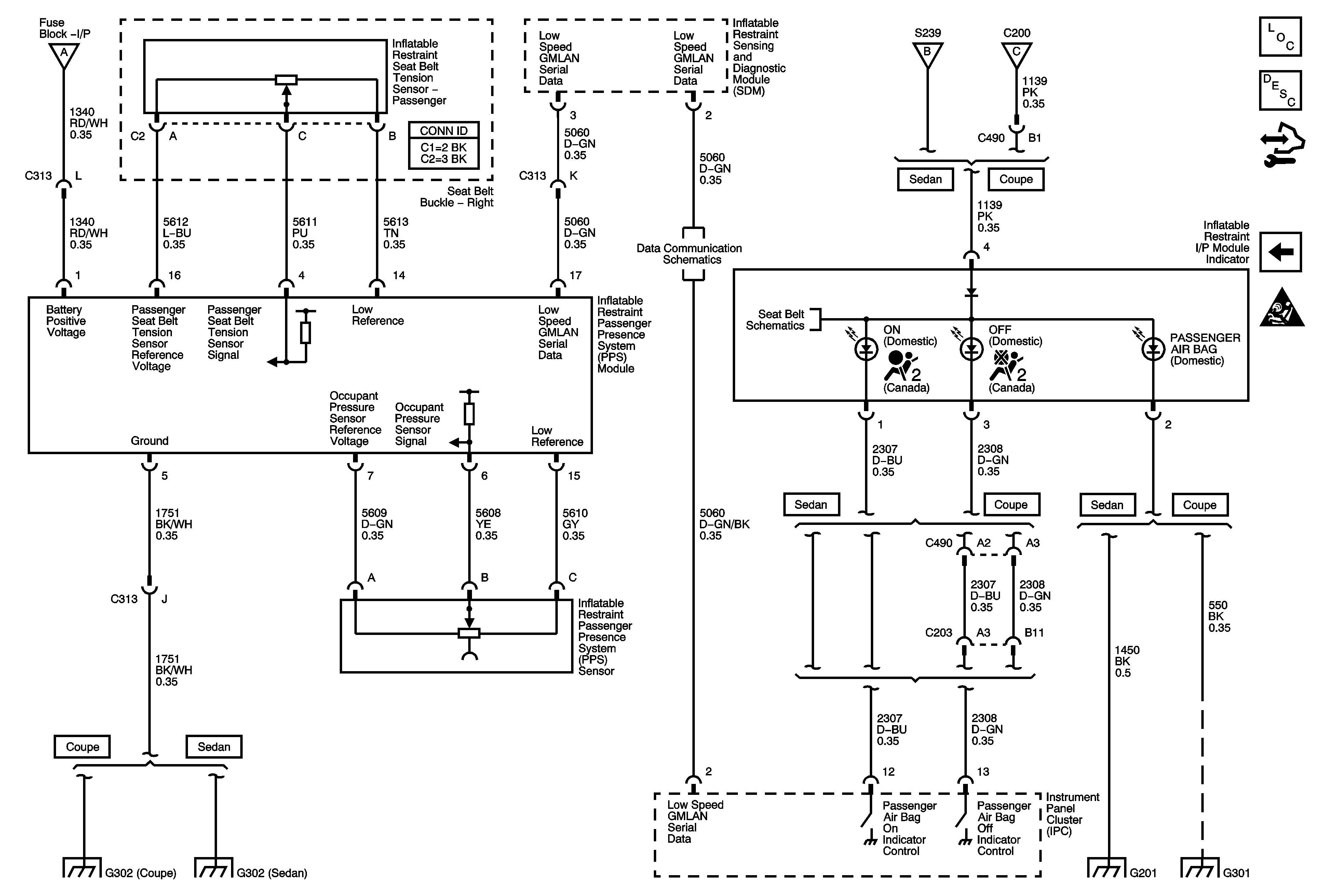
🢒 Passenger Presence System
Passenger Presence System
Passenger Presence System
Master Electrical Component List
SIR System Description and Operation
Control Module References
Deployment Loops
SIR Schematic Icons
Power, Ground, DLC, Indicators, and References
Power, Ground, DLC, Indicators, and References
Power, Ground, DLC, Indicators, and References
Power, Ground, and Low Speed GMLAN Serial Data
G302 (Coupe)
G302 (Sedan)
G201
G301