GM Service Manual Online
For 1990-2009 cars only
Makes
🢒
Chevrolet
🢒
2007
🢒
Monte Carlo
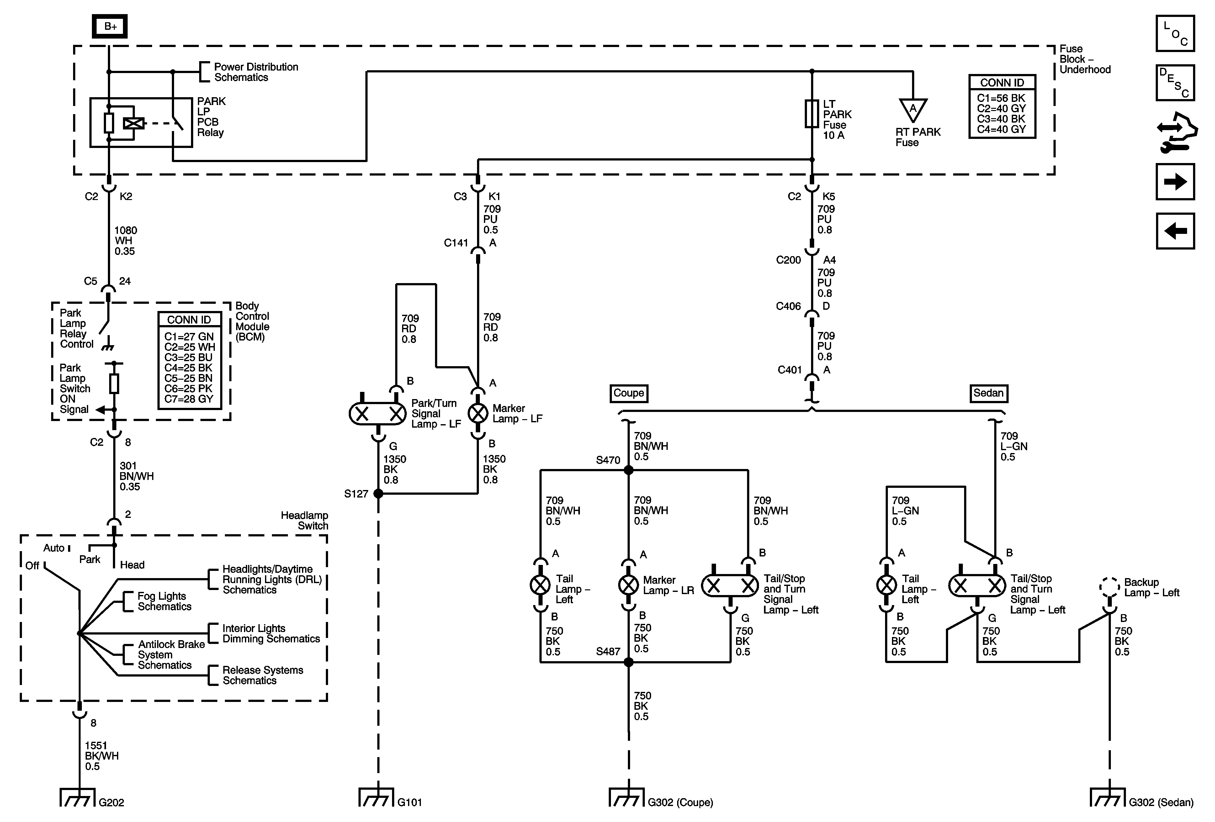
🢒 Park Lamps (1 of 2)
Park Lamps (1 of 2)
Park Lamps (1 of 2)
Master Electrical Component List
Exterior Lighting Systems Description and Operation
Control Module References
Park Lamps (2 of 2)
Turn Signal, Hazard, and Stop Lamps Outputs
Fuse Block - Underhood Bussing
Fuse Block - Underhood Bussing
Park Lamps (2 of 2)
Switches
Fog Lights Schematics
Coupe
Indicators, ABS, and Traction Control
Release Systems Schematics
G202 and G204
G101, G102, and G111
G302 (Coupe)
G302 (Sedan)