GM Service Manual Online
For 1990-2009 cars only
Makes
🢒
Chevrolet
🢒
2007
🢒
Monte Carlo
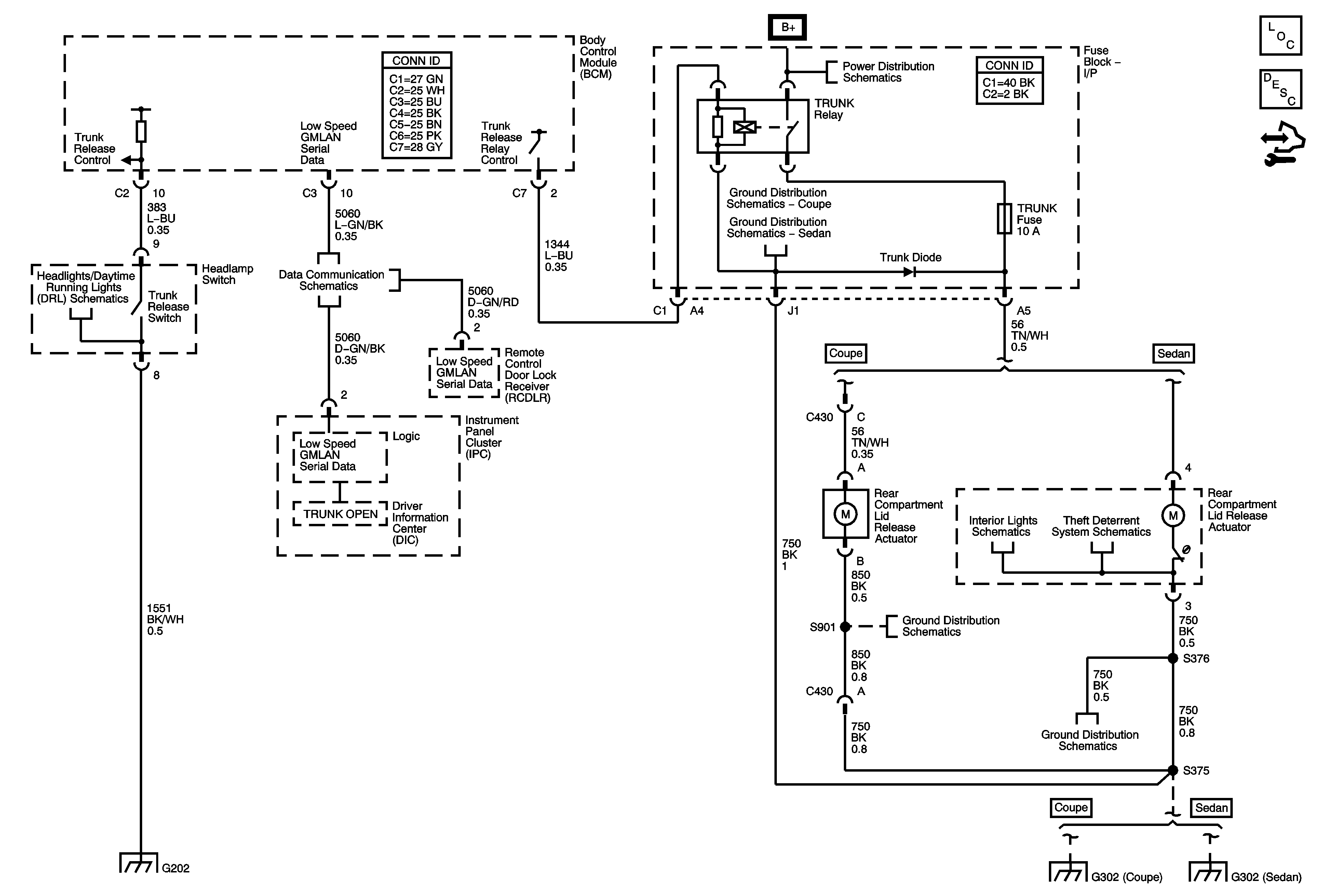
🢒 Release Systems Schematics
Release Systems Schematics
Master Electrical Component List
Luggage Compartment Description and Operation
Control Module References
BATT 1, CNSTR, ONSTAR, TRUNK, AMP, AUX Fuses, and TRUNK Relay
BATT 1, CNSTR, ONSTAR, TRUNK, AMP, AUX Fuses, and TRUNK Relay
G302 (Coupe)
G302 (Sedan)
Switches
Power, Ground, and Low Speed GMLAN Serial Data
Rear Compartment Lights
Theft Deterrent System Schematics
G302 (Coupe)
G302 (Sedan)
G202 and G204
G302 (Coupe)
G302 (Sedan)