GM Service Manual Online
For 1990-2009 cars only
Makes
🢒
Chevrolet
🢒
2007
🢒
Monte Carlo
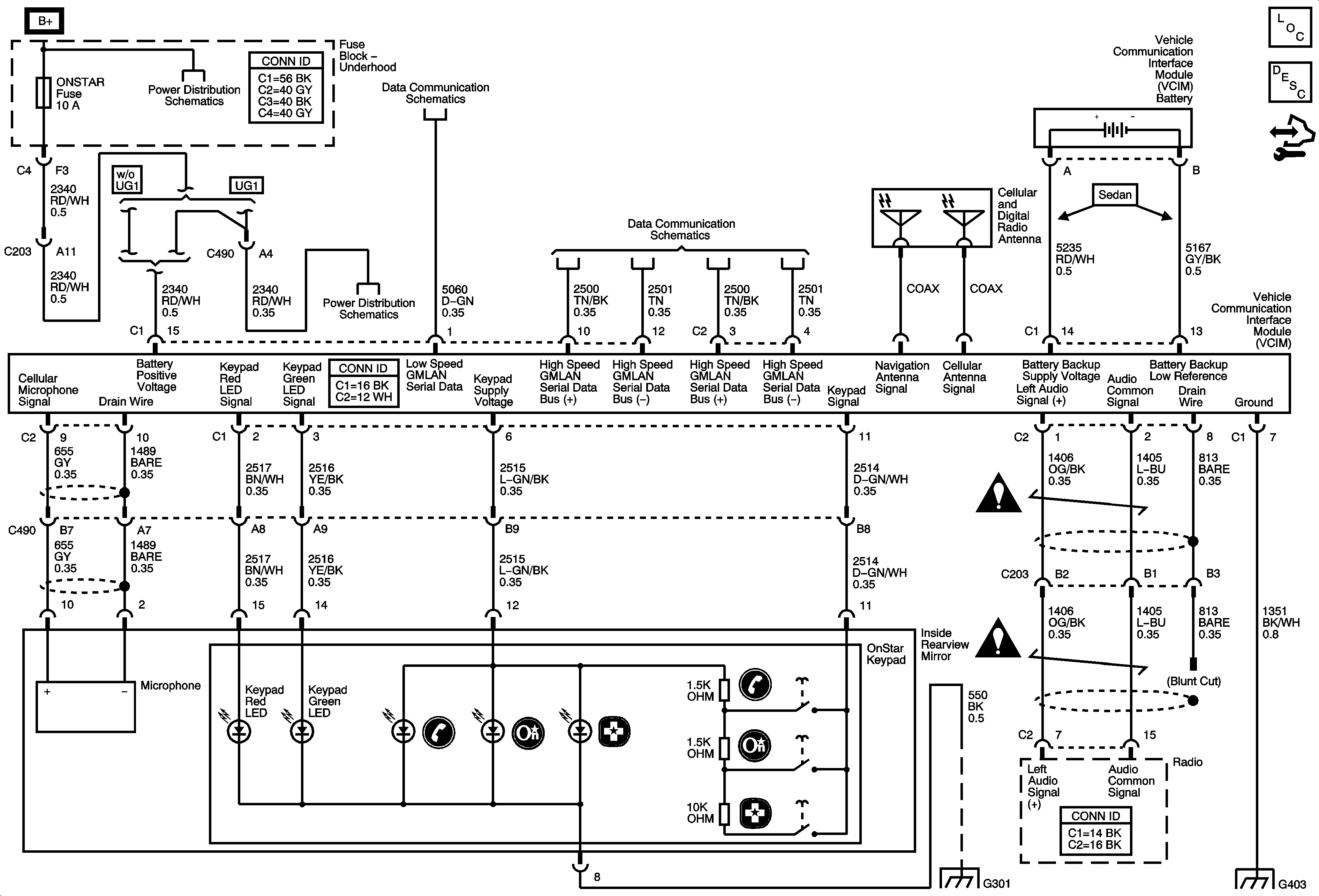
🢒 OnStar Schematics
OnStar Schematics
Master Electrical Component List
OnStar Description and Operation
Control Module References
Fuse Block - Underhood Bussing
INT LTS/PNL DIM, LT T/SIG, RT T/SIG, CHMSL/BACKUP, INT LIGHTS, RVC SEN, and ECM/TCM Fuses
INT LTS/PNL DIM, LT T/SIG, RT T/SIG, CHMSL/BACKUP, INT LIGHTS, RVC SEN, and ECM/TCM Fuses
Power, Ground, and Low Speed GMLAN Serial Data
High Speed GMLAN Serial Data
Entertainment/Communication Schematic Icons
Entertainment/Communication Schematic Icons
G301
G403 and G404